声光双控照明电路是利用光线和声音对照明灯进行双重控制的电路。该电路中的光敏电阻器进行锁定控制,白天光线强时电路被锁定,照明灯不亮,不受声音控制,当光线变暗后解除锁定,使其处于解锁状态,当其接收到声音后进行放大,然后使晶体三极管V2、V3导通。触发晶闸管使照明电路形成回路,将照明灯点亮,当经过一定的时间后照明灯自动熄灭,该电路便于节约能源。
该电路常常被使用在小区的楼道照明中,在白天时楼道中光线充足,触发电路不动作,夜晚黑暗的楼道中不方便找照明开关,使用声音即可控制照明灯照明,等待行人路过后照明灯可以自行熄灭。掌握声光双控照明电路的识读对于设计、安装、改造和维修声光控制电路有所帮助。
1、识读声光双控照明电路: 首先要了解该电路的组成,明确电路中各主要部件与电路符号的对应关系。

2、对声光双控照明电路工作过程的识读: 通常会从控制电路入手,通过对电路信号流程的分析,掌握声光双控照明电路的工作过程及功能特点。

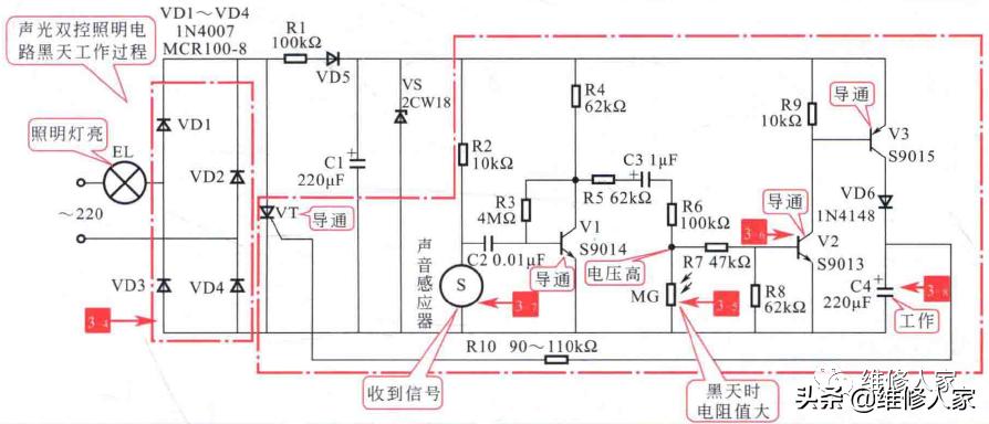
由交流220V供电电压输入,经过照明灯EL、桥式整流电路、电阻器R1、整流二极管VD5、电容器C1、稳压二极管VS形成直流电压,为控制电路供电。
在白天光照强度较大时,光敏电阻器MG的阻值随之减小,由于光敏电阻器阻值较小,使三极管V2的基极就锁定在低电平状态而截止,即使有声音控制信号也不能使V2导通,没有信号触发晶闸管VT,照明线路不能形成回路,照明灯EL不亮。

由AC220V供电电压输入,经过桥式整流电路整流和滤波稳压后输岀直流电 压,为控制电路供电。由于黑天时,光敏电阻器MG的阻值增大,电容器C3的隔直作用,三极管V2的基极处于低电平,因而处于截止状态;当音频信号信号消失后由于电容器C4放电需要时间,因而照明灯会延退熄灭。
当声音感应器接收到声音时,声音信号加到三极管VI的基极上,经放大后音频信号由晶体三极管VI的集电极输岀,经C3加到三极管V2的基极上。三极管V2导通,于是三极管V3和二极管VD6导通,为电容器C4充电,同时为晶闸管VT触发极提供信号,使晶闸管VT导通,整个照明电路形成回路,照明灯EL亮。