
简 介: 本文对于来自于龙邱通过对于来自LQ发送过来的新版的信标灯进行测试,可以看到: 它可以与以往的信标灯控制器进行兼容; 通过光电检测,可以检测到上面经过的车模物体;无线车模上面安装磁铁。 关键词 : 智能车竞赛 , 信标灯
01 信标灯
在 第十七届智能车竞赛竞速比赛 [1] 中,有一个组别“ 平衡信标组 ”,它利用左右双轮车模完成对场地内的信标搜索与熄灭(碾压)。现在收到从LongQiu发送过来的新版的信标灯。他们在博文 基于LM567制作的反射式红外检测电路,用于节能信标检测电路 [2] 基本检测原理上,对原来的信标灯盘进行了改造。
一、信标灯基本状况
信标灯是由发光灯盘与灯罩组成。所使用的中央控制器应该与原来的节能信标灯是兼容的。

▲ 图1.1.1 信标灯盘与灯罩
1、发光灯盘
(1)外形尺寸
发光盘形状为圆形,直径:11.8厘米。 该发光盘在使用过程中放置在灯罩的下面,并中心对准灯罩的中心。
(2)接口
发光盘具有三个外部接口,它们的功能是:
● 发光盘外部接口: 控制器:连接信标灯控制器接口,4Pins。 控制进: 发光盘现场连线,4Pins 控制出: 发光盘现场连线,6Pins
虽然控制进,出(两个6pins接口)名称上是有区别的,但在实际中,这两个接口是等小的。

▲ 图1.1.2 信标灯外部接口
注意: 虽然 控制进 、 控制出 两个接口在使用上是等效的,但其中除了+24V,PGND是并联之外,另外两条信号线(RXDIO,IOOUT)则不是并联的。
现场通过6pin的现场电缆将所有的发光盘连接在一起。第一个发光盘通过4pin的接口与控制盒相连。 +24V电源可以接入第一个发光盘,也可以在最后一个发光盘上接入。

▲ 图1.1.3 信标灯现场连接关系
2、灯罩
(1)外形尺寸
灯罩的外形为圆形,直径为,26厘米;中心高度为15毫米。灯罩中心具有直径为18毫米的圆孔。该圆孔是为了检测压过的车模。
灯罩放置在发光盘的是上面,中心圆孔对准发光盘中心的光电管( ITR9909 )。如果发光盘中心的圆孔没有对准发光盘的光电管,会造成灯罩无法检测到外部通过的车模,同时自身也始终处在触发状态。

▲ 图1.1.4 灯罩与发光盘摆放位置
二、测试信标灯
下面对于手边的一个信标灯进行测试。信标灯的控制盒是由LQ发送过来的。
1、连接电源与控制器
(1)连接+24V
制作临时的+24V接口,将发光盘6PIN的控制出,或者控制入上的 +24V,GND接入直流稳压电源。

▲ 图1.2.1 通过6PIn端口连接+24V电源
● 测试结果: 工作电源:使用+24V作为工作电源; 静态电流:57mA
(2)连接控制盒
使用4pin的扁平电缆将控制盒与发光盘连接在一起。控制盒的工作电源为+7.5V。
● 控制盒工作状态: 工作电源:+7.5V 工作电流:32mA

▲ 图1.2.2 将控制盒与发光盘连接
将控制盒与发光盘上电后,按动控制盒上的“ RST ”按键,控制盒会显示检测到一个发光盘。

▲ 图1.2.3 控制盒检测到一个发光盘
2、点亮信标灯
信标灯可以独自在控制盒控制下发光。

▲ 图1.2.4 发光盘在控制和控制下发光
这一点与控制盒控制原有的节能灯发光盘的效果是一样的。

▲ 图1.2.5 节能灯可以在控制盒控制下正常发光点亮
3、光电触发
(1)基本原理
光盘检测车模通过的方案是按照 基于LM567制作的反射式红外检测电路,用于节能信标检测电路 [3] 原理制作的。
LM567 [3] 自激振荡的方波通过9018驱动ITR9909发送红外光调制的红外光,有物体发射回来的光电信号耦合金;LM567进行同步检波。
根据 LM567 数据手册 [4] 中给出的计算公式,LM567振荡频率中心值为:

▲ 图1.2.6 光电检测原理图
(2)实测波形
Ⅰ.发送信号
测试T2集电极的电压波形,可以测量LM567的实际振荡频率。
● LM567实际振荡频率: 振荡频率:9.909kHz 占空比:43.59%

▲ 图1.2.7 实际测试T2集电极的波形
Ⅱ.接收信号
用手在光电管上方通过时,可以测量到LM567的Pin3管脚(接收信号管脚)的波形如下。

▲ 图1.2.8 接收到的信号

▲ 图1.2.9 手经过发光盘上方

▲ 图1.2.10 LM567 输出管脚(Pin8) 的波形
通过上面测试,可以看到光电盘在实际工作情况下可以检测到上方通过的反射物。
4、信号接入U1
``▲ 图1.2.11 电路中没有将该信号连入MCU``
根据 无线信标功能调试-2021-3-9-HALL检测与主控接口 [4] 中对于原有的 无线信标组 修改描述,触发信号应该进入 U1:AD0 ,也就是其中KEY1的位置。

▲ 图1.2.12 U8信号接入U1的PAD0
使用示波器可以检测到在U1的KEY(PA0)处存在U6输出的检测信号。由于手边没有更多的发光盘,所以现在无法测试
5、测试发光盘被触发
使用短接线就控制端口中的IO引线(PIN1)接地(PIN3),可以使得发光盘在上电后就开始闪烁。这一点是设计软件*特中**地留有用于检测的功能。
上电后5秒后,发光盘便可以接收检测信号的输入了。

▲ 图1.2.12 使用短接线就控制端口中的IO引线(PIN1)接地(PIN3)
通过测试,可以看到 手掠过发光盘,触发发光盘熄灭。这说明新版的信标灯可以正常检测到 上面通过的车模。

▲ 图1.2.13 手掠过发光盘,触发发光盘熄灭
※ 测试总结 ※
通过对于来自LQ发送过来的新版的信标灯进行测试,可以看到:
- 它可以与以往的信标灯控制器进行兼容;
- 通过光电检测,可以检测到上面经过的车模物体;无线车模上面安装磁铁。
往届的无线信标灯也可以用于今年的车模调试中。可以根据本文提供的原理,补充光电检测板即可。也可以沿用往届的磁铁触发。
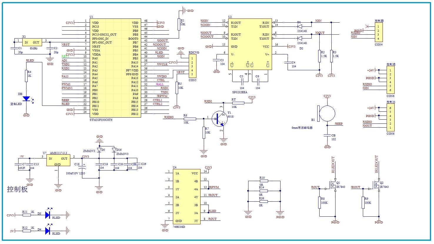
一、信标灯参考原理图
1、原理图

▲ 图1.1.5 信标灯设计原理图

▲ 图1.1.6 信标灯设计 原理图
2、PCB版图

▲ 图1.1.7 信标灯PCB图
参考资料
[1]
第十七届智能车竞赛竞速比赛 : https://zhuoqing.blog.csdn.net/article/details/121187014
[2]
基于LM567制作的反射式红外检测电路,用于节能信标检测电路 : https://zhuoqing.blog.csdn.net/article/details/120317194
[3]
LM567 : https://www.ti.com/lit/ds/symlink/lm567c.pdf
[4]
无线信标功能调试-2021-3-9-HALL检测与主控接口 : https://zhuoqing.blog.csdn.net/article/details/114654170