


此图是用SolidWorks2015建模,用KeyShot 8渲染,最上面2张图。图纸在手机上可能会看不清标注,原图片和SW文件在2019年8月10日文件夹。
建模步骤:
1. 在右视基准面上画正方形和圆。

2.拉伸凸台:25 。

3.倒角:3*45度。

4.在右视基准面上画矩形。

5.拉伸凸台,成形到粉色面。

6.在前视基准面上画矩形。

7.拉伸凸台,两侧对称:16 。

8.还是在前视基准面上草绘,画一个圆。

9.拉伸凸台,
方向一:到指定面指定的距离,距离粉色面8,反向等距
方向二:成形到一面,右侧紫色面。

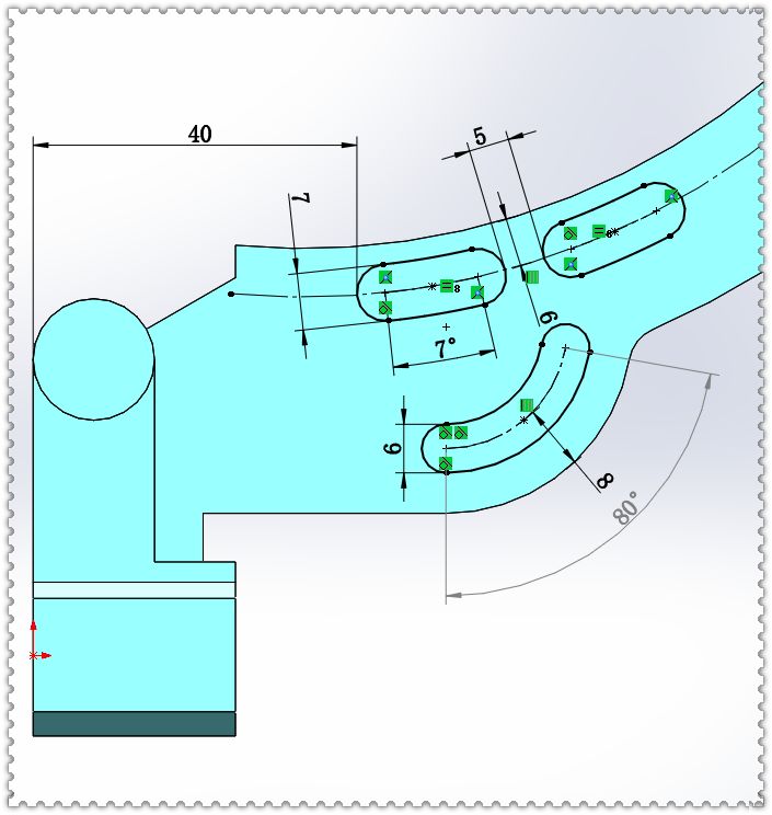
10.在前视基准面上草绘图形,角度80的圆弧和半径5的圆弧控制草图完全定义。

11.拉伸凸台,两侧对称:12 。

12.还是在前视基准面上草绘,等距两个圆弧边线。

然后画圆弧槽口,注意尺寸40和5的标注,要按住Shift键

13.拉伸切除,完全贯穿两者。

14.在蓝色面上草绘。

等距边线14 ,其他位置转换实体引用边线。(左侧直线与圆心不水平)

15.拉伸切除:2 。

16.在切除后的面上画直槽口、转换实体引用边线并剪裁。

17.拉伸凸台:1 ,选择轮廓。

18.在上一步拉伸实体的面上画圆。

19.拉伸:1.5 。

20.在上一步的实体上画圆,拉伸切除,完全贯穿。

21.测量距离:96.24,有误差,原题:96.22 。

22.测量面积:1085.34 ,正确。

23.测量体积:38974.15 ,正确。

24.完成。

