车型:福特新蒙迪欧2.0T
故障现象:客户反映行车打方向盘过程中,方向盘两侧的多功能按键灯和换挡拨片灯会间隙性闪烁。
维修过程:对客户所反映故障进行验证,启动车辆慢速行车打方向,当方向盘向右侧慢慢转动90度后,方向盘多功能按键灯就开始闪烁了,并不停的闪烁,当慢慢转动超过90度后,按键灯就正常了,回转一点又开始闪烁了,而向左侧慢慢打动方向盘,按键灯一切正常又不会闪烁,经过我们反复测试得出了一个结论,只是向右侧转动方向盘90度左右就会有此现象出现,已经形成了一种规律了,如下图:


在测试过程中我们注意到,方向盘多功能按键灯是大灯开关控制的,大灯开关控制着车内所有开关和控制面板的照明,当我们做故障验证时,只有方向盘上面的多功能按键灯和换挡拨片灯闪烁异常,而大灯开关照明和空调面板照明和其它相关联的照明均显示正常,判断问题出在方向盘按键照明这块。针对此故障我们初步怀疑是以下几点原因造成:
1:方向盘多功能按键和换挡拨片本身
2:方向盘内部线束和游丝部位线束插头接触问题
3:方向盘游丝内部接触不良
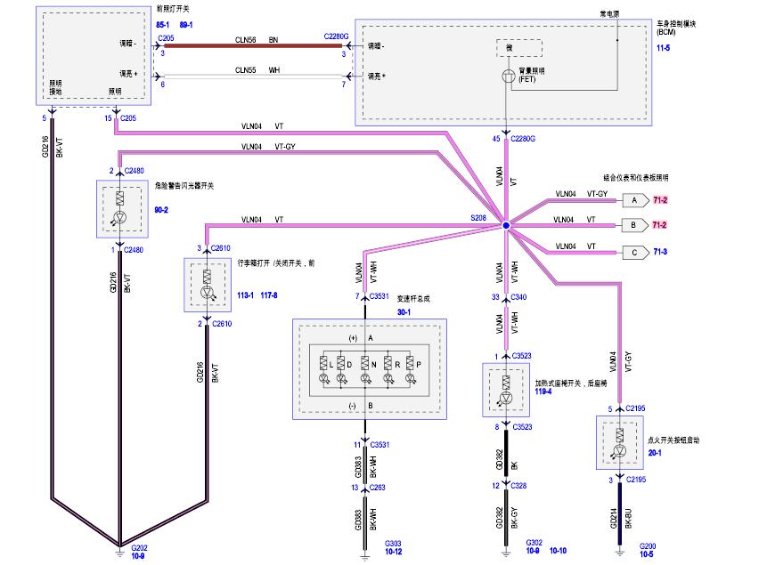
首先诊断电脑检查无故障码,无故障码来判断我们只有拆装检查了,为了弄清问题,我们拆卸了方向盘主气囊,准备着手检查内部线束和插头。先学习下线路图,如下:


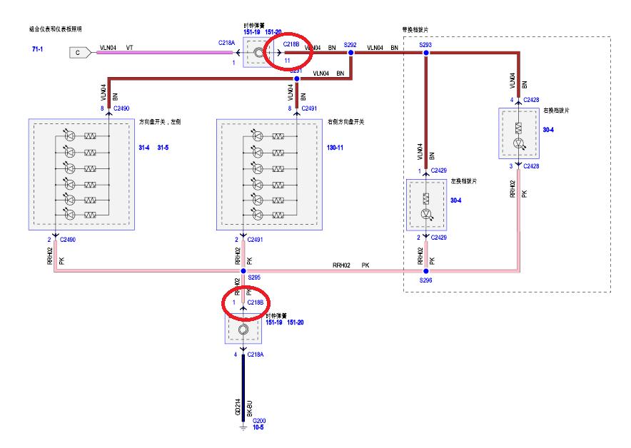
通过线路图我们确定了方向盘游丝C218B的11号针脚是给方向盘多功能按键灯和换挡拨片灯的电源线,确认了C218B的1号针脚是个搭铁信号。我们先用试灯测试了C218B的11号针脚发现当向右侧转动方向盘时试灯会一闪一闪的闪烁。

我们在用试灯单独测试了C218B的1号针脚,确认了搭铁信号是正常的,哪么问题出在了供电上,我们拔掉了C218B插头踢出了11号针脚来做进一步的检查,如下图:


检查了C218B的11号针脚外观无损坏,内部舌片松紧度无异常,无接触不良现象。踢出了11号针脚后,我们用一根导线直接压在了方向盘游丝的11号针脚内部来做检查,如下图:

连接好试灯后我们来测试,当方向盘向右侧转动90度后故障又出现了,试灯一闪一闪的闪烁,如下图:


通过测试,我们可以判断方向盘多功能按键是没有问题的,故障出在方向盘游丝内部和方向盘游丝的输入插头C218A部位,通过线路图我们知道C218A插头的1号脚是经过方向盘游丝到C218B插头的11号脚的,是一个照明电源.如下图:

当我们向右侧转动方向盘后,我们测试了C218A插头的1号针脚有一个稳定的电源,这样可以排除了方向盘游丝的输入电源是没有问题的,通过对方向盘游丝的输入电源和输出电源做试灯测试,已经可以确定是方向盘游丝内部接触不良导致打方向时,方向盘多功能按键灯不停闪烁,最后更换了全新的方向盘游丝后,故障排除。
维修总结:此故障是因为方向盘下面游丝内部接触不良导致。