今天看到一位同行朋友维修案例,苹果6S背景灯不亮,维修中更换了背光灯、电容、二极管都没有修复故障,最后利用显微镜观察大电感L4020发现变黄,更换故障排除。
对于背景灯不亮维修思路是怎么样的呢?今天我们一起来温习一下。

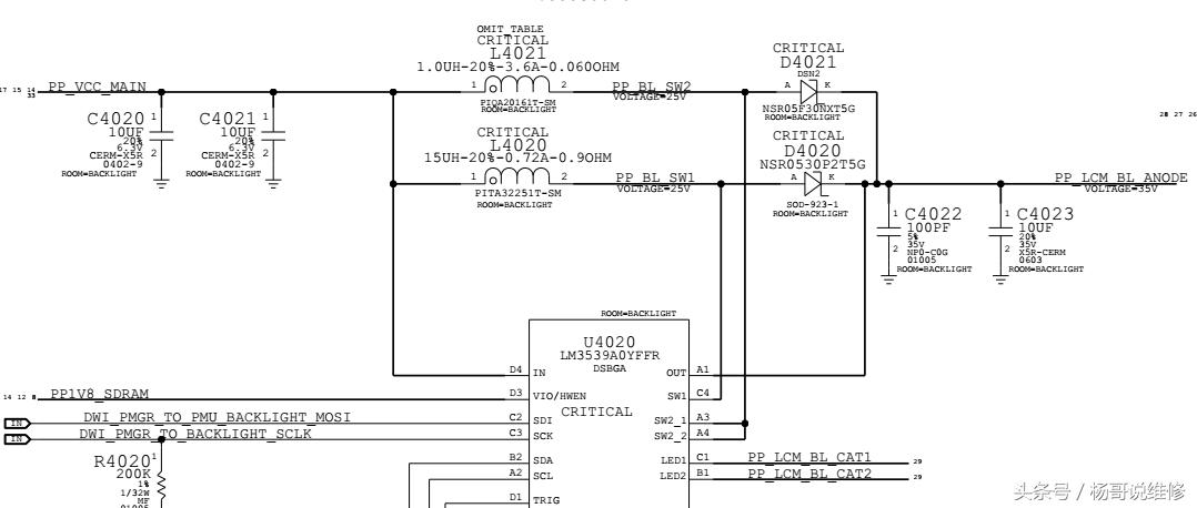
整个背景灯电路以U4020为主,U4020的A1脚PP LCM BL ANODE,为背景灯升压芯片的输出端,电压16.3V,输出到了显示屏后的背景灯正极。苹果6S有两组背景灯,如果一边亮,就是大家说的阴阳屏现象。U4020芯片的C1,B1脚为两组灯的控制端,只要电压拉低,对应的一组二极管灯就会点亮。
看完这个原理图,我们的维修思路基本就出来了。理论是指导我们前行的向导,实操是验证真理的保证。
第一步,先找个屏幕总成,更换,看看灯能否被点亮。如果被点亮,说明主板升压正常,屏幕后面的两组灯有问题。
第二步,主板维修,取下屏幕,首先测量一下,16.3V电压是否正常,测试点在电感FL4211处,两端都应该可以测到。如果可以测量到电压,就说明U4020本身或者C1、B1端到J4200之间出现问题,这两个线同时出现问题的情况不多。


第三步,如果测量不到16.3V,重点检查升压电路:
1先测量一下PP VCC MAIN 电压是否正常,L 4020 4021处可以测量到。
如果一端有,一端没有,电感出现故障,更换即可。
2如果电压正常,重点检查D4020 D4021 c4023 ,更换后故障不能排除。
直接加焊或更换U4020,看故障是否可以排除。

3如果还不能搞定故障,就是CPU控制电路出现问题。重点查三条线:
数据:DWI PMGR TO PMU BACKLIGHT MOSI
时钟:DWI PMGR TO BACKLIGHT SCLK
启动:AP TO MUON BL STROBE EN
拆下升压芯片U4020 测 C2 C3 D1对地阻值,如果无穷大,就有可能主板断线或者CPU虚焊,或者坏掉。

【与你一起终身学习,这里是杨哥说维修,希望我们可以帮到大家,非常欢迎大家关注我们,一起交流互动。】