北京交通大学电气工程学院、中车工业研究院有限公司技术研究部的研究人员刘建强、赵楠、孙帮成、汪洋、齐洪峰,在2019年第16期《电工技术学报》上撰文指出(论文标题为“基于LLC谐振变换器的电力电子牵引变压器控制策略研究”),采用电力电子牵引变压器取代传统工频变压器可实现高速列车牵引变压器小型化、轻量化的目标。
针对由级联H桥变换器和LLC谐振变换器组成的电力电子牵引变压器,首先研究级联H桥变换器的电压电流双闭环控制策略,分析LLC谐振变换器功率反向流动的工作原理及变换器增益特性,提出采用变频控制实现功率双向流动的控制方法。为解决系统的功率平衡问题,提出一种基于LLC谐振变换器的功率平衡控制策略。
该方法前级级联H桥变换器只进行基本控制,通过对后级LLC谐振变换器进行电压平衡控制,从而实现系统的功率平衡。搭建电力电子牵引变压器仿真模型和实验样机,仿真和实验结果表明所提出的控制策略能够实现功率双向流动,且各功率单元的传输功率保持一致,实现了系统的功率平衡。
近年来,电力电子变压器(Power Electronic Transformer, PET)由于具备体积小、质量轻、电压电流高度可控等优势,受到了广泛关注,已成为国内外研究的热点。将PET应用在轨道交通领域即电力电子牵引变压器(Power Electronic Traction Transformer, PETT)能够解决目前传统工频牵引变压器功率密度和效率偏低的问题,PETT通过采用电力电子技术和高频化技术,可以减小牵引变压器的体积和质量,并且能够实现对网侧功率因数调节,改善网侧电能质量。

由于电气化铁路牵引网电压等级较高(我国为25kV/50Hz,欧洲为15kV/16.7Hz),现有的电力电子器件难以直接承受如此高的电压,因此目前PETT装置普遍在输入侧采用级联形式。
- 西门子公司在2003年提出了基于级联AC-AC模块化多电平变换器的PETT拓扑结构,通过输入侧的AC-AC变换器提升电压频率,再经过中频变压器的耦合传递到变压器二次侧,供后级使用。
- 法国阿尔斯通公司研发了一套新的牵引传动系统“e-Transformer”应用于低地板列车中,该装置输入侧采用级联H桥变换器,中间隔离级采用带多绕组变压器的DC-DC变换器,其质量相较于传统工频变压器减轻了50%,整个装置的体积也大为减小,且系统效率达到94%以上。
- 由于多绕组变压器的制作工艺复杂,成本昂贵,ABB公司提出了输入侧为级联H桥变换器,隔离级为带独立中高频变压器DC-DC变换器的PETT结构,如图1所示。该拓扑结构控制简单、模块化程度高、可实现冗余控制,具有明显的优势。ABB公司研发了基于该结构的PETT实验样机并应用于调车机车中。本文所研究的PETT同样采用该结构。
目前在级联型PETT中比较常见的隔离型DC- DC变换器为双有源桥式(Dual Active Bridge, DAB)变换器和LLC谐振变换器。对于DAB变换器,传统的控制方法为单移相控制,通过移相控制来改变功率的大小和流向。LLC谐振变换器由于具备良好的软开关性能,因此将其应用在PETT中能够显著提升系统的功率密度。而传统的LLC谐振变换器的变压器二次侧开关器件通常为二极管,故功率只能单向流动,而在PETT的应用场合,需要能将列车的再生制动能量回馈到电网中,因此针对LLC谐振变换器的功率双向流动控制进行研究。
有学者提出了采用全控器件作为开关器件的双向CLLLC谐振变换器的拓扑结构,功率正向时控制一次侧开关器件,二次侧开关器件进行不控整流;功率反向时控制二次侧开关器件,一次侧开关器件进行不控整流。由于电路的对称性,故变换器在功率正向和反向流动时均能保持恒定的电压增益,但是由于在变压器二次侧引入谐振元件,将导致变换器的成本增加。
有学者提出了一种LLC谐振变换器的功率双向流动控制策略,功率正向流动时采用变频控制;功率反向流动时采用移相控制。这种方法虽然能实现功率双向流动,但是由于功率反向时为移相控制,难以保证所有器件实现软开关,无法实现LLC谐振变换器的软开关性能。

图1 采用级联H桥和DC-DC变换器的PETT拓扑
由于PETT通常由多个功率单元共同组成,各功率单元之间电气元件参数难以保持一致,这将导致各单元的功率不平衡,影响系统运行的可靠性。针对这一问题,目前主要采用的是两级控制的功率平衡控制策略,即前级级联H桥变换器进行电压平衡控制,后级并联输出的DC-DC变换器进行均流控制,两者互相配合,实现系统的功率平衡。但这种控制策略导致级联H桥各单元调制波独立,影响输入电流品质,且在均流控制中需要使用电流传感器,将造成系统成本进一步增加。
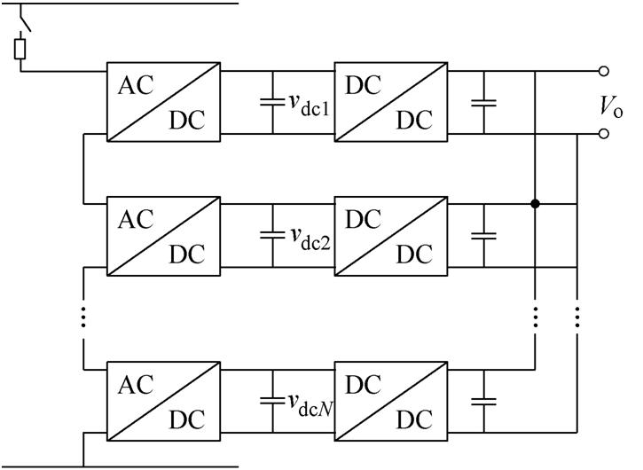
基于上述研究现状,本文对采用级联H桥变换器和LLC谐振变换器的PETT展开研究,其拓扑如图2所示。级联H桥变换器作为输入级,输出并联的LLC谐振变换器作为输出级。在输入侧采用级联H桥变换器可以对交流侧的功率因数进行调节并为后级的LLC谐振变换器提供稳定的直流电压。隔离级LLC谐振变换器对中间直流侧电压进行变换和隔离最终得到系统输出电压,LLC谐振变换器具备良好的软开关性能,将其应用在PETT中能够有效提升系统的功率密度,发挥其优势。

图2 采用级联H桥和LLC变换器的PETT拓扑
基于该拓扑结构,本文主要研究了级联H桥电压电流双闭环控制策略,分析了LLC谐振变换器的功率双向流动原理及增益特性,提出了采用变频控制实现功率流向的自由切换方法。针对系统的功率平衡问题,提出一种基于LLC谐振变换器的PETT功率平衡控制策略,由LLC谐振变换器进行中间直流侧电压平衡控制进而保证各单元功率平衡。搭建了三单元PETT的仿真模型和实验样机,仿真和实验结果验证了所提出PETT控制策略的可行性和正确性。

图22 三单元PETT实验平台
总结
本文研究了基于LLC谐振变换器的电力电子牵引变压器,对LLC谐振变换器的功率双向流动控制策略和系统的功率平衡控制策略进行了深入研究。分析了LLC谐振变换器的功率双向流动工作原理,研究了变换器在不同功率流向下的电压增益特性,通过改变变换器的开关频率实现能量的双向流动。分析了PETT的功率平衡原理,在各级联H桥单元调制波相同的情况下,通过LLC谐振变换器进行中间直流侧电压平衡控制即可实现系统的功率平衡控制。
在理论研究的基础上,搭建PETT的仿真模型和实验样机,对所研究的控制策略进行仿真和实验,仿真和实验结果表明所提出的控制策略效果良好,系统实现了功率双向流动和功率平衡控制。