流程图指的是将一系列的事件或任务通过特定的逻辑关系串联起来的框图。
流程其实就是先做什么后做什么,如果说所有的动作都是单独的个体,那么流程就是串联起这些个体的线,没有流程便无法实现我们想要做的事情。细想想,周遭的事情,大多都有流程这个东西。吃饭?睡觉?学习?是不是都有他的一个流程,如果颠倒顺序或中间缺少一环,就会显得奇怪。工作时,我们要是搞丢某个环节或流程错误了,产品或是工作就会出现漏洞与事故。
流程图对于与我们的工作和生活中的作用很大:
业务的缩略俯瞰图:帮助听众更快速了解相关业务,建立业务场景流程。了解业务运转流程:谁,什么时候,在什么条件下,做了什么事情,输入了什么,输出了什么,输出给了谁,结果是什么;
产品设计中承上启下作用:梳理业务逻辑,讲述业务运作流程,思维导图让我们获得产品所需要的基本信息片段,而流程图则是对产品各个信息点的有序串联,以供下一步设计原型图做基础;
在员工培训培训中,员工快速了解业务如何运作的视图,通过业务流程图,新员工能够快速明白业务的运作流程、业务的最终目标,谁参与了该项目,在其中担任的角色,以及彼此之间的联系;
业务优化与重组,通过调研,分析现有的业务流程图,能够分析出目前业务流程中所存在的问题、缺失,重复,风险,效率等等,从而制定相应的优化方案;
产品宣讲时,更清晰的讲解与理解产品流程,供开发人员理解与开发;
产品的逻辑性表达,更好的梳理产品思路,产品往往是一个由简单到复杂,由抽象到具体的过程,而流程图亦是如此;
在工作中使用到流程图的人员很多,主要包括
产品经理,通过流程图讲解业务场景与流程,梳理自己的产品思路,是产品设计的基础;
运营人员,通过流程图来讲解业务流程,制定业务规范;
设计师,通过流程图了解页面跳转流程,为页面设计形成良好的思路基础;
任何需要讲述业务如何运作的人员都可以通过流程图来讲解,对业务的理解有着极大的帮助的。
如何构建流程图
构成要素:角色(A/B/C、活动、事件)、流转(连接线/串联)、顺序(具有逻辑关系的指向)、规则(是否、条件)、输入/输出(成功/失败、结果);
构建目标:传递明白任务和次序即可,形式不重要,但要尽量做到美观,必定是给他人看的图表;
构建时常用图示说明

构建时常用结构说明:此为分解后的结构,使用时多为混合制表。

业务流程的构建是有层次性的,这种层次体现在由上至下、由整体到部分、由宏观到微观、由抽象到具体的逻辑关系。这样一个层次关系符合人们的思维习惯,有利于企业业务模型的建立,企业部门之间的层次关系表。
在设计流程图时我们可以先建立主业务流程,然后再进行细化建立相对独立的子业务流程以及其他的辅助业务流程。
那产品经理日常工作中最多接触的是哪一些种类的流程呢?主要包括业务流程、操作流程和页面流程图。下面我们一一来分解一下。
操作流程图-注册操作流程
操作流程图突出业务的操作流程,一般是基于一个业务点的流程,从A到B再到C,直到完成该业务,比如产品注册登陆流程、支付流程等;
场景描述:
A在某朋友的推荐下了解了一家电商平台,买一件衣服,但A并没有某该网站的账号,于是A打开该网站注册页面进行注册。
注册信息需要填写手机号和验证码,但A在输入手机号时,系统提示手机格式不正确,经过检查,是因为手机号少输入一位,经过修改,A点击获取验证码,收到该网站发送的短信验证码,回填后,点击提交,注册成功。

在制作操作流程图时我们需要注意的一些要点:
操作流程就是用户要完成某件任务要经过的哪些操作。
明确用户的操作、流向与结果;
基于某一个业务点,如注册、登陆、下单、支付等;
正向流程与逆向流程都要可考虑,尤其是逆向流程,这往往能提现一个产品经理对流程的把握能力;
细节的把控,一开始不需要过分注重细节,往往是先将流程跑通后再去关注细节与逆向流程,如手机号判断是否为纯数字、位数判断、号码区间。短信下发时间、回填结果等等细节判断;
谁在用操作流程图呢?多为运营与产品,用于单个业务点的操作流转说明,包括前端业务与后端业务。
业务流程图
业务流程图,一般分为泳道图和职责图;
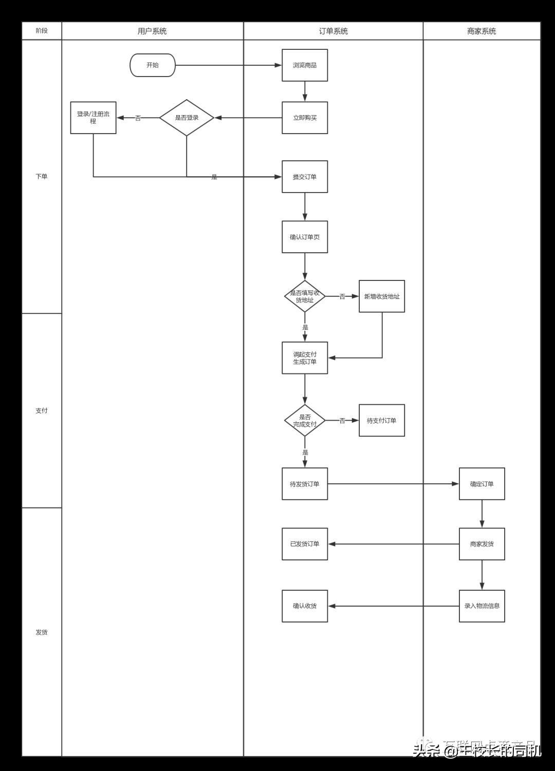
业务流程图-泳道图
泳道图是突出了业务之间的逻辑关系,并能够较好的表现各部门的责任。不同部门/系统,在不同的阶段,角色与角色之间的跳转,更多情况下是针对某一条业务线,完成该业务下的的活动或目标;
泳道图中分为两大维度,一个是活动流转,一个是流程要素。
活动的流转就是某个活动是由哪个部门或岗位来完成的;
流程要素主要指的的阶段,每个流程都是由不同的阶段相互配合完成的。

场景描述:
一天后,A再次进入网站后进行商品浏览,不久后发现一款不错了的衣服,于是想买下来,点击了立即购买按钮,然后提交订单,发现自己还有收获地址,于是提交收货地址,再次确认订单信息后,调起了用户的支付页,用户通过支付宝完成了订单支付,于是坐等收货;
对应的平台B端商家接到待发货的订单,马上进行了备货,打印订单与物流单据,当天物流进行揽货,商家完成了发货,并在线上完成物流订单的提交;
3天后,用户收到订单,并确认收货;

在制作泳道图流程图时我们需要注意的一些要点:
泳道图通常会由几个角色来共同组成,向一条作业流水线,A搞定了,传给了B,B搞定他的部分,传给了C,C搞定后又要将结果传给A做
不同的部门/系统,不同的阶段之间互相配合,相互跳转的流程
通过泳道图我们可以针对某个业务线是否已跑通,产品可不可用。一些不规范的产品设计工作者或者是逻辑性不强的同学更需要画业务流程图,以梳理自己的逻辑思路。有很多产品的流程,走着走着就走不通了,这就是没有规范的流程图意识造成的。
业务流程图-职责流程图
职责流程图:突出各部门和岗位在流程中的输出与责任,平常用的较少。
场景描述:
双11将至,公司准备搞一场大型大促活动,活动期间用户可领券消费,预计让利10亿,运营将需求提交给产品负责人并开始做预算。产品人员接到需求后,开始进行产品设计。
运营和产品将预算和产品设计完成后,开始召集视觉设计、研发、测试、财务分配各自任务务,视觉负责设计整个活动的页面图,研发则进行系统与代码开发,测试进行业务流程和性能的测试。财务进行运算的审批与存档记录。

在制作业务职责流程图时我们需要注意职责流程图突出的是部门与岗位在流程中的输出与责任,以上为产品的工作流程中涉及的部门与岗位,当然在实际工作中还会更复杂;
职责流程图对于产品与运营会用到,但比较少,多为人事与财务会经常用到;
页面流程图
页面流程图指的是用户通过什么操作进了什么页面及后续的操作及页面,突出了页面之间的流转。不需要过多关注页面内部的具体构成。

页面流程图多为业务线与业务线之间的交互,一般会涉及多条业务线,如一个购物的页面流程就会涉及到账号体系、交易体系、客服体系、支付体系四条业务线的页面;
页面流程图就是为了表现用户的不同的操作指令下不同页面流转关系。流程图中包含的元素有页面、操作或状态、链接线;流程图中的一个编号代表一个页面,操作是需要用户触发的,包含链接、按钮、表单等等。用户通过这些操作,看到同一个页面上不同的内容,或者跳转到其他的页面。同时在页面内要注意有些操作可能不会带你去一个实际的页面,而是有可能发个短信、发个邮件等,这些也需要被表现出来。
场景描述:
寒冬已来,是时候买件合适的羽绒服来保保暖了,此时刚好收到某电商网站的一个页面推送广告,于是点击进入该网站,瞄一眼商品详情页,感觉还不错,先加入购物车,提示未登录,于是先进行了登录,登录后直接跳转了购物车列表页。
列表页优惠券提示该商家满300减100的优惠,于是又从购物车的列表页进入了商品详情页,通过商品详情页的店铺按钮,进入该店铺的所有商品列表页,感觉店铺的整体风格不错,又看了几件商品的详情,通通加入购物车。
进入购物车列表,选中需要购物的几件商品,看结算金额处已高于300,于是点击结算,进入提交订单页,核实了下商品和数量,没问题,进行了支付,支付成功后,进入订单列表页,显示商品即将为您发货,便坐等收货。

在制作操作流程图时我们需要注意的一些要点:
多关注页面之间的跳转,不过多关注每个页面的具体功能;
业务线与业务线之间的交互与耦合,实现某一操作目标;
那如何做制作一张流程图,下面有几个通用的步骤,供大家参考:
通过调研了解产品的业务使用场景。可以通过实际操作该业务,看业务SOP,与相关人员洽谈,完整描述整个业务事件或任务,整个流程的起始点是什么?整个流程都有哪些操作和过程?整个流程的终结点是什么?在整个流程中,涉及到的角色都是谁?
梳理流程信息中的角色、流转、顺序、规则;
评审与修正,与实操(运营方)人员确认流程,并反复推敲流程中是否存在不合逻辑或遗漏的判断,待最终确定后输出。
制作与输出,通过流程图工具完成电子版流程的
分类归档与维护,供后期重阅使用;
流程图制作工具介绍
笔与纸永远是最好的入门工具,方便快捷,但不方便保存。
VISIO是比较专业的流程图软件,有些难度,不过用了之后还是能很大提高效率的。
Process On是一个在线协作绘图平台,为用户提供最强大、易用的作图工具。相对于要安装软件来说,这款软件更易于使用。
其他软件:Smartdraw、Flowcharts,PPT、Axure、Word也可以,自己尝试哪个更适合自己;
其实画流程图,用什么工具不重要,关键是把流程表述清楚,完整准确即可。工具的选择,合适即可。
什么样的流程图是好的?
清晰易懂:整个流程图结构清晰,容易看懂。
简单明了:流程图的初衷就是将复杂的东西简单话;
完整准确:目标就是查漏补缺,避免项目中遗漏了的操作或环节,没有明显的逻辑错误或差异。
可扩展性好:流程图必然会随着功能的变化而变化,必然涉及到增删改,一旦发生修改不至于全部重新绘制。
在做产品时有时候大家在说产品总是在变变变,其实一大部分是跟流程图梳理的不够清晰导致的,如果流程梳理清晰后,大家只需要在后期添砖加瓦,以完善细节。