来源:万众久合电力
现代生活离不开各种电器,我们生活中处处都要用电:灯、手机充电、笔记本电脑、冰箱、热水器······我们的生活离不开电。配电箱对于电路的正常使用和用电的安全起着重要作用,配电箱能够合理的分配电能,显示电路的导通状态,保护电路。
一、配电箱的作用

配电箱的作用
1.合理的分配电能
2.方便对电路的开合操作。
3.有较高的安全防护等级,能直观的显示电路的导通状态。
配电箱的组成

一般型高压配电箱结构图

隔爆型高压配电箱结构图
二、配电箱规格型号
序号
汉语拼音字头
中文解释
装配图号
电气原理图号
1
JL
计量箱
PXT01
PXT01 dq系列
2
CZ
插座箱
PXT02
PXT02 dq系列
3
ZM
照明箱
PXT03
PXT03 dq系列
4
DL
动力箱
PXT04
PXT04 dq系列
5
JC
计量插座箱
PXT05
PXT05 dq系列
6
JZ
计量照明箱
PXT06
PXT06 dq系列
7
JD
计量照明箱
PXT07
PXT07 dq系列
8
ZC
照明插座箱
PXT08
PXT08 dq系列
9
DC
动力插座箱
PXT09
PXT09 dq系列
10
DZ
动力照明箱
PXT10
PXT10 dq系列
11
HH
混合功能箱
PXT11
PXT11 dq系列
12
ZN
智能箱
PXT12
PXT12 dq系列
三、配电箱尺寸
型号
尺寸(mm)
型号
尺寸(mm)
PZ30-2
11*16*8
PZ30-2
15*17*8
PZ30-6
20*21*19
PZ30-4
23*24*9
PZ30-10
28*28**9
PZ30-8
28*31*9
PZ30-15
28*28*8
PZ30-12
28*42*9
PZ30-20
28*37*9
PZ30-18
47*21*9
PZ30-3-
47*37*9
PZ30-24
47*42*9
PZ30-40
47*46*9
PZ30-36
58*37*9
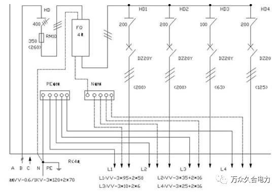
四、配电箱接线图

配电箱接线图1

配电箱接线图2
五、配电箱如何选购

外壳
首先目前市场上的配电箱主要有金属外壳和塑料外壳两种,结构上有暗装式和明装式两类,因此在选择时,根据实际需要选择,不管是选择哪种类型的配电箱,其箱体必须完好无损,配电箱门板应有检查透明窗。
型号尺寸
在国内供配电系统中,配电箱的型号有很多种,它们的箱体结构﹑技术参数尺寸都有所不同,并且根据使用场合的不同,配电箱尺寸有很多,因此配电箱价格也相差较大。
汇流排
配电箱箱体内接线汇流排应分别设立零钱、保护接地线、相线,并且要完好无损,具有良好的绝缘性能,以保障日常使用安全。
安装座架
空气开关的安装座架应光洁无阻并有足够的空间。
负荷
根据负荷性质和用途,确定是照明配电箱还是电力配电箱或插座箱等。根据负荷电流的大小,电压等级以及控制对象保护要求,确定配电箱内主回路和各支路的开关电器、保护电器的容量和电压等级。
参数
由于进口配电柜中所采用的主要元器件的品牌与柜体是一致的。所以选择进口配电柜时,应注意主要元器件的参数,它必须能满足用户需要。但是也不能盲目选择技术参数比较高的进口配电箱,这样易造成资源浪费。而且进口的配电箱也未必适合。
使用场所
配电箱广泛用于生产生活的各个领域,如如学校、机关、医院、工厂、车间、家庭等,而建筑工地等施工工地上一般使用专业的施工配电箱,因此根据使用场合的不同,选择合适的产品。
品牌
除了以上因素外,还要认准品牌,选择质量过硬、安全可靠的产品。尽量采用知名配电箱、配电箱厂家的国产配电柜柜型,涉及到用电安全所以选择大品牌的才比较有保障。
六、配电箱如何安装

1、明装配电箱,配电箱安装在墙上时,应采用开脚螺栓(胀管螺栓)固定,螺栓长度一般为埋入深度(75~150mm)、箱底板厚度、螺帽和垫圈的厚度之和,再加上5mm左右的“出头余量”。对于较小的配电箱,也可在安装处预埋好木砖(按配电箱或配电板四角安装孔的位置埋设),然后用木螺钉在木砖处固定配电箱或配电板。
2、暗装配电箱,配电箱嵌入墙内安装,在砌墙时预留孔洞应比配电箱的长和宽各大20mm左右,预留的深度为配电箱厚度加上洞内壁抹灰的厚度。在圬埋配电箱时,箱体与墙之间填以混凝土即可把箱体固定住
3、配电箱应安装牢固,横平竖直,垂直偏差不应大于3mm;暗装时,配电箱四周应无空隙,其面板四周边缘应紧贴墙面,箱体与建筑物、构筑物接触部分应涂防腐漆。
4、配电箱内装设的螺旋式熔断器,其电源线应接在中间触点的端子上,负荷线应接在螺纹的端子上。这样,在装卸熔芯时不会触电。瓷插式熔断器应垂直安装。
5、配电箱内的交流、直流或不同电压等级的电源,应具有明显的标志。照明配电箱内,应分别设置零线(N线)和保护零线(PE线)汇流排,零线和保护零线应在汇流排上连接,不得绞接,应有编号。
6、导线引出面板时,面板线孔应光滑无毛刺,金属面板应装设绝缘保护套。金属壳配电箱外壳必须可靠接地(接零)。
来源:万众久合电力