交流接触器的工作原理
当线圈通电时,静铁芯产生电磁吸力,将动铁芯吸合,由于触头系统是与动铁芯联动的,因此动铁芯带动三条动触片同时动作,主触点闭合,和主触点机械相连的辅助常闭触点断开,辅助常开触点闭合,从而接通电源。
当线圈断电时,吸力消失,动铁芯联动部分依靠弹簧的反作用力而分离,使主触头断开,和主触点机械相连的辅助常闭触点闭合,辅助常开触点断开,从而切断电源。
交流接触器是只能用在交流线路中的,倘若硬要把交流接触器接在直流上那么其结果必然是烧毁线路严重以至烧毁设备。

交流接触器主要组成部分

(1)电磁系统,包括吸引线圈、动铁芯和静铁芯;
(2)触头系统,包括三组主触头和一至两组常开、常闭辅助触头,它和动铁芯是连在一起互相联动的;
(3)灭弧装置,一般容量较大的交流接触器都设有灭弧装置,以便迅速切断电弧,免于烧坏主触头;
(4)绝缘外壳及附件,各种弹簧、传动机构、短路环、接线柱等。

交流接触器接线方式
接触器上面都有标注(以实际为准)
1L3L5L对应2T4T6T是接主触点
对应的线圈有接线柱A1A2
还有辅助触点对应接就可以
13、14表示这个接触器的辅助触点,NO表示为常开,也就是没通电的情况下13、14是断开的,通电后13、14是闭合的。放在控制电路部分用来自锁(并联在启动按钮上),达到连续运行的目的。

交流接触器接线图

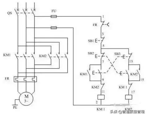
电动机可逆运行控制电路的调试
1、检查主回路路的接线是否正确,为了保证两个接触器动作时能够可靠调换电动机的相序,接线时应使接触器的上口接线保持一致,在接触器的下口调相。
2、检查接线无误后,通电试验,通电试验时为防止意外,应先将电动机的接线断开。故障现象预处理;
1、不启动;原因之一,检查控制保险FU是否断路,热继电器FR接点是否用错或接触不良,SB1按钮的常闭接点是否不良。原因之二按纽互锁的接线有误。
2、起动时接触器“叭哒”就不吸了;这是因为接触器的常闭接点互锁接线有错,将互锁接点接成了自己锁自己了,起动时常闭接点是通的接触器线圈的电吸合接触器吸合后常闭接点又断开,接触器线圈又断电释放,释放常闭接点又接通接触器又吸合,接点又断开,所以会出现“叭哒”接触器不吸合的现象。
3、不能够自锁一抬手接触器就断开,这是因为自锁接点接线有误电动机可逆运行控制电路为了使电动机能够正转和反转,可采用两只接触器KM1、KM2换接电动机三相电源的相序,但两个接触器不能吸合,如果同时吸合将造成电源的短路事故,为了防止这种事故,在电路中应采取可靠的互锁
线路分析如下:

一、正向启动:
1、合上空气开关QF接通三相电源
2、按下正向启动按钮SB3,KM1通电吸合并自锁,主触头闭合接通电动机,电动机这时的相序是L1、L2、L3,即正向运行。
二、反向启动:
1、合上空气开关QF接通三相电源
2、按下反向启动按钮SB2,KM2通电吸合并通过辅助触点自锁,常开主触头闭合换接了电动机三相的电源相序,这时电动机的相序是L3、L2、L1,即反向运行。
三、互锁环节:具有禁止功能在线路中起安全保护作用
1、接触器互锁:KM1线圈回路串入KM2的常闭辅助触点,KM2线圈回路串入KM1的常闭触点。当正转接触器KM1线圈通电动作后,KM1的辅助常闭触点断开了KM2线圈回路,若使KM1得电吸合,必须先使KM2断电释放,其辅助常闭触头复位,这就防止了KM1、KM2同时吸合造成相间短路,这一线路环节称为互锁环节。
2、按钮互锁:在电路中采用了控制按钮操作的正反传控制电路,按钮SB2、SB3都具有一对常开触点,一对常闭触点,这两个触点分别与KM1、KM2线圈回路连接。
例如按钮SB2的常开触点与接触器KM2线圈串联,而常闭触点与接触器KM1线圈回路串联。按钮SB3的常开触点与接触器KM1线圈串联,而常闭触点压KM2线圈回路串联。这样当按下SB2时只能有接触器KM2的线圈可以通电而KM1断电,按下SB3时只能有接触器KM1的线圈可以通电而KM2断电,如果同时按下SB2和SB3则两只接触器线圈都不能通电。这样就起到了互锁的作用。
四、电动机正向(或反向)启动运转后,不必先按停止按钮使电动机停止,可以直接按反向(或正向)启动按钮,使电动机变为反方向运行。
五、电动机的过载保护由热继电器FR完成。