一、电容器的分类
电力电容器按用途可分为8种:
①并联电容器。原称移相电容器。主要用于补偿电力系统感性负荷的无功功率,以提高功率因数,改善电压质量,降低线路损耗。

图片来源:苏州工业园区苏容电气有限公司
②串联电容器。串联于工频高压输、配电线路中,用以补偿线路的分布感抗,提高系统的静、动态稳定性,改善线路的电压质量,加长送电距离和增大输送能力。
③耦合电容器。主要用于高压电力线路的高频通信、测量、控制、保护以及在抽取电能的装置中作部件用。
④断路器电容器。原称均压电容器。并联在超高压断路器断口上起均压作用,使各断口间的电压在分断过程中和断开时均匀,并可改善断路器的灭弧特性,提高分断能力。
⑤电热电容器。用于频率为40~24000赫的电热设备系统中,以提高功率因数,改善回路的电压或频率等特性。
⑥脉冲电容器。主要起贮能作用,用作冲击电压发生器、冲击电流发生器、断路器试验用振荡回路等基本贮能元件。
⑦直流和滤波电容器。用于高压直流装置和高压整流滤波装置中。
⑧标准电容器。用于工频高压测量介质损耗回路中,作为标准电容或用作测量高压的电容分压装置。
在电力系统中分高压电力电容器(6KV以上)和低压电力电容器(400V);低压电力电容器按性质分油浸纸质电力电容器和自愈式电力电容器,按功能分普通电力电容器和智能式电力电容器。
二、串并联的电容器作用
1、串联电容器的作用 串联电容器串接在线路中,其作用如下:
(1) 提高线路末端电压。串接在线路中的电容器,利用其容抗xc补偿线路的感抗xl,使线路的电压降落减少,从而提高线路末端(受电端)的电压,一般可将线路末端电压最大可提高10%~20%。
(2) 降低受电端电压波动。当线路受电端接有变化很大的冲击负荷(如电弧炉、电焊机、电气轨道等)时,串联电容器能消除电压的剧烈波动。这是因为串联电容器在线路中对电压降落的补偿作用是随通过电容器的负荷而变化的,具有随负荷的变化而瞬时调节的性能,能自动维持负荷端(受电端)的电压值。
(3) 提高线路输电能力。由于线路串入了电容器的补偿电抗xc,线路的电压降落和功率损耗减少,相应地提高了线路的输送容量。
(4) 改善了系统潮流分布。在闭合网络中的某些线路上串接一些电容器,部分地改变了线路电抗,使电流按指定的线路流动,以达到功率经济分布的目的。
(5) 提高系统的稳定性。线路串入电容器后,提高了线路的输电能力,这本身就提高了系统的静稳定。当线路故障被部分切除时(如双回路被切除一回、但回路单相接地切除一相),系统等效电抗急剧增加,此时,将串联电容器进行强行补偿,即短时强行改变电容器串、并联数量,临时增加容抗xc,使系统总的等效电抗减少,提高了输送的极限功率(Pmax=U1U2/xl-xc),从而提高系统的动稳定。
2、并联电容器的作用
并联电容器并联在系统的母线上,类似于系统母线上的一个容性负荷,它吸收系统的容性无功功率,这就相当于并联电容器向系统发出感性无功。因此,并联电容器能向系统提供感性无功功率,系统运行的功率因数,提高受电端母线的电压水平,同时,它减少了线路上感性无功的输送,减少了电压和功率损耗,因而提高了线路的输电能力。
三、电力电容的注意事项
1、安装电容器时,每台电容器的接线最好采用单独的软线与母线相连,不要采用硬母线连接,以防止装配应力造成电容器套管损坏,破坏密封而引起的漏油。
2、电容器回路中的任何不良接触,均可能引起高频振荡电弧,使电容器的工作电场强度增大和发热而早期损坏。因此,安装时必须保持电气回路和接地部分的接触良好。
3、较低电压等级的电容器经串联后运行于较高电压等级网络中时,其各台的外壳对地之间,应通过加装相当于运行电压等级的绝缘子等措施,使之可靠绝缘。
4、电容器经星形连接后,用于高一级额定电压,且系中性点不接地时,电容器的外壳应对地绝缘。
5、电容器安装之前,要分配一次电容量,使其相间平衡,偏差不超过总容量的5%。当装有继电保护装置时还应满足运行时平衡电流误差不超过继电保护动作电流的要求。
6、对个别补偿电容器的接线应做到:对直接启动或经变阻器启动的感应电动机,其提高功率因数的电容可以直接与电动机的出线端子相连接,两者之间不要装设开关设备或熔断器;对采用星—三角启动器启动的感应式电动机,最好采用三台单相电容器,每台电容器直接并联在每相绕组的两个端子上,使电容器的接线总是和绕组的接法相一致。
7、对分组补偿低压电容器,应该连接在低压分组母线电源开关的外侧,以防止分组母线开关断开时产生的自激磁现象。
8、集中补偿的低压电容器组,应专设开关并装在线路总开关的外侧,而不要装在低压母线上。
四、电力电容器的保护与选型
☑ 电力电容器的特点是工作场强高、基板面积大,在电力系统中得到广泛的使用。
☑ 在实际运行中,电力电容器的个别单元或者个别元件在内外因素的作用下发生故障击穿是难以避免的。为了防止的事故的扩大,保证正常运行的电容器中的完好单元和完好元件能够继续运行,有必要及时将这些击穿的元件或者故障单元从正在运行的单元或电容器组中切除。
☑ 上述要求通常可以通过在电容器单元内部设置内熔丝保护或者外部设置外熔丝保护来实现。为了确保电力电容器在电力系统的安全运行,正确、可靠的熔丝保护是十分重要的。
☑ 在此和大家一起分析探讨电力电容器熔丝保护的原理和动作过程,供大家参考。
内熔丝电力电容器内部接线方式

图a的形式不宜采用
下面以图b所示的内熔丝电容器进行分析

内熔丝电力电容器内部接线方式
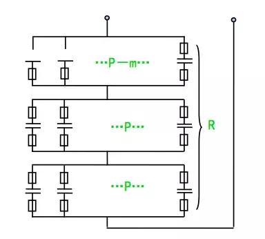
下图为正常运行的内熔丝电容器单元内部结构图,定义为C1:

P为内部电容元件并联数
R为内部电容元件串联数
每只电容器元件的电容量为C
正常情况下电容器单元总电容:
C1=(P/R)*C (1)
在每个电容器元件上压降为:
U1=U/R (2)
流过每个电容器元件的电流为:
I1=(U/R)*ωC (3)

电容器单元中在同一并联支路有m个电容器元件击穿其内熔丝熔断开路时如左图所示,定义为C2:
• 则电容器单元总电容
C2=(PC/(R-1))*(P-m)*C/PC/(R-1)+(P-m)*C
=C*(P²-Pm)/(PR-Rm+m) (4)
• 流过击穿电容器元件并联组余下的电容器元件的电流为:
I2=ωC2*U/(P-m)=P*ωC*U/(PR-Rm+m)
=I1*PR/(PR-Rm+m) (5)
• 同样在这些余下的电容器元件的压降为:
U2=I2/ωC=U*P/(PR-Rm+m)
=U1*PR/(PR-Rm+m) (6)
式(5)、(6)说明在电容器内部并联组有m个电容器元件击穿的情况下,该并联组余下的电容器元件上的电压和电流均升高了PR/(PR-Rm+m)倍。