来源:变压器技术杂志
共轭结构整流变压器低压输出三排八列短网结构引线布置
康洁,牛振忠
康洁.青岛华东电缆电器有限公司
牛振忠.青岛青波变压器股份有限公司
摘要:介绍一种共轭铁心整流变压器低压输出为三排八列短网结构的引线布置结构。其特点是利用油箱侧壁布置低压引线,与器身引线结合,构成完整的低压引线布置,结构简单易行。
关键词:变压器:整流:引线结构
1 引言
为降低产品的材料成本,提高产品的市场竞争能力,在碳化硅行业用12脉波整流变压器设计过程当中,我们选择了共轭结构的整流变压器设计方案。用户要求整流变压器的低压阀侧出线方式为12脉波同相逆并联方式,并且整流变压器要与整流柜直接进行短网连接,即整流变压器低压阀侧要在油箱侧面出线,并做成三排八列的方式,与整流柜直接相连,无中间连接铜排或铝排,以降低引线压降损失。
如将整流柜设计成和共轭结构的整流变压器一样的上下两部分,做成六排四列的引出方式,虽然方便了整流变压器的出线,但由于整流柜自身的重量较大,且也给整流柜与整流变压器的连接和日常维护带来一定的困难,故只能使两台整流柜并列放置,做成三排八列的方式,这样就给共轭结构的整流变压器低压引出线的设计带来一定的困难。为此,我们想出了在设计当中将低压引线的出线连接铜排布置在油箱侧面的出线结构,简化了器身低压引线的引出难度,很好的解决了低压引线问题。
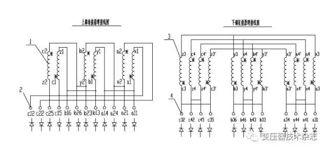
2 低压引线的原理接线图
本台整流变压器由两台共轭的整流变压器组成,上部整流变压器的联结组别为Yd11,下部整流变压器的联结组别为Yyn0,上下两台整流变压器高压绕组连接方式相同,两低压绕组联结后形成30°角差,使得整体整流变压器输出12脉波。
采用二次移相的方法,由于星角绕组线电压之间存在差别,必然在二组整流元件之间产生环流。为此可采用相控调压的方法(晶闸管相控或自饱和电抗器相控)使两组整流器的输出电压相等,从而消除二组整流器之间的环流。
在大功率整流设备中,整流变压器的二次电流很大,致使二次引线电抗及电抗压降增大,功率因数降低,并可能引起引线及出线端子周围产生局部过热现象。与此同时,整流元件之间的电流分配也可能出现不平衡现象。为了克服上述缺点,通常采用同相逆并联的方法。所谓同相逆并联是将同一相的整流元件分成两个电流相反的并联支路,这两个支路的引线相邻布置。这样一来,这两个支路引线的电流在任何瞬间都是大小相等方向相反的。这样就大大降低了引线电抗,从而使整流设备的功率因数提高,并使整流元件的电流分配趋于平衡。

图1 共轭结构整流变压器低压绕组连接原理接线图
图中:1-低压d接a、b、c同相逆并联绕组;2-低压d接出线端子;3-低压y接a、b、c同相逆并联绕组;4-低压y接出线端子。

图2 同相逆并联整流电路原理图
图左为角接整流同相逆并联原理图,图右为星接整流同相逆并联原理图。
对低压阀侧出线端子的编号有如下规定:对同相逆并联,用a1、b1、c1表示正极性绕组出线端子,用a2、b2、c2表示反极性绕组出线端子。联结整流元件的出线端子,字母后下标第一个阿拉伯数字表示整流桥的组号,第二个数字表示整流元件的导电顺序,二组导电顺序相同的出线端子即为同相逆并联端子。
从图1共轭结构整流变压器低压绕组连接原理接线图中可以看出,上部低压绕组为角接同相逆并联结构,下部低压绕组为星接同相逆并联结构,其联结组别形成30°角差,每组低压绕组输出12个端子。
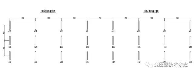
3 低压出线端子排列方式
低压出线铜排三排八列在油箱侧壁的排列方式见下图:

图3 低压出线铜排在油箱侧壁的排列方式
由于共轭结构的两台整流变压器器身为上下布置,而低压出线铜排的排列方式则为左右布置,且铜排之间间距较大,这样就给低压引线的排列布置带来了一定的困难。
如果在器身上直接布置低压引线,由于连接引线铜排较长,铜排重量也较重,在器身上固定引线铜排也较为困难。在这种情况下,提出了将低压引线铜排与在油箱侧壁引出的低压出线铜排间的连接铜排固定在油箱侧壁上,与器身铜排连接时采用螺栓连接。即采用这种低压引线布置方式,就是将低压引线布置分成两部分,一部分在器身上,另外与油箱侧壁低压出线铜排的连接部分铜排则固定在油箱侧壁上,并直接与低压出线铜排连接,使在器身上的低压引线布置简单化,变压器总装配过程也简单。
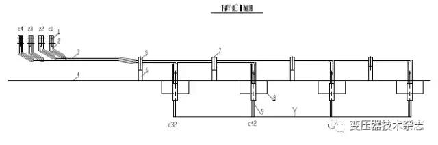
4 低压引线布置
低压引线布置图如下图所示:

图4 低压引线布置示意图
图中:1-低压d接连排 2-高压有载分接开关 3-低压d接绕组汇流排 4-低压y接绕组汇流排 5- 低压y接中性点连排 6-低压d接a、b、c出线端子部分,共12个 7-低压出线部分到箱壁出线端子连接铜排,固定在箱壁上 8-低压y接a、b、c出线端子部分,共12个 9-低压出线端子

图5 低压引线连接铜排箱壁固定示意图
图中:1-低压汇流排 2-低压接线片 3-低压汇流排与箱壁出线端子间的连接铜排 4-油箱箱壁 5-固定木件 6-箱壁固定支架 7-固定螺栓 8-箱壁出线端子隔磁出线盒 9-低压出线端子
图5是共轭整流变压器下部y接c相的箱壁固定连接铜排示意图,其它相的箱壁连接铜排固定亦可按此思路进行布置。
从图4和图5中可以看出,在器身部分的低压引线中,在共轭整流变压器上部角接部分,用连接铜排将各相出线汇流排连接形成角接;在共轭整流变压器下部星接部分,用连接铜排将各相出线汇流排连接成星接。在油箱侧壁则布置固定从器身低压引线出线部分到箱壁出线端子间的连接铜排,连接铜排两端焊有软铜带,以便于和器身低压铜排和箱壁出线铜排的连接。
按照上述的设计方法,将低压引线分成两部分,一部分在器身上,另一部分在油箱侧壁上,这样可以大大简化低压引线的布置,并且在操作上可以分开进行,在器身干燥后的总装配工序将两者连接到一起。
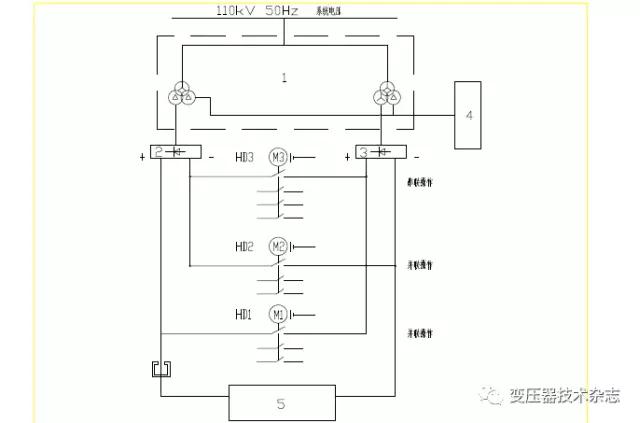
5 低压串并联方式
在实际应用中,可以将两组整流器的输出组成串并联方式,这样一来,可使整流器的输出在并联时直流电压低、电流大,在串联时,直流电压高,电流小,扩大了整流设备的使用范围,其整流器组的串并联方式原理图见图6。

图6 串并联系统原理图
图中:1-整流变压器 2-阀侧d接输出整流柜 3-阀侧y接输出整流柜 4-消谐装置 5-碳化硅冶炼设备 HD1、HD2、HD3-电动倒换开关
在系统原理图中,将HD3开关打开,HD1和HD2闭合,这时两台整流柜的运行方式为并联运行,整流输出直流电压低,电流大;将HD3闭合,HD1和HD2开关打开,这时两台整流柜的运行方式为串联运行,整流装置输出直流电压高,电流小。
6 结束语
综上所述,在共轭结构整流变压器低压输出12脉波的同相逆并联状况下,低压阀侧出线端子为三排八列短网结构。将低压引线分成两部分,一部分在器身上形成,另一部分则固定在油箱侧壁,并与出线铜排相连接,大大简化低压引线的布置,也有利于总装配工序的完成,确保和提高产品质量和运行可靠性。
在实际应用中,也可以将两组整流器的输出组成串并联方式,这样一来,可使整流器的输出在并联时直流电压低、电流大,在串联时,直流电压高,电流小,扩大了整流设备的使用范围
此开发产品已获得国家知识产权局颁发的发明专利证书,专利号为:ZL201110345863.9,专利名称为“12脉波整流变压器低压引线布置结构”。
参考文献:
[1] 崔立君主编. 特种变压器理论与设计[M].北京:科学技术文献出版社.1995
[2] 刘传彝.电力变压器设计计算方法与实践[M].沈阳:辽宁科学技术出版社.2002
[3] 钱长生等.24脉波整流变压器电流的谐波计算分析[J] 变压器,2007,44(12):1-7
[4] 整流变压器常用方式的结构特点[J]. 变压器,2008,45(3):6-12
[5] 单机24脉波共轭整流变压器的结构[J] 变压器,2011,48(5):15-19