#SaSa讲知识#
上次讲了篇“哪位大侠敢在微波炉里放金属!”
这次,再继续讲#微波炉#。

然而,上次有同学买了个#网络ap#,结果放了杯水,把水弄热了。这是怎么回事?
首先,#微波#大家都知道,就是频率在300MHz-300GHz之间的电磁波。
那把水弄热,其实就是水自己的缘故。
一个水分子上面有一个氧原子和两个氢原子,因为这两个元素不同,氧非金属性强,然后再氢和氧之间形成极性共价键。而且,水分子之间会形成氢键。

然而,当有电磁波时,因为水是极性分子,所以水会动起来。

越运动,产生热量越多。这个原因我不说了。
然后讲微波炉原理。
里面,一个发射器,一个变压器,一个整流器,一个温控时间开关,一个电容,一个风扇,一个转盘电机,一个电阻,没了。
温控时间开关我不讲了,自己领悟。
里面结构大概长这样:

图看不清正常,我会好好分析。
首先,要知道一个变压器公式,就是:
初级变压器圈数*初级电压=次级变压器圈数*次级电压
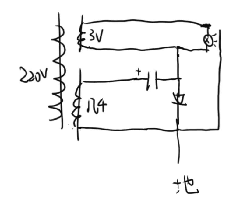
变压器输入1个220v,输出2条路,一条对发射器(原名磁控管)中间的灯泡,电压巨低,才3.3v。
灯泡干什么的?
在发射器里面,有一个灯泡,在通电条件下,会变得很烫,然后电子耐不住了,有的会跑出去,所以俗称灯泡为阴极。

那么另一条,是升压的,一口气直接升到几千伏。
它呢,又很牛,在电容和二极管整流下,变成更高压的直流电。
然后,它正极接发射器外壳,变成阳极(实际上是接地,而磁控管外壳也接地,所以接在一起),负极接灯泡(借灯泡很烫,让更多电子在灯丝处飞出去)。所以,发射器里面的灯泡和阳极产生巨大的电压差。

然后讲发射器(也称磁控管)
阴极阳极都说过了,讲里面原理。
发射器里的阴极电子会射到阳极上,就会产生电流,电流会产生磁场。

为了让电子运动速度慢,上面和下面装了2个永磁体,因为电子运动时会产生磁场,所以电子就会越运动越慢。

但是,为了让它转起来,所以,我们阳极不能设计成这样,我们要搞点凹槽。
电子在突出部分,会扰乱阳极磁场,阳极上突出的电子会被挤到另一个突出上,然而,正电荷也会被挤,如图。

然后呢,电子就一直挤,后面的电子有羊群效应,跟着方向挤(实际上是电子因为排斥阳极上的电子从而动起来)

最后,因为转速很快,所以磁场变化很快,就会产生微波。
通过阳极的一个天线传出来就好了。

最后,我和大家说,电路图其实就这样:

就靠下面的整流装置提供高压,而小灯泡只是让电子射出去。
所以,其实这很简单,不复杂的。
参考资料来源
1.物理必修一
2.物理必修二
3.物理必修三
4.化学必修一
5.生物必修一
6.微波炉电路图
7.微波炉磁控管拆卸视频
8.微波炉拆卸视频
9.微波炉变压器原理
10.网上搜索更多资料