按钮接触器双重互锁正反转的电气原理图及实物接线图的详细解说
1) 按钮接触器双重互锁正反转的电气原理图:

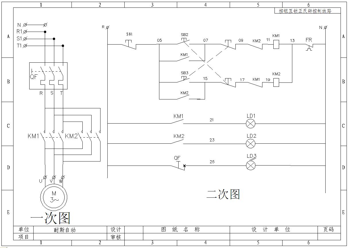
对电气原理图的详解:N零线,R1、S1、T1为三相进线电源,QF为空气开关,FR为热继电器的常闭点(此处为DZ108-20空开的常开触点),KM为接触器,辅助触点的型号是F4-11,3M~为三相异步电动机。
备注:电气原理图接触器线圈电压为AC220V。
2) 按钮接触器双重互锁正反转的实物连线图:

下面对按钮互锁正反转的实物连线图进行详解:
下面对线的颜色进行讲解:
黄色(粗)代表三相电R,绿色(粗)代表三相电S,红色(粗)代表三相电T,黑色(粗)代表零线,粉色线代表二次回路的控制线。
下面讲解控制回路:
首先将DZ108-20空开的绿色按钮按下,此时如果按下正转启动按钮SB2(绿色按钮),回路中的正转接触器KM1会立即得电吸合,同时正转接触器KM1的常开触点也闭合,实现自锁的功能,整个回路导通,即使此时松开启动按钮,接触器不会断开,也就是三相异步电动机照样正向运行,正转运行指示灯LD1点亮。如果此时按下停止按钮SB1(红色按钮)正转接触器KM1立刻断开,同时正转运行指示灯LD1熄灭,三相异步电动机停止运转。同理,此时如果按下反转启动按钮SB3(绿色按钮),回路中的反转接触器KM2会立即得电吸合,同时反转接触器KM2的常开触点也闭合,实现自锁的功能,整个回路导通,即使此时松开启动按钮,接触器不会断开,也就是三相异步电动机照样反向运行,反转运行指示灯LD2点亮。如果此时按下停止按钮SB1(红色按钮)反转接触器KM2立刻断开,同时反转运行指示灯LD2熄灭,三相异步电动机停止运转。如果三相异步电动机超负荷运转导致电流过载,空开就会自动断开,此时,控制回路断开,接触器失电断开,电动机停止运转,起到过载保护功能,此时,空开常闭点闭合,跳闸报警指示灯报警,通知用户此回路出现问题。
备注:此实物连接图中选用的空开为DZ108-20型,接触器为CJX2-2510,线圈电压为AC220V,选接触器时线圈电压千万不要选错,切记切记,报警灯线圈电压为AC220V.
按钮接触器双重互锁的控制线路较接触器互锁和按钮互锁控制线路更加严密,从安全角度来说,安全系数应该更大些,但是从维修维护上来说,线路越是复杂出线故障的频率越高。
希望本文能帮助朋友们,下一个将给大家录制本次控制的录屏视频,敬请大家交流学习,在以后的文章中将继续更多的实用电路讲解,希望朋友们能够互相学习。