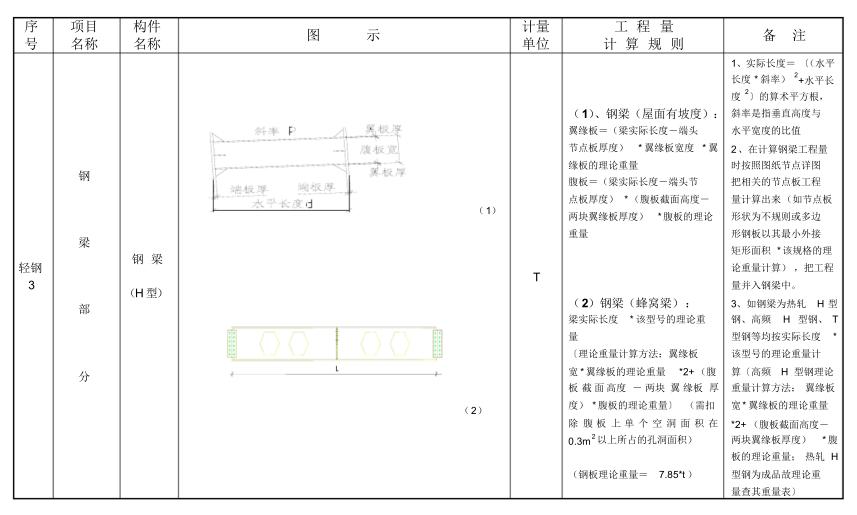
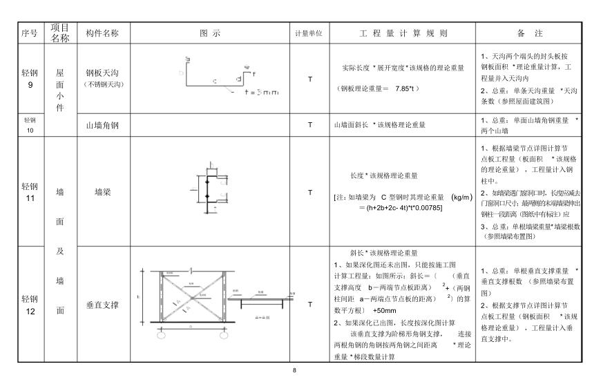
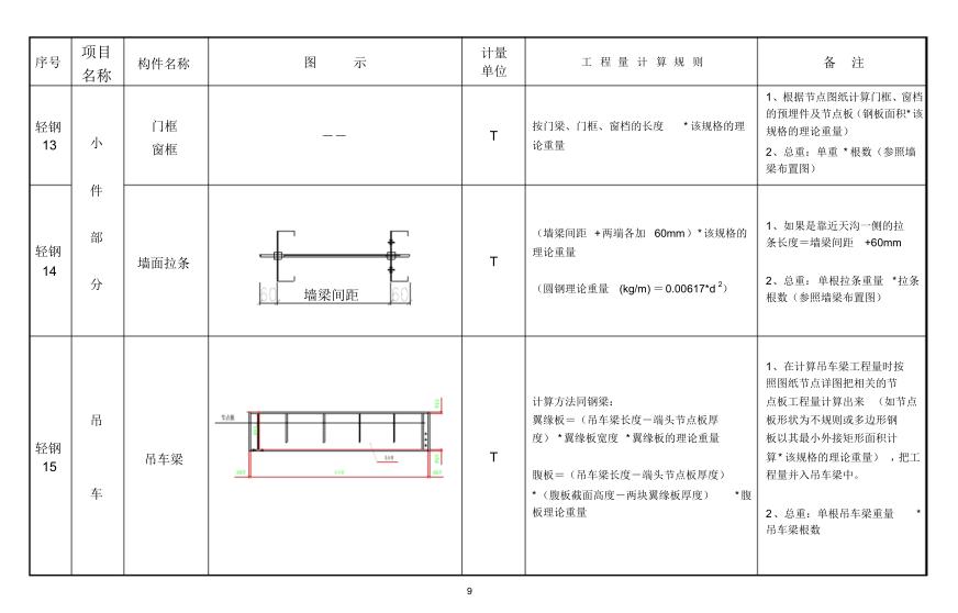
以钢材制作为主的结构,是主要的建筑结构类型之一。钢材的特点是强度高、自重轻、整体刚性好、变形能力强,故用于建造大跨度和超高、超重型的建筑物特别适宜;材料匀质性和各向同性好,属理想弹性体,最符合一般工程力学的基本假定;材料塑性、韧性好,可有较大变形,能很好地承受动力荷载;建筑工期短;其工业化程度高,可进行机械化程度高的专业化生产。钢结构今后应研究高强度钢材,大大提高其屈服点强度;此外要轧制新品种的型钢,例如H型钢(又称宽翼缘型钢)和T形钢以及压型钢板等以适应大跨度结构和超高层建筑的需要。
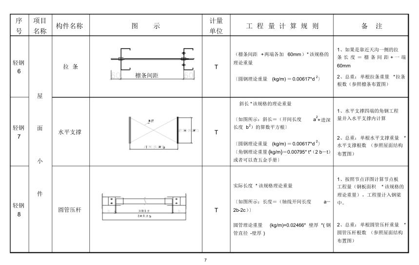
1、 圆钢 每 m重量=0.00617 ×直径×直径
2、 方钢每 m重量=0.00786 ×边宽×边宽
3、 六角钢每 m重量 =0.0068×对边直径×对边直径
4、 八角钢每 m重量 =0.0065×直径×直径
5、 螺纹钢 每 m重量 =0.00617×直径×直径
6、 等边角钢每 m重量 =边宽×边厚× 0.015
7、 扁钢每 m重量=0.00785 ×厚度×宽度
8、 无缝钢管每 m重量 =0.02466×壁厚× ( 外径- 壁厚)
9、 电焊钢每 m重量 =无缝钢管
10、钢板每 ㎡重量=7.85×厚度
11、黄铜管:每米重量 =0.02670* 壁厚 *(外径 - 壁厚)
12、紫铜管:每米重量 =0.02796* 壁厚 *(外径 - 壁厚 )
13、铝花纹板:每平方米重量 =2.96* 厚度
14、有色金属比重:紫铜板 8.9 黄铜板 8.5 锌板 7.2 铅板 11.37
15、有色金属板材的计算公式为:每平方米重量 =比重 *厚度
方管: 每米重量 =(边长 +边长 )×2×厚× 0.00785
不等边角钢 每米重量 =0.00785×边厚 ( 长边宽 +短边宽 -- 边厚 )
工字钢 每米重量 =0.00785×腰厚 [ 高+f (腿宽 - 腰厚) ]
槽钢 每米重量 =0.00785×腰厚 [ 高+e(腿宽 - 腰厚) ]






















