自从品牌副标由“HiFi & Smart”改成“Camera & Music”之后,vivo有一阵子不再刻意强调手机HiFi的属性了,也不再使用昂贵的顶级音频解码芯片,转而在音乐内容以及音效方面下功夫。虽然在手机行业内凭借多年积累的调音经验依旧保持着绝对的优势,但往昔诸如在XPlay 6上创造的经典声音却再也没有复现过。讲真,心里多多少少还是有些许遗憾的,好在vivo如今依旧坚持保留3.5mm耳机接口,这点让人感觉十分的暖心。
也曾分析过顶级音频解码芯片为什么在XPlay 6之后戛然而止了,想必一是因为成本的原因,二是因为耗电的原因,三是用户喜好改变的原因。毕竟长一对金耳朵的用户少之又少,但多数用户对程序运行速度、操作界面流畅度这类会更加的敏感,感受也更加的直观。从解码芯片省下来的成本投入到别的地方,比如更快的主处理器,更大的内存,甚至是效果更好的摄像头,可能更容易讨到消费者的欢心。

所以本篇关于vivo子品牌新机iQOO Pro 5G的音质评测,我要先泼一点冷水了,那就是它依然没能超过XPlay 6的音质水平。然而有意思的是从目前的市场表现来看,它却远比XPlay 6当时发售要来的火爆。抛开5G的因素,最吸引人眼球的可能就是将高品质声音融入游戏这一做法了。
以往的vivo手机,HiFi仅仅只在听歌、看电影的场景里出现,但iQOO Pro 5G的HiFi却是可以在游戏场景中调用的,它能够增强游戏里的角色定位感和环境包围感,从而实现沉浸式的游戏声音体验。我的手上正好有一部vivo X27手机,同样的游戏对比了下,iQOO Pro 5G的音效更加逼真,尤其是分辨脚步声传来的方向,要比X27更容易听辨出来。

当然了与游戏比起来,我更感兴趣的是用iQOO Pro 5G欣赏音乐。初听之下,比我用过小半年时间的X20要好一些,尤其是在推大阻抗耳机时,iQOO Pro 5G的细节会显得更加丰满一些。

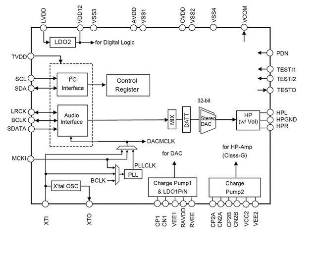
其实从解码芯片型号来看,iQOO Pro 5G与此前发布的X27 Pro完全一致,都采用了AKM专门为便携式设备开发的低功耗高品质DAC芯片——AK4377A。这款芯片最高支持32bit/384KHz解码,其内置了32bit数字滤波器和Class-G类耳机放大器,所以并不需要太复杂的外围器件搭配。并且它本身的封装面积很小,只有2.56×2.74(mm),这主要归功于先进的CSP封装工艺,封装比达到了1:1.14,面积仅为BGA封装的1/3、TSOP封装的1/6,体积小的优点有很多,比如电气性能好(内部芯片与外壳布线间连线长度短,信号传输延迟短)、热性能好(芯片很薄散热更快)、占板面积小等等。
AK4377A功能框图

与前作AK4376A相比,AK4377A最大的改进在于解决了高功率输出时的失真问题,即便功率全开,以25mW(32欧姆)的全功率输出,其总谐波失真加噪声也能达到-106dB,就是说即便大音量*放播**,AK4377A也能保持原始的声音品质。
AK4377A拥有4种选择声音颜色的数字滤波器,并且支持2种运行模式,分别是高性能模式和低功耗模式,调音上会更加自由。在16欧姆阻抗下AK4377A的最大输出功率可达60 mW;在32欧姆阻抗下最大输出功率也能达到25mW,而如果以10mW的功率输出,它的总谐波失真加噪声能达到-107dB,信噪比更是高达125dB。AK4377A输出的模拟音量从+6dB到-20dB,以每2dB为一个最小调节单位进行改变。

便携式音频设备往往对功耗十分看重,所以解码芯片功耗一定不能太大,AK4377A可在1.7V到1.9V的超低电压下工作,同样的电量能够维持更久的续航时间,再加上它低失真宽动态的声音特性,所以现在被各类便携设备所广泛采用,包括一些独立的便携蓝牙解码器。
当然了解码芯片就好比是未加工的食材,具体表现如何还要看工程师(厨师)的手艺,这方面vivo的技术积累是深厚的,毕竟从引领手机HiFi开始至今,依旧保持着老大的地位,就能说明一些问题了。

先拿UM Martian搭配iQOO Pro 5G听一听,就用系统自带的“i音乐”*放播**,所有试听曲目均为无损音乐文件或者DSD。初听之下,感觉既陌生又熟悉,仔细想了想,这不就是以前iPod nano的那种白开水味道吗?音色清澈、淡然,甚至偶尔还有一点点冷艳。声场微微有点儿偏小,所以听起来不那么开阔,但声底却是非常的干净,干净到Martian这副耳机本身自带的染色都消失了。所以听起来平平稳稳的,始终都有一种内敛的感觉。这与我认识的vivo或者说iQOO可不一样。

后来一个偶然的机会,我在系统设置里翻出了“人耳定制音效”选项,这里预置了三个音效示例,分别是30岁以下、30至60岁、60岁以上。于是挨个儿试了试,这一试仿佛找到了世外桃园一般,iQOO Pro 5G的音色完全变了个味儿,变得很有感染力,变得耐听了不少。30岁以下这个选项增强了低频段以及中高频段,使得声音变厚重了,并且低频量翻倍,弹性更加的丰盈,中高频也饱满了不少,甚至有种叠加的错觉,音色整体上醇香浓郁,所以更容易抓住耳朵。与关闭音效相比,唯独在清澈这一点上仍有所欠缺。

30岁至60岁的声音品质是三个选项中我认为最好的,低频有点儿提升,中频有点儿提升,高频也有点儿提升,但中低频和中高频基本上没怎么变,所以呈现出的是一种有锐化效果的声音,主次比较分明,声音有亮度也有深沉度,适应的曲风也更杂一些。

最后是60岁以上,有种80年代西北风的意境,中频特别的突出,低频属于将就够用,高频则有所欠缺,所以听起来比较宏伟,气势显得很足。虽说不是我喜欢的音效,但年龄稍大点的对高频感知能力下降的用户可能会喜欢吧。

换上了SoundMagic大耳机HP1000,音量需要开的稍微大一些,从我对这副耳机的了解,iQOO Pro 5G算是推出了7、8成的功力,当然了前提是打开人耳定制音效,并调到30岁以下选项上,三频基本就均衡了,而且听感还不错,水水的,润润的,别有一番味道。HP1000比较考验前端,能伺候好它的*放播**器都不多,iQOO Pro 5G能推出这样的水平属实不容易,这个人耳定制音效还真是强大,给人耳定制音效的工程师点个赞。

最后想起了iQOO Pro 5G的包装盒里有一副耳塞,我记得产品经理曾说过,这副耳塞是专为iQOO Pro 5G定制的,价值299元人民币,所以有必要拿出来听听看。先聊佩戴,平头式的佩戴方式,直接塞进耳朵就行了,很小很轻所以舒适度不错,尽管谈不上如若无物,但戴着听半个小时不会有什么问题,这还是对耳塞比较敏感的我的实际感受,普通大众用户而言听一两个小时应该问题不大。

听了iQOO Pro 5G原配塞真是印证了一句话:生活处处有惊喜。典型的微动圈耳塞声音,有丁点儿动铁的味道,高频相对调的比较亮,低频量感上欠缺,但由于中频清新,所以听起来并不别扭。遇上女声这副耳塞味道有点儿小毒,鼻音处理的很有韵味。如果通勤使用的话,这副原配塞还真是可以,但它并不能发挥出iQOO Pro 5G全部的实力。还有就是人耳定制音效必须打开并且最好选择30岁以下才能达到以上我所描述的这种表现。

讲了这么多关于iQOO Pro 5G的音质,不难发现“人耳定制音效”的重要性,这里我似乎也理解了为什么vivo敢于放弃顶级解码芯片,仅仅只是采用AK4377A这个级别解码芯片也能称霸手机HiFi圈的原因所在了。从声音硬素质上来说,它真的距离XPlay 6很远。但从听感上来说,打开人耳定制音效后还是很不错的,尤其对于大众消费者,真的不太容易区分出来。

最后就是*放播**DSD了,我试了2.8MHz的DSD64以及5.6MHz的DSD128两种规格,都能正常解码,而且听感比较优秀,即便是用原配塞,也能感受到DSD那种无比顺滑的声音品质。还有就是人耳定制音效对DSD不起作用,但无需担心,因为本身的听感比我在某些音频*放播**器上听到的还要更好一些,这个绝对值得后续再深入研究,此处就停笔了。