在机电控制系统中,虽然利用接触器作为电气执行元件可以实现最基本的自动控制,但对于稍复杂的情况就无能为力。在极大多数的机电控制系统中,需要根据系统的各种状态或参数进行判断和逻辑运算,然后根据逻辑运算结果去控制接触器等电气执行元件,实现自动控制的目的。这就需要能够对系统的各种状态或参数进行判断和逻辑运算的电器元件,这一类电器元件就称为继电器。
继电器实质上是一种传递信号的电器,它是一种根据特定形式的输入信号转变为其触点开合状态的电器元件。一般来说,继电器由承受机构、中间机构和执行机构三部分组成。承受机构反映继电器的输入量,并传递给中间机构,与预定的量(整定量)进行比较,当达到整定量时(过量或欠量),中间机构就使执行机构动作,其触点闭合或断开,从而实现某种控制目的。
继电器作为系统的各种状态或参量判断和逻辑运算的电器元件,主要起到信号转换和传递作用,其触点容量较小。所以,通常接在控制电路中用于反映控制信号,而不能像接触器那样直接接到有一定负荷的主回路中。这也是继电器与接触器的根本区别。
继电器的种类很多,按它反映信号的种类可分为电流、电压、速度、压力、温度等;按动作原理分为电磁式、感应式、电动式和电子式;按动作时间分为瞬时动作和延时动作。电磁式继电器有直流和交流之分,它们的重要结构和工作原理与接触器基本相同,它们各自又可分为电流、电压、中间、时间继电器等。下面介绍几种常用的继电器。

1. 中间继电器
中间继电器是用来转换和传递控制信号的元件。他的输入信号是线圈的通电断电信号,输出信号为触点的动作。它本质上是电压继电器,但还具有触头多(多至六对或更多)、触头能承受的电流较大(额定电流5A~10A)、动作灵敏(动作时间小于0.05s)等特点。中间继电器的图形符号如图6.28所示,其文字符号用KA表示。
中间继电器的主要技术参数有额定电压、额定电流、触点对数以及线圈电压种类和规格等。选用时要注意线圈的电压种类和规格应和控制电路相一致。
2. 电压继电器
电压继电器是根据电压信号工作的,根据线圈电压的大小来决定触点动作。电压继电器的线圈的匝数多而线径细,使用时其线圈与负载并联。按线圈电压的种类可分为交流电压继电器和直流电压继电器;按动作电压的大小又可分为过电压继电器和欠电压继电器。
对于过电压继电器,当线圈电压为额定值时,衔铁不产生吸合动作。只有当线圈电压高出额定电压某一值时衔铁才产生吸合动作,所以称为过电压继电器。交流过电压继电器在电路中起过压保护作用。而直流电路中一般不会出现波动较大的过电压现象,因此,在产品中没有直流过电压继电器。
对于欠电压继电器,当线圈电压达到或大于线圈额定值时,衔铁吸合动作。当线圈电压低于线圈额定电压时衔铁立即释放,所以称为欠电压继电器。欠电压继电器有交流欠电压继电器和直流欠电压继电器之分,在电路中起欠压保护作用。
电压继电器的图形符号如图6.29所示,其文字符号用KV表示。图中左边线圈符号为过电压线圈符号,右边线圈符号为欠电压线圈符号。
3. 电流继电器
电流继电器是根据电流信号工作的,根据线圈电流的大小来决定触点动作。电流继电器的线圈的匝数少而线径粗,使用时其线圈与负载串联。按线圈电流的种类可分为交流电流继电器和直流电流继电器;按动作电流的大小又可分为过电流继电器和欠电流继电器。
对于过电流继电器,工作时负载电流流过线圈,一般选取线圈额定电流(整定电流)等于最大负载电流。当负载电流不超过整定值时,衔铁不产生吸合动作。当负载电流高出整定电流时衔铁产生吸合动作,所以称为过电流继电器。过电流继电器在电路中起过流保护作用特别是对于冲击性过流具有很好的保护效果。
对于欠电流继电器,当线圈电流达到或大于动作电流值时,衔铁吸合动作。当线圈电流低于动作电流值时衔铁立即释放,所以称为欠电流继电器。正常工作时,由于负载电流大于线圈动作电流,衔铁处于吸合状态。当电路的负载电流降至线圈释放电流值以下时,衔铁释放。欠电流继电器在电路中起欠电流保护作用。在交流电路中需要欠电流保护的情况比较少见,所以产品中没有交流欠电流继电器。而在某些直流电路中,欠电流会产生严重的不良后果,如运行中的直流他励电机的励磁电流,因此有直流欠电流继电器。
电流继电器的图形符号如图6.30所示,其文字符号用KA表示。图中左边线圈符号为过电流线圈符号,右边线圈符号为欠电流线圈符号。

4. 时间继电器
时间继电器是一种从得到输入信号(线圈的通电或断电)开始,经过一个预先设定的时延后才输出信号(触点的闭合或断开)的继电器。根据延时方式的不同,可分为通电延时继电器和断电延时继电器。
通电延时继电器接受输入信号后,延迟一定的时间输出信号才发生变化。而当输入信号消失后,输出信后瞬时复位。通电延时继电器的图形符号如图6.31所示,其文字符号用KT表示。
断电延时继电器接受输入信号后,瞬时产生输出信号。而当输入信号消失后,延迟一定的时间输出信号才复位。断电延时继电器的图形符号如图6.32所示,其文字符号用KT表示。

时间继电器按工作原理分为电磁式、电动式、空气阻尼式和电子式等。电磁式、电动式、空气阻尼式是传统的时间继电器,在早期的机电系统中普遍采用,但其存在着定时精度低、故障率高等问题。电子式时间继电器是新型的时间继电器,发展非常迅速。由于电子技术的飞速发展,使得电子式时间继电器的制造成本与传统的时间继电器相当,但其性能大大提高,功能不断扩展,所以是现在和将来时间继电器的主流。
电子式低压电器和智能电器
接近开关
随着电子技术的发展,出现了非接触式的行程开关,即接近开关。接近开关又称为无触点行程开关。当某种物体与之感应头接近到一定距离时就发出动作信号,它不像机械行程开关那样需要施加机械力,而是通过其感应头与被测物体间介质能量的变化来获取信号。接近开关的应用已远超出一般行程控制和限位保护的范畴,例如用于高速记数、测速、液面控制,检测金属体的存在、零件尺寸以及无触点按钮等。即便用于一般行程控制,其定位精度、操作频率、使用寿命和对恶劣环境的适应能力也优于一般机械式行程开关。接近开关的图形符号如图6.33所示,文字符号为SQ。

接近开关按工作原理可以分为高频振荡型、电容型、霍尔型等几种类型。高频振荡型接近开关是以金属感应为原理,主要由高频振荡器、集成电路或晶体管放大电路和输出电路三部分组成,停振型接近开关原理框图如图6.34所示。其基本工作原理是,振荡器的线圈在开关的作用表面产生了一个交变磁场,当被检测金属体接近此作用表面时,在被检测金属体中将产生涡流,由于涡流的去磁作用使感应头的等效参数发生变化,由此改变振荡回路的谐振阻抗和谐振频率,使振荡停止。振荡器的振荡和停振这两个信号,经整形放大后转换成开关信号输出。

电容型接近开关主要有电容式振荡器及电子电路组成。它的电容位于传感器表面,当物体接近时,因改变了其耦合电容值,从而产生振荡和停振使输出信号发生跳变。
霍耳型接近开关由霍耳元件组成,是将磁信号转换为电信号输出,内部的磁敏元件仅对垂直于传感器端面磁场敏感,当磁极S正对接近开关时,接近开关的输出产生正跳变,输出为高电平。若磁极N正对接近开关,输出产生负跳变,输出为低电平。
接近开关的工作电压有交流和直流两种,输出形式有两线,三线和四线三种;输出类型有NPN、PNP和推挽型三种;外形有方型、圆型、槽型和分离型等多种。接近开关的主要参数有动作行程、工作电压、动作频率、响应时间、输出形式以及触点容量等。
光电开关
光电开关是利用光电感应原理实现开关动作的电器元件,是接近开关的又一种形式,它除克服了接触式行程开关存在的诸多不足外,还克服了接近开关的作用距离短、不能直接检测非金属材料等缺点。它具有体积小、功能多、寿命长、精度高、响应速度快、检测距离远以及抗电磁干扰能力强等优点。还可非接触、无损伤地检测和控制各种固体、液体、透明体、黑体、柔软体和烟雾等物质的状态和动作。目前,光电开关已被用作物位检测、液位检测、产品计数、尺寸判别、速度检测、定长控制、孔洞识别、信号延时、自动门控、色标检出以及安全防护等诸多领域。
光电开关按检测方式可分为对射式、反射式和镜面反射式三种类型。反射式光电开关的工作原理如图6.35所示。

电子时间继电器
电子时间继电器可分为晶体管式时间继电器和数字式时间继电器。
1. 晶体管式时间继电器
晶体管式时间继电器除执行继电器外,均由电子元件组成,无机械运动部件,具有延时范围宽、控制功率小、体积小、经久耐用的优点,正日益得到广泛的应用。其原理框图如图6.36所示。

晶体管时间继电器分为通电延时型、断电延时型和带瞬动触点的通电延时型。它们均是利用电容对电压变化的阻尼作用作为延时的基础,即时间继电器工作时首先通过电阻对电容充电,待电容上电压值达到预定值时,驱动电路使执行继电器接通实现延时输出,同时自锁并放掉电容上的电荷,为下次工作做好准备。
2. 数字式时间继电器
与晶体管式时间继电器相比,数字式时间继电器的延时范围可成倍增加,定时精度可提高两个数量级以上,控制功率和体积更小,适用于各种需要精确延时的场合以及各种自动化控制电路中。这类时间继电器功能特别强,有通电延时、断电延时、定时吸合、循环延时4种延时形式,十几种延时范围供用户选择,以及数字显示,这是晶体管时间继电器所无法比拟的。其原理框图如图6.37所示。

固态继电器
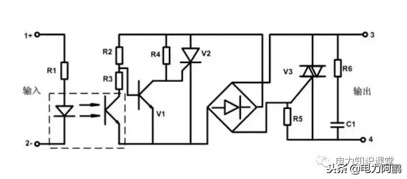
固体(态)继电器(简称SSR)是采用固体半导体元件组装而成的一种新颖的无触点开关。固体继电器通常为封装结构,它采用绝缘防水材料浇铸,如塑料封装、环氧树脂灌封等。由于固体继电器的接通和断开没有机械接触部件,因而具有控制功率小、开关速度快、工作频率高、使用寿命长、很强的耐振动和抗冲击能力、动作可靠性高、抗干扰能力强、对电源电压的适应范围广、耐压水平高、噪声低等一系列优点。现在,固体继电器已经在许多自动化控制装置中代替了常规电磁式继电器,尤其在动作频繁、防爆、耐潮和耐腐蚀等特殊场合。固态继电器按切换负载性质分为直流和交流两种,现以使用最为广泛的带有电压过零触发的交流型固态继电器AC-SSR为例进行介绍。
如图6.38所示,当无信号输入时,光电耦合器中的光敏三极管是截止的,电阻R2为晶体管V1提供基极注入电流,使V1管饱和导通,它旁路了经由电阻R4流入可控硅V2的触发电流,故V2截止,这时晶体管V1经桥式整流电路而引入的电流很小。不足以使双向可控硅V3导通。
有信号时,光电耦合器中的光敏三极管就导通,但只有当交流负载电源电压接近零时,电压值较低,经过整流,R2和R3分压点上的电压不足以使晶体管V1导通。而整流电压却经过R4为可控硅V2提供了触发电流,故V2导通,这种状态相当于短路,电流很大,只要达到双向可控硅的导通值,V3便导通。一旦V3导通,不管输入信号是否存在.只有当电流过零时才能恢复关断。
上述触发过程仅出现在电压过零附近。因而若输入信号电压出现在过零触发点之后,当电阻R2和R3上的分压值早已超出晶体管V1导通需要的程度,V1导通。从而旁路了可控硅V2的触发电流。双向可控硅V3在负载电压的这个半波中不再触发,而只有在下半波的电压过零附近,若输入信号仍保留,便自然进入导通状态;若输入信号消失,则不能再导通。在零点附近有一个很小的区域称为死区,死区电压约为土10~15V。电阻R6(20Ώ)和Cl起浪涌抑制作用。
AC-SSR固态继电器的控制功率小,在最大输入电压下的最大输入电流为12~20mA,能被TTL或CMOS逻辑集成电路直接驱动,AC-SSR的输入电压多在3~32V,可靠的接通电压为5~6V。可靠关断电压在0.8V以下。AC-SSR能在工频电压下驱动上百安培的负载,具有很大的功率放大作用。
AC-SSR的转换时间不大于市电周期的一半(即10ms),而DC-SSR的响应时间小于几十微秒,比电磁继电器的速度提高近千倍。SSR对系统的干扰小,同时自身抗干扰的能力也强。它没有接点跳动,消除了因火花产生的干扰。另外,由于采用了过零触发技术,具有零电压、零电流断开的特性,从而有效地降低了线路中的电压、电流变化率,使它对外界的电磁干扰降到最低。此外,输入与输出之间的光电隔离,大大提高了其抗干扰的能力。
SSR的不足之处是关断后有漏电流,另外,在过载能力方面不如电磁接触器。
主要参数:输入参数有输入信号电压、输入电流限制、输入阻抗;输出参数有标称电压和标称电流、断态漏电流、导通电压等。

图6.38 电压过零型SSR原理图
智能电器
近几年,电器技术的发展迅速,其中一个主流的趋势就是向智能化方向发展,因此出现了各种各样的智能电器,智能接触器、智能断路器、软启动器等。其实像变频器、可编程控制器都属于智能电器,但由于其技术发展更加迅速和完善,以自成体系。由于智能电器技术还在不断的迅速发展着,所以这里只简要介绍软启动器和智能断路器。
1. 软启动器
由于交流感应电动机以其低成本,高可靠性和少维护等优点在各种工业领域中得到广泛的应用。但是其在直接起动时存在着两个缺点:首先,它的起动电流可高达7倍额定电流,这对电网冲击比较大,降低了电气控制设备的使用寿命、增加了维护成本。其次。起动转矩是正常转矩的2倍以上,这会对负载产生冲击,增加传动部件的磨损和额外的维护。基于以上原因,产生了交流感应电动机降压起动设备。
软起动设备的功率部分由3对正反并联的晶闸管组成,它由电子控制线路调节加到晶闸管上的触发脉冲的角度,以此来控制加到电动机上的电压,使加到电动机上的电压按某—规律慢慢达到全电压。通过适当地设置控制参数,可以使电动机的转矩和电流与负载要求得到较好的匹配。软起动器还有软制动、节电和各种保护功能。
软起动器起动时电压沿斜坡上升,升至全压的时间可设定在0.5~60 s。软起动器亦有软停止功能,其可调节的斜坡时间在0.5~240 s。使用软起动器可解决水泵电机起动与停止时管道内的水压波动问题.其起动电流可降至约3.5~4Ie(额定电流),可解决起动风机时传动皮带打滑及轴承应力过大的问题;可减少压缩机、离心机、搅动机等设备在起动时对齿轮箱及传动皮带的应力,可解决输送带起动或停止过程中由于颠簸而造成的产品倒跌及损坏的问题,可减少起动时皮带打滑引起的皮带磨损及对齿轮箱的应力。
软起动器的内部电子式过载继电器提供较通常的热过载继电器更高的保护性能。例如,它一直保持对间歇运行时电机温度的检查,并对超出设定电流极限提供过载保护。
2. 智能断路器
智能型断路器是指具有智能化控制单元的低压断路器。
智能型断路器与普通断路器一样,也有基本框架(绝缘外壳)、触头系统和操作机构,所不同的是把普通断路器上的脱扣器换成了具有一定人工智能的控制单元,或称为智能型脱扣器。这种智能型控制单元的核心是具有嵌入式微处理器,其功能不但覆盖了全部脱扣器的保护功能(如短路保护、过流过热保护、漏电保护、缺相保护等),而且还能够测量和显示电路中的各种参数(电流、电压、功率、功率因素等)。各种保护功能的动作参数也可以显示、设定和修改。保护电路动作时的故障参数,可以存储在非易失性存储器中以便查询。还扩充了报警、数据记忆及通信等功能,其性能大大优于传统的断路器产品。
智能型可通信断路器属*四代第**低压电器产品。随着集成电路技术的不断提高,微处理器的功能越来越强大,成为*四代第**低压电气的核心控制技术。专用集成电路如漏电保护、缺相保护专用集成电路、专用运算电路等的采用,不仅能减轻CPU的工作负荷,而且能够提高系统的响应速度。另外,断路器要完成上述的保护功能、就要有相应的各种传感器。要求传感器要有较高的精度、较宽的动态范围同时又要求体积小,输出信号还要便于与智能控制电路接口。故新型的智能化、集成化传感器的采用可使智能化电气开关的整体性能提高一个档次。
智能化断路器是以微处理器为核心的机电一体化产品,使用了系统集成化技术。它包括供电部分(常规供电、电池供电、电流互感器自供电)、传感器、控制部分、调整部分以及开关本体。各个部分之间相互关联,又相互影响。如何协调与处理好各个组成部分之间的关系,使其既满足所有的功能,又不超出现有技术条件所允许的范围(体积、功耗、可靠性、电磁兼容性等),就是系统集成化技术的主要内容。
智能化断路器的原理是利用微处理器对各路电压和电流信号进行规定的检测,当电压过高或过低时发出缺相脱扣信号。当缺相功能有效时,若三相电流不平衡超过设定值,发出缺相脱扣信号,同时对各相电流进行检测,根据设定的参数实施三段式(瞬动、短延时、长延时)电流热模拟保护。
电气控制电路设计规范
电气工程制图内容
电气控制系统是由若干电器元件按照一定要求连接而成,从而实现设备或装置的某种控制目的。为了便于对控制系统进行设计、分析研究、安装调试、使用维护以及技术交流,就需要将控制系统中的各电器元件及其相互连接关系用一个统一的标准来表达,这个统一的标准就是国家标准和国际标准,我国相关的国家标准已经与国际标准统一。用标准符号按照标准规定的方法表示的电气控制系统的控制关系的就称为电气控制系统图。
电气控制系统图包括电气系统图和框图、电气原理图、电气接线图和接线表三种形式。各种图都有其不同的用途和规定的表达方式,电气系统图主要用于表达系统的层次关系,系统内各子系统或功能部件的相互关系,以及系统与外界的联系;电气原理图主要用于表达系统控制原理、参数、功能及逻辑关系,是最详细表达控制规律和参数的工程图;电气接线图主要用于表达各电器元件在设备中的具体位置分布情况,以及连接导线的走向。对于一般的机电装备而言,电气原理图是必须的,而其余两种图则根据需要绘制。绘制电气接线图则需要首先绘制电器位置图,在实际应用中电气接线图一般与电气原理图和电器位置图一起使用。
国家标准局参照国际电工委员会(IEC)颁布的标准,制定了我国电气设备有关国家标准。有关的国家标准有GB4728—1984《电气图用图形符号》、GB6988—1986《电气制图》、GB5094—1985《电气技术中的项目代号》和GB7159—1987《电气技术中的文字符号制定通则》。
电气工程制图图形符号和文字符号
按照GB4728—1984《电气图用图形符号》规定,电气图用图形符号是按照功能组合图的原则,由一般符号、符号要素或一般符号加限定符号组合成为特定的图形符号及方框符号等。一般符号是用以表示一类产品和此类产品的特征的简单图形符号。机电设备中常用的图形符号如表6-1所示
文字符号分为基本文字符号和辅助文字符号。基本文字符号又分单字母文字符号和双字母文字符号两种。单字母符号是按拉丁字母顺序将各种电气设备、装置和元器件划分为23类,每一大类电器用一个专用单字母符号表示,如“K”表示继电器、接触器类,“R”表示电阻器类。当单字母符号不能满足要求而需要将大类进一步划分,以便更为详尽地表述某一种电气设备、装置和元器件时采用双字母符号。双字母符号由一个表示种类的单字母符号与另一个字母组成,组合形式为单字母符号在前、另一个字母在后,如“F”表示保护器件类,“FU”表示熔断器,“FR”表示热继电器。
辅助文字符号用来表示电气设备、装置、元器件及线路的功能、状态和特征,如“DC”表示直流,“AC”表示交流,“SYN”表示同步,“ASY”表示异步等。辅助文字符号也可放在表示类别的单字母符号后面组成双字母符号,如“KT”表示时间继电器,“YB”表示电磁制动器等。为简化文字符号起见,当辅助文字符号由两个或两个以上字母组成时,可以只采用第一位字母进行组合,如“MS”表示同步电动机。辅助文字符号也可单独使用,如“ON”表示接通,“N”表示中性线等。
电气控制原理图的绘制原则
1. 目的和用途
电路原理图就是详细表示电路、设备或装置的全部基本组成部分和连接关系的工程图。主要用于详细理解电路、设备或装置及其组成部分的作用原理;为测试和故障诊断提供信息;为编制接线图提供依据。
2. 绘图基本原则
根据简单清晰的原则,电气原理(电路)图采用电器元件展开的形式绘制。它包括所有电器元件的导电部件和接线端点,但并不按照电器元件的实际位置来绘制,也不反映电器元件的大小。因此,绘制电路图时一般要遵循以下基本规则:
(1) 电路图一般包含主电路和控制、信号电路两部分。为了区别主电路与控制电路,在绘制电路图时主电路(电机、电器及连接线等),用粗线表示,而控制、信号电路(电器及连接线等)用细线表示。通常习惯将主电路放在电路图的左边(或上部),而将控制电路放在右边(或下部)。
(2) 主电路(动力电路)中电源电路绘水平线;受电的动力设备(如电动机等)及其它保护电器支路,应垂直于电源电路绘制。
(3) 控制和信号电路应垂直地绘于两条水平电源线之间,耗能元件(如接触器线圈、电磁铁线圈,信号灯等)应直接连接在接地或下方的水平电源线上,各种控制触头连接在上方水平线与耗能元件之间。
(4) 在电路图中各个电器并不按照它实际的布置情况绘制,而是采用同一电器的各部件分别绘在它们完成作用的地方。
(5) 无论主电路还是控制电路,各元件一般按照动作顺序自上而下、从左到右依次排列。
(6) 为区别控制线路中各电器的类型和作用,每个电器及它们的部件用规定的图形符号表示,且每个电器有一个文字符号,属于同一个电器的各个部件(如接触器的线圈和触头)都用同一个文字符号表示。而作用相同的电器用规定的文字符号加数字序号表示。
(7) 因为各个电器在不同的工作阶段分别作不同的动作,触点时闭时开,而在电路图内只能表示一种情况。因此,规定所有电器的触点均表示成在(线圈)没有通电或机械外力作用时的位置。对于接触器和电磁式继电器为电磁铁未吸合的位置,对于行程开关、按钮等则为未压合的位置。
(8)在电路图中两条以上导线的电气连接处要打一圆点,且每个接点要标一个编号,编号的原则是:靠近左边电源线的用单数标注,靠近右边电源线的用双数标注,通常都是以电器的线圈或电阻作为单、双数的分界线,故电器的线圈或电阻应尽量放在各行的—边(左边或右边)。
(9) 对具有循环运动的机构,应给出工作循环图,万能转换开关和行程开关应绘出动作程序和动作位置。
(10) 电路图应标出下列数据或说明:
a各电源电路的电压值,极性或频率及相数。
b某些元器件的特性(如电阻,电容器的参数值等);
c不常用的电器(如位置传感器、电磁阀门、定时器等)的操作方法和功能。
如图6.39所示是根据上述原则绘制的某机床控制电路图。
3. 图面区域的划分
为了便于检索电路,方便阅读,可以在各种幅面的图纸上进行分区。按照规定,分区数应该是偶数,每一分区的长度一般不小于25 mm,不大于75mm。每个分区内竖边方向用大写拉丁字母,横边方向用阿拉伯数字分别编号。编号的顺序应从标题栏相对的左上角开始。编号写在图纸的边框内。
在编号下方和图面的上方设有功能、用途栏,用于注明该区域电路的功能和作用。
4. 符号位置索引
由于像接触器、继电器这样的电器其线圈和触点在电路中根据需要绘制在不同的地方,为了便于读图,在接触器、继电器线圈的下方绘出其触点的索引表,如图6.39所示。对于接触器,其中左边一列为主触点所在的区域,中间为辅助常开触点所在的区域,右边一列为辅助常闭触点所在的区域。对于继电器,其中左边一列为常开触点所在的区域,右边一列为常闭触点所在的区域。

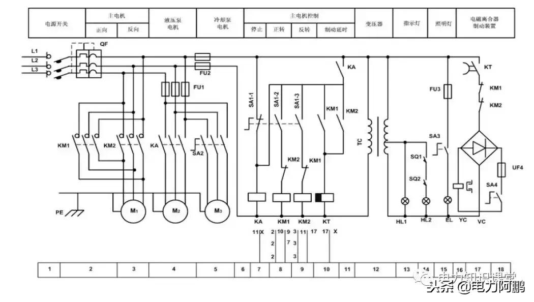
图6.39 CM6132普通车床电器控制线路原理图
基本电气控制电路
启、保、停控制
图6.40所示是三相鼠笼式电动机的单向启、停控制线路,它由6.40(a)的主电路和6.40(b)的控制电路组成。主电路包括一个断路器QF、一个接触器KM的主触点、一个热继电器FR的热元件和一台电动机M,控制电路包括一个停止按钮SB1和一个启动按钮SB2、接触器的吸引线圈和一个常开辅助触点、热继电器的常闭触点。
合上开QF(作电源总开关),按下SB2,接触器KM的吸引线圈接通得电,衔铁吸合,其主触点闭合,电动机便运转起来,与此同时,KM的辅助触点也闭合,将启动按钮SB2短路,这样当松开SB2时接触器线圈仍然接通,像这样利用电器自身的触点保持自己的线圈得电,从而保持线路继续工作的环节称为自锁(自保)环节。这种触点称为自锁触点。按下SB1,KM的线圈断电,其主触点打开,电动机便停转,同时KM辅助触点也打开,故松开按钮后, SB1虽复位而闭合,但KM的线圈已经不能继续得电,从而保证了电动机不会自行启动,若要使电动机再次工作可再按SB2。

为了避免电动机、控制电器、设备及被控机械、操作者受到不正常工作状态的有害影响,使工作更为可靠,在电路中必须具有各种保护装置。该电路具有多重保护功能,首先,QF兼有短路保护和过载保护双重功能;其次,由于热继电器FR的热元件串接在电机回路中,所以对电机的过载和缺相运行提供了可靠的保护;另外,在电动机正常运行时如突然停电或电压过低,则接触器没有足够的吸合力而复位,电动机停止运转,当电源恢复正常后电路不会自行启动,避免意外事故的发生,这样的保护功能称为失压或欠压保护。
为了避免电动机、控制电器等电气设备和整个生产机械、操作者受到不正常工作状态的有害影响,使工作更为可靠,在电气控制电路中必须具有完善的各种保护功能和装置。
对于大型生产机械,为了操作的方便,常常要求在两个或两个以上的地点都能进行操作。实现这种要求的线路如图8.40(c)所示。即在各操作地点各安装一套按钮,其接线的组成原则是各启动按钮的常开触点并联,而各停止按钮的常闭触点串连。
正、反向控制
许多负载机械的运动部件,根据工艺要求经常需进行正反方向两种运动,而这种正反方向的运动大多借助于电动机的正反转来实现。由异步电动机的工作原理可知,将电动机的供电电源的相序改变(任意交换两相),就可以控制异步电动机作反向运动。为了更换相序,需要使用两个接触器来完成。图6.41所示为三相异步电动机正反转的控制电路。图6.41(a)为主电路,正转接触器KM1接通正向工作电路,电机正转;反转接触器KM2接通反向工作电路,此时电动机定子端的相序恰与前者相反,电机反转。
图6.41(b)所示的控制线路具有下述缺点,若同时按下正向按钮SB2和反向按钮SB3,可以使KM1,KM2接触器同时接通,这会造成电源短路事故。
为避免产生上述事故,必须采取互锁保护措施,使其中任一接触器工作时,另一接触器即失效不能工作,为此采用图6.41(c)所示的电气互锁。当按下SB2按钮后,接触器KM1动作,使电动机正转。KM1除有一常开触点将其自锁外,另有一常闭触点串联在接触器KM2线圈的控制回路内,它此时断开。因此,若再按SB3按钮,接触器KM2受KM1的常闭触点互锁不能动作,这样就防止了电源短路的事故。

图6.41(c)所示线路在某一方向工作时,不能直接按反方向按钮直接切换运行,必须先按停止按钮SB1。若要实现正反向直接切换,可采用复合按钮接成如图6.41(d)所示的线路即可。但这种电路仅适用于小容量电机控制,而且拖动的机械负载装置转动惯量较小和允许有冲击的场合。
点动控制
对于正常的机电设备,采用启、保、停电路能满足正常使用要求。但在设备的安装调试或维护调试过程中,常常要对工作机构作微量调整或瞬间运动,这就要求电动机按照操作指令作短时或瞬间运转。实现这种要求的线路如图6.42所示。在图6.42(b)电路中,按下按钮SB电机运转,松开按钮电机立即停转,所以这样的电路称为点动控制。图6.42(c)电路把点动与长动控制结合在一起,通过转换开关SA实现点与长动的切换。图6.42(d)电路是通过设置不同的按钮来实现点动(SB3)与长动(SB2)控制。

顺序控制
为了保证机电设备的安全运行,经常需要各部件按顺序的工作。如在机床中在启动了润滑油泵电机后,才可以启动主轴电机。如图6.43所示为典型的顺序控制电路,在图6.43(b)电路中,按下M1的启动按钮SB2后,接触器KM1得电并自锁,M1回路接通并运转,且KM1的辅助常开触点闭合,为KM2得电作好了准备。这时可按SB4使KM2得电并自锁,来启动M2运行。M2可单独停止,但M1停止则M2会被停止。
图6.43(c)所示的电路为延时顺序启动的电路,按下M1的启动按钮SB2后,接触器KM1得电并自锁,M1回路接通并运转,同时通电延时继电器KT得电并开始计时。延时时间到达后,KT触点使KM2得电并保持,来启动M2运行。按下停止按钮SB1使M1、M2同时被停止。

自动循环控制
在自动化生产中,根据加工工艺的要求,加工过程按一定的程序(工步)进行自动循环工作。在组合机床和专用机床中常用采用这类方式工作。自动过程的进行需要有条件来触发,根据触发条件的不同,自动控制电路常用的有按时间控制和按行程控制两种形式。如图6.44所示为按行程控制的自动循环控制电路。

按下启动按钮SB2或 SB3实现(正向或反向)启动,如按下正向启动按钮SB2后,接触器KM1得电并自锁,M1回路接通运转并带动工作台左行,一直到机械撞块压下行程开关SQ1使得正向回路断开,工作台停止左行。同时SQ1的常开触点闭合使KM2得电并自保,接通反向回路,电机反转带动工作台右行。当机械撞块压下行程开关SQ2使得反向回路断开,工作台停止右行。同时SQ2的常开触点闭合使KM1得电并自保,接通正向回路,电机正转带动工作台左行,依次往复实现自动循环。
在实际应用中,为了安全起见,一般还要设置位置极限开关SQ3、SQ4。另外由于机械式行程开关使用寿命有限、噪音和可靠性等问题,在现代设备中越来越多地采用非接触式的接近开关来代替机械式行程开关。
鼠笼异步电机星形——三角形降压启动控制
对于10kW以上的鼠笼异步电机,其很大的启动电流(额定电流的5~7倍)会对供电系统产生巨大的冲击,所以一般不直接全压启动,通常采用降压方式启动。因功率在4kW以上的鼠笼异步电机正常运行时均为三角形接法,故采用星形——三角形降压启动可有效限制启动电流。星形——三角形降压启动控制电路如图6.45所示。
启动时将电机定子绕组接成星型,这样加到电动机每相绕组上的电压为额定值的 ,而电流只有额定值的1/3,从而显著减小启动电流。当电机转速逐渐上升接近额定值时,再将定子绕组切换成三角形接法,转为额定电压下的正常运行。

为了实现启动过程的自动切换,在控制电路中使用了一只时间继电器KT。按下启动按钮SB2后,接触器KM得电并自锁,KMY也得电,电动机以星型接法开始启动运转。同时时间继电器KT线圈也得电而开始定时,当到达设定时间时其触点动作,KT的延时断开触点断开KMY,而延时闭合触点接通KM△并自锁,使电动机定子绕组切换成三角形接法,转为额定电压下的正常运行。
鼠笼异步电机反接制动控制
反接制动就是在切断电机正常供电电源后给电动机施加改变相序的电源,从而使电机迅速停止的制动方法。反接制动开始时,切断电机正常供电电源,电机在机械惯性的作用下在原方向上继续运转。当改变了相序的电源加上之后,转子与定子旋转磁场之间的相对速度接近于两倍的同步转速,所以在此瞬间定子电流相当于全电压直接启动电流的两倍,则反接制动转矩也很大,制动迅速。
反接制动控制电路如图6.46所示,按下启动按钮SB2后,接触器KM1得电并自锁,电机正常运行,转速上升后与电机同轴安装的速度继电器KS动作, KS的常开触点闭合,为KM2得电作好了准备。当按下停止按钮SB1后,KM1断电复位,而KM2得电并自锁,电机进入反接制动运行,转速迅速下降。当转速下降到一定值(低于100r/min)时,KS触点打开,使KM2断电,制动过程结束。
反接制动的缺点是由于制动电流很大,造成很大的电路冲击和机械冲击,所以,为了限制制动电流,一般在制动回路中串接制动电阻R。

鼠笼异步电机能耗制动控制
在工业设备中异步电机另一种常用的制动方法是能耗制动,即在断开电机三相电源之后,给定子绕组加上一个直流电源,则在定子绕组中建立静止磁场,从而在旋转的转子中产生制动转矩。为了加强制动效果,在定子上所加的直流制动电流一般大于电机额定电流,所以不能长时间通以直流制动电流。工程上一般有两种方法处理这个问题,一是速度原则,采用速度继电器,当电机速度下降到一定值以下时,通过速度继电器触点断开直流制动电源;另一种方法是时间原则,采用时间继电器,当制动过程进行到一定时间时,通过时间继电器触点断开直流制动电源。
采用时间继电器的鼠笼异步电机能耗制动控制电路如图6.47所示,按下启动按钮SB2后,接触器KM1得电并自锁,电机正常运行。当按下停止按钮时,KM1断开三相电源,同时KM2接通直流制动电源进行能耗制动,时间继电器也接通开始计时。当制动过程进行到一定时间时,电机速度接近于零,时间继电器延时断开触点断开KM2,制动过程结束。

懂得分享,收获更多
