音量控制器
1.典型双声道音量控制器电路
图4-41所示是双声道音量控制器。RP1-1和RP1-2是双联同轴电位器,用虚线表示这是一个同轴电位器,其中RP1-1是左声道音量电位器,RP1-2是右声道音量电位器。

图4-41 双声道音量控制器
当音量调节中转动音量旋钮时,RP1-1和RP1-2的动片同步动作,动片向上滑动时动片输出信号增大,送到后面功率放大电路中的信号增大,音量增大,反之则减小。
重要提示
音量控制器中采用Z(指数)型电位器,均匀转动音量电位器转柄时,动片与地端之间的阻值一开始上升较缓慢,后来阻值增大较快。这样,较小音量时,馈入扬声器的电功率增大量变化较小,音量较大时馈入扬声器的电功率增大量上升很快,这与人耳的对数听觉特性恰好相反,这样在均匀转动音量电位器转柄时,人耳感觉到的音量是均匀上升的,如图4-42所示。

图4-42 曲线示意图
2.电子音量控制器电路
重要提示
普通音量控制器电路结构简单,但存在一个明显的缺点,就是当机器使用时间较长以后,由于音量电位器的转动噪声会引起在调节音量时扬声器中出现“咔啦、咔啦”的噪声。这是因为音量电位器本身直接参与了信号的传输,当动片与碳膜之间由于灰尘、碳膜磨损存在接触不良时,导致信号传输有中断,引起噪声。
采用电子音量控制器后,由于音频信号本身不通过音量电位器,而且可以采用相应的消除噪声措施,这样即使电位器动片接触不好时也不会引起明显的噪声。另外,双声道电子音量控制器电路中可以用一只单联电位器同时控制左、右声道的音量。
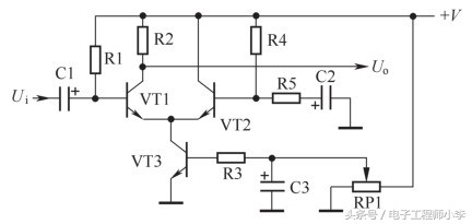
图4-43所示是电子音量控制器电路。VT1、VT2构成差分放大器,VT3构成VT1和VT2发射极回路恒流管,RP1是音量电位器。

图4-43 电子音量控制器电路
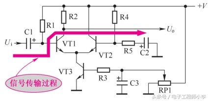
音频信号传输线路是:音频信号Ui经C1耦合,加到VT1基极,经放大和控制后从其集电极输出。图4-44所示是信号传输过程示意图。
电路工作原理是:VT1和VT2发射极电流之和等于VT3的集电极电流,而VT3集电极电流受RP1动片控制。RP1动片在最下端时,VT3基极电压为0V,其集电极电流为0A,VT1和VT2截止,无输出信号,处于音量关死状态。

图4-44 信号传输过程示意图
RP1动片从下端向上滑动时,VT3基极电压逐渐增大,基极和集电极电流也逐渐增大,由于VT2的基极电流由R4决定,所以VT2发射极电流基本不变。这样VT3集电极电流增大导致VT1发射极电流逐渐增大,VT1发射极电流增大就是它的放大能力增大,使输出信号增大,即音量在增大。
RP1动片滑到最上端时,VT3集电极电流和VT1发射极电流最大,这时音量最大。
重要提示
由上述分析可知,通过控制VT3基极电压高低便能控制VT1的增益大小,从而控制音频输出信号Uo的大小,所以这种电路实际上是一种压控增益电路,即通过控制VT3基极上直流电压的大小来达到控制VT1增益大小的目的。
电路中的C3用来消除RP1动片可能出现接触不良而带来的噪声,当RP1动片发生接触不良时,由于C3两端的电压不能突变,这样保证了加到VT3基极的电压比较平稳,消除了RP1因接触不良而引起的噪声。
3.音量压缩电路
所谓音量压缩电路,是用来防止大信号时功率放大电路过负荷的电路。要求音量压缩电路在大信号到来时,自动压缩信号动态范围,并且要求因压缩而造成的信号失真要尽可能地小,因此音量压缩电路中采用了二极管、场效应管等非线性器件。
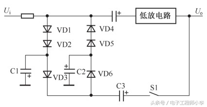
图4-45所示是二极管音量压缩电路。压缩电路由VD1~VD6、C1~C3、S1组成。S1是音量压缩开关,合上S1,接通压缩电路;S1断开时,无音量压缩功能。

图4-45 二极管音量压缩电路
输出信号经S1、C3送到VD3、VD6上,经整流加到VD1和VD2、VD4和VD5上,使之加上正向偏置,VD1和VD2、VD4和VD5微导通。其中VD3整流输出信号的负半周,VD6整流输出信号的正半周。
当大信号出现时,VD1和VD2、VD4和VD5的正向偏置电压变大,导通程度更深,内阻迅速下降,结果一部分输入信号的正、负半周经VD1和VD2、VD4和VD5,分别由C1、C2旁路到地,这样输入到低放电路的信号减小,达到防止大信号过负荷的目的。
音调控制器
音调控制器用来对音频信号各频段内的信号进行提升或衰减,以满足听音者对听音的需要。一些中、高档组合音响中采用图示音调控制器,此时音调控制器采用独立一层的结构。
图示音调控制器电路按照电路组成划分主要有3种:LC串联谐振图示电路、集成电路图示电路和分立元器件图示电路。
1.集成电路图示音调控制器原理电路
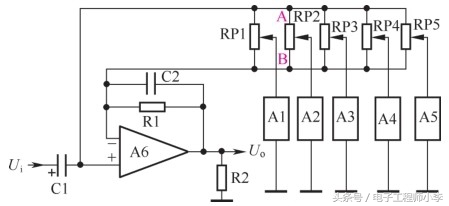
图4-46所示是集成电路图示音调控制器原理电路,为单声道五段图示音调控制器电路。Ui为输入信号,Uo为经过音调控制器控制后的信号。

图4-46 集成电路图示音调控制器原理电路
RP1~RP5是5个频段音调控制电位器,控制的频率分别由动片与地之间的A1~A55个陷波器(也称为带阻滤波器)的陷波频率决定,A1~A5分别等效为5个中心频率为 100Hz、330Hz、1kHz、3.3kHz 和 10kHz的LC串联谐振电路。
A6是放大器,R1是A6的负反馈电阻,其阻值大小决定了A6的闭环增益大小。C2是高频消振电容,防止A6发生高频自激。C1是输入端耦合电容。
2.陷波器电路及等效电路
A1~A5这5个陷波器的电路结构是一样的,只是阻容元件的参数不同,图4-47所示是这种陷波器电路及等效电路。RP是音调控制电位器。A01是一个运算放大器,由于它的反相输入端与输出端相连,这样构成一个+1放大器。从图4-47中可以看出,这一陷波器电路等效成一个LC串联谐振电路。
+1放大器及陷波器电路具有下列一些特性。
(1)+1放大器的增益为1。
(2)由于A01的开环增益很大,+1放大器可以看成输入阻抗很高、输出阻抗很低的理想放大器。用节点电流定律可以推算出图中P点对地的输入阻抗为

图4-47 陷波器及等效电路

(3)P点对地之间可以等效成一个电阻R和电感量等于R1· R2· C2大小的线圈,这样与电容C1构成一个等效的LC串联谐振电路。
(4)整个A1可以等效成一个LC串联谐振电路,其谐振频率f0为

陷波器等效成一个LC串联谐振电路,其谐振频率由R1、R2、C1和C2阻容元件标称值决定。实用电路中,往往将R1、R2阻值固定不变,而是通过外接电容C1、C2的容量变化,来获得不同频段的中心控制频率。
3.工作原理分析
以330Hz RP2控制器为例,分析这一电路的工作原理。设RP2的动片滑到中间位置,此时的等效电路如图4-48所示。电路中,RP2的动片等效为交流接地(仅对330Hz信号而言),动片将RP2分成RP2′、RP2″两部分。当RP2动片在中间位置时RP′2=RP″2。此时RP2′构成对输入信号Ui的对地分流电路,RP2″则是A6的负反馈电阻。此时,对330Hz信号处于不提升也不衰减状态。
当RP2动片向A点滑动时,RP2′的阻值减小,使RP2′对输入信号分流衰减的量增大。同时,由于RP2″的阻值增大,负反馈量增大,这样A6输出信号中的330Hz信号受到逐渐增大的衰减。当RP2动片滑到最顶端A点时,分流衰减量最大,负反馈量最大,330Hz信号受到最大的衰减,最大衰减量一般为10dB。根据阻抗特性可知,对330Hz信号的衰减量为最大,对大于或小于330Hz的信号因RP2动片回路陷波器阻抗较大,故衰减量较小。

图4-48 等效电路
当RP2动片从中间位置向B端滑动时,RP2′的阻值增大,对输入信号的分流衰减量逐渐减小,同时RP2″的阻值逐渐减小,负反馈量减小,放大倍数增大,对330Hz信号进行提升。当RP2动片滑到顶端B端时,RP2′阻值最大,等于RP2标称值,对输入信号的分流量为最小。同时RP2″阻值为0Ω,负反馈电阻最小,负反馈量最小,对330Hz信号的提*达升**到最大,一般为10dB。同理,由于RP2动片回路所接330Hz陷波器的阻抗特性,对大于或小于330Hz信号的提升量小于对330Hz的提升量。
重要提示
对于330Hz频段以外的信号,由于陷波器A2的阻抗很大而呈开路,故对这些信号无控制作用。另外,RP1~RP5的标称阻值较大,对信号的插入损耗不太大,各频段之间的相互影响也不大。
4.实用电路分析
图4-49所示是音响中的图示音调控制器电路。A401采用BA3822LS图示音调控制集成电路。RP404-1~RP413-1是10个频段的左声道音调控制电位器。

图4-49 音响中的图示音调控制器电路
输入信号Ui经C419耦合,加到A401的
脚,经放大和控制,信号从
脚输出,由C442和R436耦合到后级电路中。直流工作电压+V加到A401的电源端
脚,同时给VT405供电。 RP404-1~RP411-1动片与A401内电路构成8个陷波器电路。RP412-1动片上的陷波器电路由VT405构成。RP413-1动片则通过C433接地。RP404-1控制频率最低(因为动片上的电容容量为最大),RP405-1~RP413-1控制频率依次升高,RP413-1的控制频率为最高。