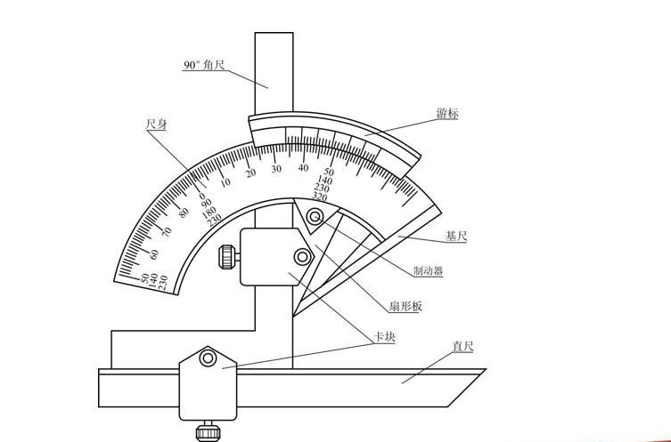
万能角度尺
1.万能角度尺的结构

2.万能角度尺的刻线原理与读数方法
(1)刻线原理。以测量精度为2´的万能角度尺为例来介绍刻线原理。如图2-22所示,尺身共有90个格,每格为1°,游标上共有30个格,其所占的弧长与尺身上29个格的弧长相等,即游标上每格所对应的角度为(29/30)°,尺身每1格与游标的每1格在角度上相差2´。
(2)万能角度尺读数时,先读出尺身上位于游标0刻度线左侧的整数刻度,然后读出游标上刻度线和尺身刻度线对齐处的数值,把两次的读数相加即为所测角度的数值。
例

正确读数为16度12分
3.万能角度尺的测量范围

百分表
1.百分表的结构

2.百分表的刻线原理与读数
(1)刻线原理。百分表的正面共有大小两个表盘,大表盘上共有100个等分格,每格代表0.01mm,小表盘上共有10个等分格,每格代表1mm,当长指针在大表盘上转动一周时会带动短指针在小表盘上转动一个格。测量时,如果测量杆上移1mm,则会使长指针转一周,短指针转1个格。
(2)读数。测量杆移动的距离=短指针的读数(整数部分)+长指针的读数(小数部分)。
例

3.注意事项
1).使用前,应检查测量杆活动的灵活性。即轻轻推动测量杆时,测量杆在套筒内的移动要灵活,没有任何轧卡现象,每次手松开后,指针能回到原来的刻度位置。
2).使用时,必须把百分表固定在可靠的夹持架上。切不可贪图省事,随便夹在不稳固的地方,否则容易造成测量结果不准确,或摔坏百分表。
3).测量时,不要使测量杆的行程超过它的测量范围,不要使表头突然撞到工件上,也不要用百分表测量表面粗糙度或有显著凹凸不平的工件。
4).测量平面时,百分表的测量杆要与平面垂直,测量圆柱形工件时,测量杆要与工件的中心线垂直,否则,将使测量杆活动不灵或测量结果不准确。 为方便读数,在测量前一般都让大指针指到刻度盘的零位。
4.其他百分表
