1.(2022 秋•海淀区校级月考)电导率是电阻率的倒数,材料的电导率越大,导电性能越强。实验小组的同学为测量某一圆柱体导体材料的电导率,用螺旋测微器和游标卡尺测其直
径和长度。

(1)图 1 所示的螺旋测微器的读数为 mm;图 2 所示的游标卡尺的读数为 cm。
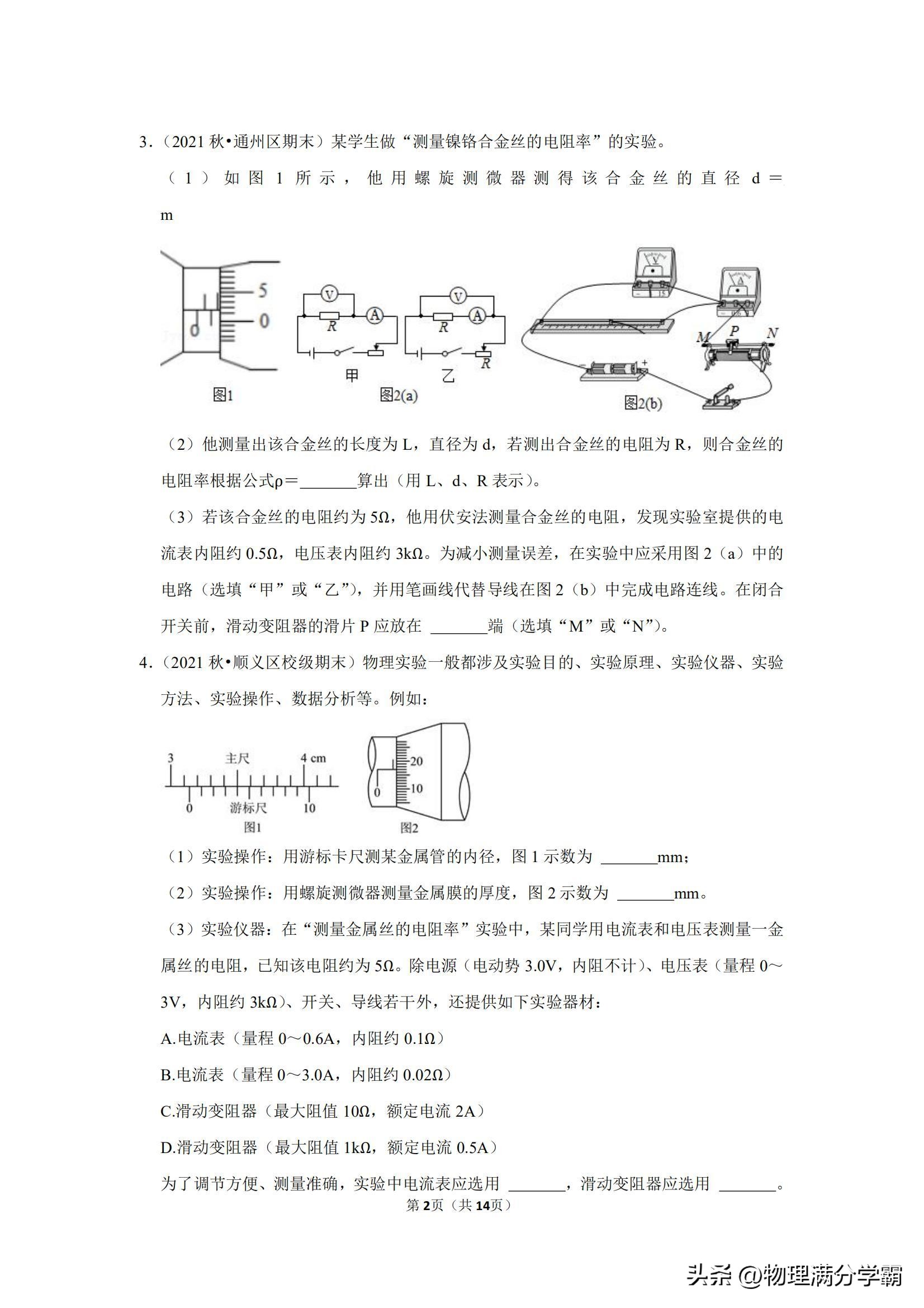
(2)该实验小组的同学采用如图 3 所示的电路测量圆柱体的电阻,若不考虑读数造成的
偶然误差,只考虑电表的内阻造成的系统误差,则该小组测出的电导率真实值 。
(选填“大于”、“等于”或“小于”)
2.(2022•西城区校级模拟)在“测量金属丝的电阻率”实验中,待测金属丝的电阻约为 6Ω。
(1)用螺旋测微器测量金属丝的直径,某次测量如图所示,其读数为 mm。
(2)用电流表和电压表测量金属丝的电阻.按如图连接好电路,用电压表的接线柱 P 先
后与 a、b 接触,发现电压表的示数有较大变化,而电流表的示数变化不大,则实验中电
压表的接线柱 P 应与 点相连(选填“a”或“b”),并说明选择的理由 。
(3)设被测金属丝电阻为 Rx,长度为 L,直径的平均值为 d,则该金属材料电阻率的表
达式为ρ=













