处理变压器的动态分析间题,首先应明确“不变量”和“变化量“、对变化量要把握它们之间的制约关系,依据程序分析的思想、从主动变化量开始,根据制约关系从前到后或从后到前逐一分析各物理量的变化情况.
1、电压、电流、功率的制约关系
(1)电压制约:当变压器原、副线圈的数比一定时,输入电压U₁决定输出电压U₂,即U₂=n₂U₁/n₁,与输出端有没有负载无关,也与变压器有无其他副线圈无关.
(2)功率制约:P出决定P入,P出增大,P入增大;P出减小,入P减小;P出为0,P入为O.
(3)电流制约:当变压器原、副线圈的匝数比n₁/n₂一定,且输入电压U₁确定时,U₂也就确定了,对于纯电阻电路,由欧姆定律可得出输出电流I₂的大小,副线圈中的输出电流I₂决定原线圈中的电流I₁,即I₁=n₂I₂/n₁.
2.对理想变压器进行动态分析的两种常见情况
分清动态变化中哪个量变化,结合事并联电路的特点、欧姆定律及变压器各物理量间的因果关系依次确定.
(1)原、副线圈匝数比不变,负载电阻变化
分析各物理量随负载电阻R变化而变化的情况,进行动态分析的顺序是R→I₂→P出→P入→I₁.由原、副线圈的匝数比不变可知,副线圈两端的电压U₂不变,若负载某部分的电阻R增大,根据串并联电路规律可知,副线圈回路中总电阻也增大,由闭合电路欧姆定律可知,副线圈中的电流I₂减小,输出功率P,减小,再由输出功率决定输入功率知,P也减小,从而可得原线圈中的电流I₁减小.
(2)负载电阻不变,原、副线圈匝数比变化
分析各物理量随匝数比的变化而变化的情况,进行动志分析的顺序是n₁、n₂→U₂→I₂→P出→P入→I₁.一般情况下,我们认为原线圈的输入电压U₁和匝数n₁不变,副线圈的匝数n₂增大时,副线圈两端电压U₂增大,流过副线圈的电流I₂增大,变压器输出功率P₂增大,变压器输入功率P₁增大,流过原线圈的电流增大.
【注意说明】当副线圈只有一个时,原、副线圈中的电流与匝数成反比,但是原、副线圈中的电流大小成正比.
例题:如图所示,接在家庭电路上的理想降压变压器给小灯泡L供电,如果将原、副线圈减少相同匝数,其他条件不变,则()

A.小灯泡变亮
B.小灯泡变暗
C.原、副线圈两端电压的比值不变
D.通过原、副线圈电流的比值不变
例题:国家电网公司推进智能电网推广项目建设,拟新建智能变电站1400座.变电站起变换电压作用的设备是变压器.如图所示,理想变压器原线圈输入电压u=200√2sin100πt(V),电压表、电流表都为理想电表.则下列判断正确的是()

A.输入电压有效值为200V,电流频率为50Hz
B.若滑动变阻器的滑片不动,S由a处接到b处,电压表V₂和电流表A₁的示数都减小
C.S接到a处,当滑动变阻器的滑片向下滑动时,两电流表的示数都减小
D.S接到a处,当滑动变阻器的滑片向下滑动时,两电压表的示数都增大
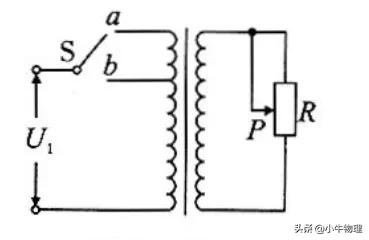
例题:如图所示为一理想变压器,S为单刀双掷开关,P为滑动变阻器的滑片,U₁为加在原线圈上的电压,I₁为通过原线圈的电流,则()

A.保持U₁及P的位置不变,S由a合到b时,I₁将增大
B.保持U₁及P的位置不变,S由b合到a时,R消耗的电功率将减小
C.保持U₁不变,S合在a处,使P上滑,I₁将增大
D.保持P的位置不变,S合在a处,若U₁增大,I₁将增大
例题:在如图所示的电路中,在a、b两端输入稳定的正弦式交变电流,变压器原线圈中的电流为I₁,电压为U₁,输入功率为P₁,副线圈中的电流为I₂,电压为U₂,输出功率为P₂,则在滑动变阻器滑片移动的过程中,下列选项图中的图象正确的有(B图中曲线为双曲线的一支,D图中曲线为抛物线)().

