综合自:对冲研投、第一财经、海国际能源交易中心、安迅思、BP世界能源统计年鉴2017、中信期货、 兴业研究、 中银国际期货

中国迎来首个国际化期货品种上市。3月26日,中国版原油期货在上海期货交易所子公司上海国际能源交易中心“鸣锣”开市。
原油期货上市作为中国期货市场对外开放的重要一步,选择在上海率先起步,对上海国际金融中心的建设也具有重大意义。
本文力图通过最简洁的语言,展示出原油产业供需结构;价格分析框架;合约交易规则等,供各位投资者参考。

一、INE原油期货合约及主要交易规则
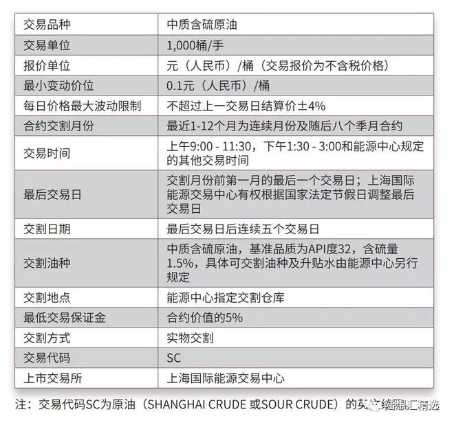
图1:INE原油期货标准合约

重要信息1 : 交易时间 ?
原油期货自2018年3月26日起上市交易,当日8:55-9:00集合竞价,9:00开盘。
每周一至周五,09:00-10:15、10:30-11:30和13:30-15:00,连续交易时间,每周一至周五21:00-次日02:30。法定节假日前第一个工作日(不包含周六和周日)的连续交易时间段不进行交易。
重要信息2 : 有哪些合约 ?
SC1809、SC1810、SC1811、SC1812、SC1901、SC1902、SC1903、SC1906、SC1909、SC1912、SC2003、SC2006、SC2009、SC2012、SC2103。
重要信息3: 原油期货合约上市挂盘基准价是多少 ?
SC1809、SC1810、SC1811、SC1812、SC1901、SC1902、SC1903合约的挂盘基准价为416元/桶。
SC1906、SC1909、SC1912、SC2003合约的挂盘基准价为388元/桶。
SC2006、SC2009、SC2012、SC2103合约的挂盘基准价为375元/桶。
重要信息4 : 原油期货保证金和涨跌停板是多少 ?
交易保证金为合约价值的7%;涨跌停板幅度为5%。第一个交易日的涨跌停板幅度为基准价的10%。
图2:保证金收取标准一览

境外特殊非经纪参与者、境外客户可以使用外汇资金作为保证金。以外汇资金作为保证金的,以中国外汇交易中心公布的当日人民币汇率中间价作为其市值核定的基准价,目前能源中心规定可用于作为保证金的外汇币种为美元,折扣率为0.95。
当日闭市前外汇资金的市值先按照前一交易日中国外汇交易中心公布的当日人民币汇率中间价核算。每日结算时按上述规定的方法重新确定外汇资金作为保证金使用的基准价并调整折后金额。
重要信息5: 出现单边市时 , 涨跌停板怎么算 ?
当某原油期货合约在某一交易日(该交易日称为D1交易日,D1交易日后的连续五个交易日分别称为D2、D3、D4、D5、D6交易日)出现单边市,能源中心将提高涨跌停板幅度和保证金水平,提高幅度如下表所示:
图3: 单边市时涨跌停板幅度一览

重要信息6 : 可以看到持仓吗 ?
当某一合约持仓量达到20万手(双向)时,能源中心将公布该月份合约前20名期货公司会员、境外特殊经纪参与者的成交量、买持仓量、卖持仓量。
重要信息7 : 持仓限额是多少 ?
如图4所示

重要信息8 : 交易手续费是多少 ?
人民币20元/手,平今仓交易免收交易手续费。
重要信息9: 可交割油种及升贴水是多少 ?
如图5所示


二、与国际原油主要品种的对比
图6:国际主要原油合约对比
图7:换月方式对比


三、原油期货定价与分析框架

图8: 国际原油期货价格十年走势图

图9: 原油价格分析框架

重要信息10: 如何看原油供给 ?
由于石油是不可再生性资源,因此石油短期供给弹性较小,所以在没有新的大型油田被发现以及重大技术创新出现时,影响石油价格的最主要因素是石油市场的供与求的关系。
石油的产出区域比较集中,作为产油国,尤其石油的净出口国的产量调整就对石油价格产生非常直接的影响,这反映的是石油市场的供应情况。其中影响力最大的就是石油输出国组织欧佩克(OPEC),目前该组织成员国共控制约占全世界78%以上的石油储量,提供的石油则满足了全球约40%的需求。
欧佩克组织条例要求该组织致力于石油市场的稳定与繁荣,因此,为使石油生产者与消费者的利益都得到保证,欧佩克实行石油生产配额制。如果石油需求上升,或者某些产油国减少了石油产量,欧佩克将增加其石油产量,以阻止石油价格的飚升。为阻止石油价格下滑,欧佩克也有可能依据市场形势减少石油的产量。
重要信息11: 如何看原油库存 ?
原油库存分为商业库存和战略储备,商业库存的主要目的是保证在原油需求出现季节性波动的情况下企业能够高效运作,同时防止潜在的原油供给不足,国家战略储备的主要目的是应付原油危机。
各个国家的原油库存在国际原油市场中起到调节供需平衡的作用,其数量的变化直接关系到世界原油市场供求差额的变化。在国际原油市场上,美国原油协会(API)、美国能源部能源信息署(EIA)每周公布的原油库存和需求数据己经成为许多原油商判断短期国际原油市场供需状况和进行实际操作的依据。其中WTI 原油价格会受北美原油商业库存影响,布伦特原油价格会受OECD(经合组织)库存影响。
重要信息12: 投机 、 地缘 、 利率等因素如何影响油价 ?
国际原油期货市场上,投机资本的操作是影响国际油价不可忽略的因素。原油市场的投机与市场预期往往加大了原油价格的波动,国际原油市场中投机因素对原油价格有着10%-20%的影响力。尤其是某些突发性事件发生的时候,大量的投机资本便在国际原油期货市场上进行操作,加剧了国际原油价格的动荡。
国际原油的市场价格的变化往往会受到地缘政治和产油国政局因素的影响。这种影响主要从两个方面发挥作用:其一,地缘政治冲突导致原油供给量真实下降;其二是地缘政治冲突导致国际原油市场对未来供给减少的担忧,但实际供给量没有减少。
利率的上升会导致未来开采价值相对现在开采价值减少,因此会使得开采路径凸向现在而远离未来。高利率会减少资本投资,导致较小的初始开采规模;高利率也会提高替代技术的资本成本,导致开采速度下降,进而导致原油价格上涨。
自然因素对原油价格也会产生影响,如美国的原油工业基地集中在墨西哥湾,而这一带恰是飓风多发地,一旦海上作业平台遭到破坏,油价就会被迫上涨。
图10: 原油期货背后的现货属性

图11:原油期货的价值锚定

图12: INE原油期货交割流程


四、原油行业基本知识
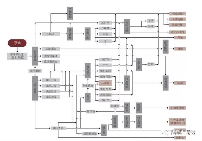
图13:原油生产流程

图14: 全球已探明石油储量情况

重要信息13: 全球石油资源分布情况怎样 ?
从历年来看,由《BP世界能源统计年鉴2017》的数据可知,2006年的探明储量为1.4万亿桶,2016年的探明储量为1.7万亿桶,10年间年均增长2.3%,增幅显著。
从地区来看,已探明石油储量中,地区分化比较严重,其中中东地区储量为0.81万亿桶,占全球总储量的47.7%;整个欧洲和欧亚大陆的储量为0.16万亿桶,占全球总储量的9.5%;中南美洲和非洲的储量分别为0.33万亿桶和0.13万亿桶,各占19.2%和7.5%;北美0.23万亿桶,占13.3%;亚太地区只有0.048万亿桶,占比为2.8%。增长速度最快的是中南美洲地区,近10年年均增长达19.7%。
重要信息14: 全球石油产量情况如何 ?
世界石油生产和消费量总体呈现逐年增长的趋势,根据《BP世界能源统计年鉴2017》,2016年世界石油日产量为9215万桶/日,较2015年的9170万桶/日增长0.5%;较2006年的8249万桶/日增长了11.2%;较1996年的6985万桶/日增长了31.3%。
从1997年到2016年的20年间,世界石油总产量年均增长1.4%。其中2009年的日产量为8122万桶/日,较2008年的8289万桶/日下降约2.0%,是全球经济危机造成需求减少的结果。
从区域来看,世界石油产量主要集中在中东、北美、欧洲及欧亚大陆,2016年这些地区的石油日产量分别为3179万桶/日、1927万桶/日、1722万桶/日,分别占世界总量的34.5%、20.9%、19.2%。
从各个国家2016年的石油产量来看,美国、沙特阿拉伯、俄罗斯、伊朗、伊拉克、加拿大和阿联酋,其石油日产量合计为5353万桶/日,约占世界总产量的58.1%。
重要信息15: 全球石油消费情况如何 ?
从消费量来看,2016年世界石油消费量最多的五个国家分别为美国、中国、印度、日本、沙特阿拉伯,日消费石油共计4444万桶/日,约占世界消费量的46.0%。
其中,美国是世界第一大石油消费国,2016年日消费石油1963万桶/日,约占世界消费量的20.3%;石油消费增长最快的是中国,目前已跃居世界第二大石油消费国,日消费量由2006年的743万桶/日增长到2016年的1238万桶/日,10年年均增长6.1%。
重要信息16: 中国石油消费情况如何 ?
我国的原油生产主要集中在东北、西北、华北、山东和渤海湾等地区,消费 则覆盖全国,中心主要集中在环渤海、长江三角洲及珠江三角洲等地区。
目前我国原油主要消费在工业部门,其次是交通运输业、农业、商业和生活 消费等部门。其中,工业石油消费占全国石油消费总量的比重一直保持在50%以 上;交通运输石油消费量仅次于工业,占25%左右。
根据《BP世界能源统计年鉴2017》,2004年至2016年,我国原油产量 从 1.74亿吨上升至2.00亿吨,年均增长1.15%,为世界第八大产油国;原油消费量 从3.23亿吨上 升至5.79亿吨,年均增长4.97%,目前为世界第二大石油消费国。
图15: 中国原油2017年产消量

重要信息17: 中国炼油能力如何 ?
据安迅思调查数据显示,截至2016年底,我国国内217家炼厂(包含地方炼厂)合计一次原油加工能力达到7.85亿吨/年,同比增加2.55%。
目前我国的 总炼油能力仅次于美国,占到全球炼油能力的16%。若不计地方炼厂(指无稳 定原油油源和稳定开工率的炼厂),我国主营炼厂的一次加工能力为5.58亿吨/ 年(11.16百万桶/天),总炼能同比有所下降,占到全球炼油能力的11.5%。此 外,合计135家地方炼厂一次加工能力在2016年底达到2.27亿吨/年,同比继续增 长10.96%,占到我国总炼能的28.9%。
图16: 中国前十大炼厂

重要信息18: 进口保税原油成本如何计算 ?
我国进口中东原油主要以普氏(Platts)的迪拜和阿曼原油均价作为价格基准,进口西非原油参照布伦特期货价格。
进口保税原油的成本一般按照下列公式进行计算:
进口保税原油成本=到岸价×汇率+其他费用
汇率:按当天的外汇牌价计算;
其他费用包括:进口代理费、港口费/码头费、仓储费、商检费、计驳费、卫生检查费、保险费、利息、城市建设费和教育附加费、防洪费等。
在上海国际能源交易中心进行交易的原油为“净价交易、保税交割”,即交易价格为不含增值税和关税的净价。
如果将保税原油运输至境内,需按照下列公式对含税原油价格(人民币)进行计算: 含税原油价格=保税原油价格×(1+增值税率)×(1+关税税率)增值税率:17%; 关税税率:最惠国税率为0,普通税率为85元/吨的计量税。


五、初期参与实战交易要注意什么?

图17: 2009年至今,原油及其他大类资产波动率对比

图18: 谁在交易原油期货

图19: 地缘政治对油价走势影响一览

图20: 买、卖方市场的套利交易边界是怎样?

重要信息19: 交易一手原油多少保证金 ?
按照交易规则计算(按最低保证金),交易一手原油SC1809合约需要保证金=416*1000*5%=20800元。
(注:期货公司一般会适当提高保证金比例)
重要信息20: 如何计算首日的理论价格 ?
根据INE公布的可交割油种来看,七种油里有六种是中东地区原油,只有一种是中国当地原油。而我国目前原油进口依存度高达70%,也就是大部分原油是依赖进口。而进口的原油中,中东原油又占据了比较大的份额。因此,中国原油期货的定价基于中东原油价格是个非常符合逻辑的推论。
六种中东原油中阿曼原油是上海原油期货的可交割油种之一,而阿曼原油有期货交易,即DME阿曼原油期货,在市场上公开交易,并且可以实物交割获得阿曼原油。理论上参与DME阿曼原油期货交易的产业客户均可以较低门槛获得阿曼原油实物。而上海原油期货的其他可交割品种,如迪拜、阿布扎库姆、巴士拉轻质原油等品种定价较为复杂,其价格也不容易获得。因此我们可以参考阿曼原油进行上海原油上市基准价和开盘价格的推算。
确定定价计算的标的后,还需解决另一个问题,上海原油期货上市的最近一个合约是1809,半年后才交割,考虑到仓储或者持仓成本,需要找到相对应的阿曼期货合约。一般来说,阿曼原油从装运到入库交割需要大约2个月时间,这意味着SC1809合约需要参考阿曼七月份的原油合约。最后,我们还需计算阿曼原油从中东运到国内的成本,包括阿曼期货交割成本、海运费、保险费、损耗、国内交割、仓储费用等。
昨日INE公布基准价格之后,外盘原油大幅上涨,截至收盘WTI主力合约收于65.74美元,涨幅2.24%;Brent原油收盘69.75美元,涨幅2%;DME阿曼原油七月合约收盘66.35美元。
现在我们试算一下上海原油1809合约的理论价格。假设3月26日美元兑人民币为6.327,阿曼原油七月合约价格为66.35美元/桶,各种成本总和为2美元/桶。则SC1809合约理论价格约为:(66.35+2)*6.327=432元/桶。
重要信息21: 首日有何策略吗 ?
INE公布的SC1809上市基准价为416元/桶,低于理论估算价格432元/桶,因此开盘后可能会出现上涨回归理论价格的情况。

国际平台、净价交易、保税交割、人民币计价
从上海浦东新区往东南方向,30多公里的东海大桥将小洋山岛与大陆连接在一起。位于岛上的洋山港油库,将成为中国原油期货首批启用的6大指定交割仓库之一。
数十个白色巨大的油灌屹立在岛上,每个油灌上写着“洋山石油”及四位数字,并注有“保税”字样。“油罐上面T后面第一个数字1代表一期,因为我们建设了两期。后面的数字分别代表罐区和第几号罐。”洋山申港国际石油储运有限公司负责人对记者解释称,油库在建设时已经将备货的因素考虑在内。
在经过二十多年研究探索之后,我们即将推出的原油期货,又将以怎样的形式面对市场呢?“国际平台、净价交易、保税交割、人民币计价”,这17个字就是对原油期货合约设计方案亮点最简洁的概括。
证监会期货部副主任程莘表示,上市原油期货能够更好地服务我国实体经济高质量发展,既有利于为国内涉油企业提供有效的风险管理工具,有利于为产业链企业提供价格参考,也有利于形成金融市场全面开放的新格局,还将为全球投资者提供更多的中国市场机会和更加丰富的投资选择。
面向境内外
根据证监会春节前的公告,原油期货将于2018年3月26日在上海期货交易所子公司上海国际能源交易中心(下称“上期能源”)挂牌交易。这意味着中国首个国际化期货品种原油期货即将上市。
作为世界第一大原油进口国,国际原油价格的波动直接影响国内企业的利益。在国际原油价格急速下跌的时期,往往就会出现“原油还未进厂,油企就已经亏损”的问题。找到一个期货市场进行套期保值,规避现货市场价格波动的风险,就成为多年来国内油企的迫切诉求。
“常常听到民营企业的一些负责人说,炼油这个行业不好干,价格涨的时候赚得盆满钵满,价格跌的时就会亏很长时间。”一位长期从事石油交易行业的专家表示,原油期货的推出,可以为油企在价格单边变化时提供避险工具。
据悉,截至3月21日,已经批准149家期货公司会员和7家非期货公司会员,另有19家境外中介机构完成备案。
境内外交易者都必须满足上期能源中心的期货交易者适当性管理规定,包括了解规则、通过测试、历史交易经验,以及符合可用资金要求。具体而言,单位客户在申请交易编码前5个工作日保证金账户可用余额均不低于人民币100万元或等值外币,个人客户可用资金余额不低于人民币50万元或等值外币。
据上期能源介绍,境内交易者参与有两种方式,一是通过境内期货公司代理参与,二是按规定申请作为非期货公司会员直接参与交易。
境外交易者有5种参与方式:
一是作为境外特殊非经纪参与者直接参与原油期货交易,类似于没有结算权的非期货公司会员;二是通过境外特殊经纪参与者参与交易,类似于没有结算权的期货公司会员;三是作为境内期货公司会员的客户参与交易;四是通过境外中介机构委托境外特殊经纪参与者参与交易。五是通过境外中介机构委托期货公司会员参与交易。后两种统称为“二级代理模式”。
“与其他期货品种比,原油期货最大的区别是引入了境外交易者。”上期能源相关负责人近日在与记者交流时表示,国家相关部委从2012年以来陆续修改了相关规则,为境外交易者参与境内期货市场破除了障碍。但是,境外投资者在交易过程中,依然要满足多项要求。
近五年多来,从允许外资参与境内期货市场,到解决交割环节征税问题,再到解决境外交易者怎么开户、资金怎么进出、外汇如何兑换等问题,财税部门、海关总署、外汇管理部门等多个部委都相继修改了规则,为境外投资者参与提供了方便。
“比如,根据海关规定,一个油罐的货主只能有一个,但是期货由于仓单交易特点,一罐原油可以生成上百张、上千张仓单,交割配对时就会产生一罐原油对应多个货主。这就需要海关做出调整。”前述上期能源相关负责人表示,包括检验问题、油耗问题等等,都已经一步一步获得解决。
但是他也强调,境外投资者在外汇使用及兑换方面要严格遵循“封闭运行”的管理规定。首先,境外投资者可以选择用美元或者境外人民币做保证金,但是交易亏损只能用人民币来填补,交易盈利可以选择人民币或者美元结算,但必须在半年内保持一种货币。其次,境外投资者没有交易额度限制,但要符合交易持仓限制,且资金流向必须受到限定,遵循“单向流动”的管理规定。
中国人民银行在2015年发布的《关于做好境内原油期货交易跨境结算管理工作有关事宜的公告》和国家外汇管理局发布的《关于境外交易者和境外经纪机构从事境内特定品种期货交易外汇管理有关问题的通知》,都对原油期货交易结算做出了严格规定。
“如果在中国原油期货市场赚到钱,境外投资者还想继续投资境内的房地产、股票等资产,那么资金必须原路返回海外交易账户,然后再从目前政策允许的合法通道,进入境内市场,投资到其他领域,保持资金封闭运行。”上述负责人称,根据规定,境外交易者不能发起与交易无关的结售汇要求。
“十七字”特征背后
作为中国第一个国际化期货品种,许多方面与国内现行的期货设计都有明显不同。如前文所述,“国际平台、净价交易、保税交割、人民币计价”,是原油期货最突出的创新特征。
国际化平台,即交易、结算、交割国际化,境内外交易者均可较为自由地参与,包括跨国石油公司、原油贸易商、投资银行等,有利于形成反映中国和亚太时区原油市场供求关系的基准价格。前述负责人告诉记者,境内目前没有形成成熟的原油现货市场,但是,在国际市场上,原油是一个规模庞大、自由贸易的商品,号称“商品之王”,这也是为何我们的平台是面向国际市场的一个原因。
净价交易,即计价为不含关税、增值税的净价,区别于目前期货交易价格均为含税价格的现状,方便与国际市场不含税价格直接对比,同时避免税收政策变化对交易价格的影响。保税交割,就是依托保税油库进行实物交割。
“用含税价格做交易,会发现能够参与市场的主体非常少。而保税状态下,可以大大增加参与交易主体的数量。”前述负责人表示,虽然境内投资者更熟悉含税价格交易,但是含税价格也存在一些问题。比如保证金和手续费都是基于价格,含税的话就会推高交易成本。
人民币计价,也是此次中国版原油期货最受关注的一个特征。根据设计方案,原油期货将以人民币计价和结算,但可以接受美元等外汇资金作为保证金。
“在币种选择上,最方便的是选择与国际一致,以美元定价。”前述负责人表示,但是上海原油期货市场是面对境内外投资者双向开放的市场,如果用美元定价,对境内投资者来说,美元从哪里来、如果处理,又变成一个更加复杂的问题。而且,随着人民币国际使用频率提升,以人民币计价,总体上更有利于原油期货的推出。
根据上期能源公布的方案,原油期货交割品种为中质含硫原油,交易单位为1000桶/手,合约交割月份是36个月,最后交割日为交割月份前一个月的最后一个交易日,原油期货交易时间包括三段,即上午9:00~11:30、下午13:30~15:00、晚上21:00~第二天2:30。第一财经记者获悉,在目前交易结算不分离的情况下,原油期货交易时间不能做进一步延长。
值得注意的是,原油期货交易将沿用交易编码制度、保证金制度、持仓限额制度、大户持仓报告制度等,同时,上期能源还将执行投资者适当性审查、一户一码实名制开户、实际控制关系账户申报等规则,强化资金专户管理和保证金封闭运行。记者获悉,下一步,上期能源还将制定发布异常交易行为管理细则和实际控制关系账户管理细则。
“有人说我们国家是从2001年开始准备原油期货上市,实际上,这个工作的开始还要更早十年。”前述长期从事石油交易行业的专家告诉记者,上世纪90年代石油交易所关闭之后,交易所内有一批专业人士就开始学习期货交易,有的“从本科一直学到博士毕业”,可以说为推出原油期货进行了非常精心的准备。
上期能源相关负责人表示,原油期货市场建设是一个长期过程,欢迎境内外交易者积极参与我国原油期货交易。同时,上期能源将加强监测和预判,履行一线监管职责,严厉打击各类违法违规行为,保障原油期货市场的正常交易秩序。
“原油期货市场建设是一个复杂的系统性工程,市场培育和功能发挥也是一个长期渐进的过程。”程莘也表示,境内方面将努力建设一个运作规范、安全高效、内外联通的原油期货市场。