我国压力容器产品标准目前存在两个体系,分别是以GB/T150、GB/T151等标准组成的规则设计体系和以JB 4732为基础的分析设计体系。
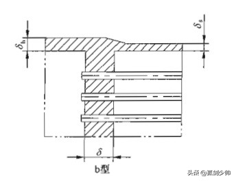
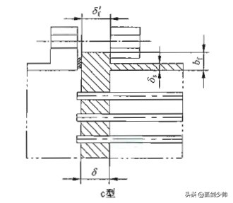
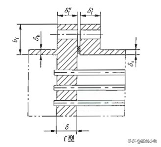
单从受力分析来讲,无论GB/T151还是JB 4732中的内容,均是基于板壳理论的弹性解析解,在各自的适用范围内,计算结果均可满足工程要求。JB/T 4732标准中纳入了更多结构形式,计算更为复杂。GB/T151中基于管板周边边界条件的差异,提供了6种典型管板连接结构:
a型:管板通过螺柱、垫片与壳体法兰和管箱法兰连接;

b型:管板直接与壳程圆筒和管箱圆筒形成整体结构;

c型:管板与壳程圆筒连为整体,其延长部分形成凸缘被夹持在活套环与管箱法兰之间;

d型:管板与管箱圆筒连为整体,其延长部分形成凸缘被夹持在活套环与壳体法兰之间;

e型:管板与壳程圆筒连为整体,其延长部分兼做法兰,用螺柱、垫片与管箱连接;

f型:管板与管箱圆筒连为整体,其延长部分兼做法兰,用螺柱、垫片与管箱连接。

常见的是 a)型 和 e)型。