朋友们大家好我是大俵哥,今天我们一起来看一下时间继电器怎么自锁。很多朋友都知道交流接触器可以自锁,中间继电器也可以自锁,但是知道时间继电器也可以自锁的确实不多。时间继电器常见的有通电延时型和断电延时型,可以实现自锁的是通电延时型。

通电延时型的时间继电器型号很多,动作触点大体分为两种,一种是带延时的动作触点,一种是瞬时的动作触点,带瞬时动作触点的时间继电器在线圈得电的瞬间就会动作,根据这一点,我们再结合交流接触器自锁的工作原理,就不难理解,这种时间继电器也是可以自锁的。

如上图中两种时间继电器的接线图,左边的这种有两组延时触点,而右边的这种有一组延时触点一组瞬时动作触点。


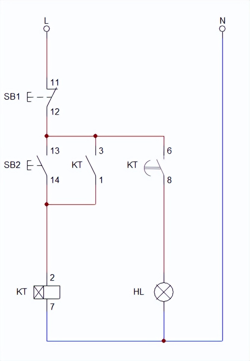
小案例:一起来看一下这个电路,原理分析:合闸送电,按下启动按钮SB2,时间继电器线圈得电,自身的瞬时常开触点1-3立即闭合,松开SB2,时间继电器通过闭合的1-3持续给线圈供电形成自锁。到达设定时间,延时闭合触点6-8闭合,指示灯发光,按下停止按钮SB1,指示灯熄灭。

这个是对应的实物接线图,需要的朋友自行保存,感谢大家的支持。

电气自动化入门教学精讲课程
¥19.9
购买