单相照明双路互备自投供电电路


双路三相电源自投电路


茶炉水加热自动控制电路


简单的温度控制器电路


简易晶闸管温度自动控制电路


用双向晶闸管控制温度电路


XCT-101动圈式温度调节仪控温电路


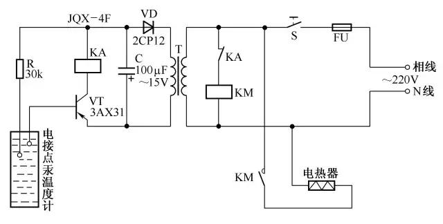
电接点压力式温度表控温电路


TDA-8601型温度指示调节仪控温电路


XMT-DA数字显示调节仪控温电路


△/Y变换的炉温控制电路


简易温度控制电路


双功能三相电阻加热炉控制电路


自动气体循环炉控温电路


喷水池自动喷水控制电路


自动节水电路


电力变压器自动风冷电路


用电接点压力表做水位控制电路


UQK-2型浮球液位变送器接线电路


UQK型液位变送器(旧型号GSK)接线电路






GDB型双池液位控制器电路


供水、排水应用电路


简易水位自动控制电路


全自动水位控制水箱放水电路


改进的水位自动控制电路


大型水塔自动控制供水电路


高位停低位开的自动控制电路


排气扇自动控制电路

