
充电器将高压转换成低压同时能够对电池进行恒流、恒压等模式进行充电,有时候也称为适配器。对手机充电器来说,充电器负责电压变换、功率输出和以及限流保护,手机内部配有电池管理系统,对电池的电流、电压和电量进行监测和控制。

1、大块头
笔者最早接触的充电器是儿时随身听大块头充电器,其内部是一个工频变压器加整流桥和平滑电容,内部都不带有稳压器的,别问我是怎么知道的。在那时觉得这是一个极其神奇的存在,可以取代电池,要知道,那时候的电池用不了多久就光荣退休了。笨重,构造简单同时也可靠耐用。NOKIA早期的充电器就是这种原理,输入为220VAC 50Hz输出为3.7VDC并提供最大355mA的充电电流,输出功率仅1.3W。充电线和充电器是一体的,而充电口也是圆形的,虽然输出功率不大,可是块头却很大。不过对于当时几百几百毫安时的手机电池足够了。

交流适配器(0.9W)

Nokia标准旅行充电器

工频变压器
2、小身材,大能量
早期的Nokia数据线和充电线还是分开的,USB数据线只能进行数据交换,而无法进行充电。诞生于上世纪中期的USB,最初是将诸多外设连接至计算机,并不具备充电的能力,但是能提供一定的供电能力。2000年出现的USB2.0,默认外设吸收100mA的电流,通过协商能最大能提供500mA的电流。手机或者其他想使用USB设备充电的制造商在插入USB2.0设备时,最多能获得500mA的电流。同时期手机配备的充电器输出电流在500mA上下浮动,当然具体以多大电流充电依旧是由手机控制而非充电器决定。
使用USB数据线作为充电线,具有很强的通用性,数据线可以换着用,充电器也可以换着用,甚至任何一个USB口都可以插上为手机充电;充电和数据传输可以同时进行,你可以边传图片,边充电,好吧,只要插上不管干什么都得充电。既然使用USB接口充电那就要服从USB IF(USB Implement Forum,USB规范的提出机构)的指挥,标准的USB2.0能提供500mA的电流,目前市面上大部分都是USB2.0,也有部分USB3.0,其最大电流为900mA。USB BC(BC Battery Charge电池充电,以后简称BC规范)是USB IF提出的充电标准,USB2.0规范没有关于充电的标准,BC规范(广泛应用的版本是BC1.2)是USB2.0协议族的补充,所有采用Micro-USB接口充电的设备都应满足这一标准,但总有例外例如苹果,三星。BC规范将最大充电电流提升至1.5A。
BC规范的核心是识别机制,通俗的讲,手机不再盲目地汲取电流,而是根据USB设备类型而决定。将供电的设备分为3种,能提供500mA电流的USB,能提供1.5A的USB,和能提供1.5A的充电器。至此手机充电器,已经能提供最大7.5W的功率,使用的开关电源技术,功率增大的同时体积却大大减小。

RCC充电器电路(5V500mA 2.5W)
3、快充时代
智能手机出现以后,彻底改变了人们的生活,手机处理器性能越来越强劲和内存越来越大,对电量的需求也是越来越大。手机电池也越来越大,当电池容量突破3000mAH大关,5V 1.5A充电时间已经相当可观了。在手机处理器界占据大半壁江山的高通,振臂一呼QC1.0(Quick Charge 1.0 快速充电) 打破BC 1.2 对于1.5A的限制,达到5V 2A,充电时间缩短了40%,现在千元机大部分都配置了5V2A的充电器。Micro-USB,电流限制一般认为是已经到了极限,再提高电流将增加发热,对于数据线和接口提出更高要求。
我们知道功率为电流和电压的乘积,提高充电输入,就是加大充电的功率,既然电流已经到了极限,那么可以提高电压,继续加快充电速度,QC 2.0应运而生,通过握手协议,让手机与快速充电器相互识别,充电器可以输出9V、12V和20V的高压,在2A电流不变的情况下继续提高充电功率,而且现有的线材和接口完全可以满足。但是电压太高又会引入新的问题,电池电压一般为4.2V,输入过高的电压,手机就要负责将高压降至4.2V左右的低压才能进行充电,电压变换阶段效率不会是100%,就必然有一部分以热量形式散发出来。而且电压差越大,发热量越高,这也是快速充电时手机发热的原因之一,还有一部分是电池发热。大部分手机厂商也只采用了5V、9V和12V三个档,20V几乎没有采用的。当支持QC2.0的手机和充电池配合使用,将大大缩短充电时间。
QC3.0兼容QC2.0同时将电压继续细分采用INOV算法,以200mV为一档调整,最低可下探至3.6V最高电压20V,并且向下兼容QC2.0。由于Type-c接口逐步取代原来的Micro-USB接口,最大电流也提升到了3A;标准输出方案:3.6V~6.5V3A,6.5V~9V2A,9V~12V1.5A (18W)。QC4.0技术将最高功率调整到28W,方案设计为5V/4.7A~5.6A和9V/3A,舍弃了12V的设计,且步进电压调整为10mV。由高压小电流转向低压大电流,粗犷到精细化控制的转变趋势。
快速充电无非提高电流或者提高电压,在Micro-USB时代电流2A已经是瓶颈,快充的解决方案是高压小电流。到了Type-C时代电流突破5A,快充的解决方案更倾向于低压大电流。基本的方案有了,剩下的问题就是解决何时输出高压,何时输出低压。除了高通的充电协议,许多厂商如OPPO、华为、魅族和MTK等厂家也推出了自己的快充协议,其本质都是先用5V标准电压进行充电,然后进行握手识别,进而手机控制充电器的功率输出,或提高输出电压或增大输出电流。典型的低压大电流充电技术是OPPO的VOOC,VOOC为了满足大电流输出的要求将标准的数据先进行改造,由传统的5针增加至7针,外形还是Micro-USB的样子,低压充电技术的好处是手机端不会增加额外的电压转换,大大减小充电发热量,对于充电器来说,增加和减小输出电压,效率变化不是很大,加上次级应用同步整流技术的应用,发热量不会很大。
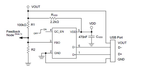
以支持QC3.0的快充芯片FP6601Q为例简单分析快充的识别控制过程。

C2.0/3.0 输出电压对应表

FP6601Q典型应用原理图
该芯片默认控制输出5V 首先将D+和D-置于2.7V,以便于能为苹果设备充电。如果接入QC2.0/3.0设备,D+电压会被拉低到0.325V和2V之间,同时芯片内部将D+和D-短接,进入BC1.2 模式即输出5V@1.5A,如果D-继续维持在0.325V和2V之间超过1.25秒,那么将进入QC2.0/3.0或FCP(华为的高压充电协议)模式。对于QC2.0芯片根据D+和D-的电压输出5V、9V和12V,对于QC3.0则进入连续模式,根据D+/D-步进调整电压:D+数据线上,超过200uS的高脉冲将步进提高电压,直到电压升高至12V,D-数据线上,超过200us的低脉冲将步进降低输出电压,直至电压降低至3.6V。
可见快充技术并不存在技术难题,而是各大厂商为了省去不菲的认证费用,都在使用自己的快充协议,实现快充就必须使用原装的充电器,否则就只能以5V慢充。USB-PD的出现有望出现统一的局面,拭目以待。


标准充电器电路板(5V1A 5W)

具备快充协议的适配器(5V3A/9V2A/12V1.5A 18W)
享受快充带来便利的同时,快充是否会加速电池老化,缩短电池寿命呢?答案是不会。影响电池寿命的原因有几个,过冲过放,温度过高或过低。针对电池,正如前面所述,目前手机内部已经集成了电池管理系统,实时监控电池的温度,充电电流和放电电流。快充能提供很大的功率,但是具体能有多少进入手机电池,还是手机自己控制的。充电速度和放电速度都控制在电池允许的范围内,可以放心使用快充。
部分高端机型已经配备无线充电器,不会出现有线连接带来的插拔磨损,即放即充,随用虽取。无线充电目前功率在10W左右和有线快充动辄20W的速度还是有差距的而且无线充电也不是真正的无线,手机需要放到配套的充电座上。无线充电尚处于发展初期,市场上出现的无限充电设备数不胜数,能给消费者带来便利的并不多,各大手机厂商也不曾忽视这一技术,纷纷在自己的旗舰机型上配备该功能,当无线充电技术实现真正的无线,那么取代有线快充的日子也就不远了。
快速发展的新能源汽车,使用的充电桩,从功能上来看就是一个大型快充,只是保护机制更完善,充电机制更智能,充电功率更大,新能源汽车与传统汽车相比最大的劣势便是充电时间要远大于加油时间,而续航里程却低于传统汽车。在充电桩加持下,充电时间都不够短,使用无线充电,则毫无优势可言。如果是为了省却下车插枪充电的烦恼,只为潇洒锁车离开,那倒可以一试无线充电;但是如果想尽快充满电开走,还是乖乖使用充电桩吧。对于新能源汽车,无论是有线充电还是无线充电,充电速度都是亟待解决的问题。