作者通过典型案例分析,探讨了利用定时器、计数器级联的方式实现长时间计时的原理,给出了编程思路和梯形图程序。

在很多工程应用中,根据控制功能要求,需要对系统进行24小时监控,在经过某一特定时间或遇到紧急情况后给出提醒或预警。为了减少人为因素造成的影响,我们希望系统能自动进行。PLC中的定时器便具有这个功能。
但是,定时器的计数值在PLC的内部使用二进制,一个16位二进制字除去一个符号位后,能表示的最大整数是32767,它将对应定时器的最大定时时间。以100ms定时器为例,32767对应最大定时时间为32767×0.1=3276.7(s),时间不足1小时。这使得在使用单个定时器编制长时间计时程序受到很大制约。
由于定时器的计时时间有限,利用单个定时器达不到长时间计时的目的,要解决问题需要利用软件编程来实现长时间计时。下面以S7-200 PLC为例,通过案例来探讨利用定时器和计数器扩展的方式进行长时间计时,供使用者参考。
1 定时器、计数器的应用
1.1 定时器基本应用
S7-200 PLC有三种类型的定时器,接通延时定时器(TON)、断开延时定时器(TOF)、记忆接通延时定时器(TONR)。以常用的延时接通定时器(TON)为例讨论定时器的基本应用。

图1 定时器基本应用
工作原理:当输入端闭合,即I0.0为“ON”时,定时器T37接通并开始计时,10秒后,定时器T37常开触点接通并保持,输出继电器Q0.0输出。I0.0断开,定时器复位,Q0.0断开。
1.2 计数器基本应用
S7-200 PLC有三种类型的计数器,增计数器(CTU)、减计数器(CTD)、增/减计数器(CTUD)[2]。以常用的增计数器(CTU)为例讨论计数器的基本应用。

图2 计数器的基本应用
工作原理:首先,使I0.1输入端通、断一次,计数器C0复位,即当前值回“0”。然后,每通、断一次I0.0,计数器C0记录1个数,即C0当前值加1,当C0当前值达到10后,计数器C0常开触点接通并保持,输出继电器Q0.0输出,直到I0.1再次闭合,计数器复位,Q0.0断开。
1.3 定时器级联扩展延时
对于分辨率为100ms的延时接通定时器(TON)来讲,其设定值最大为32767,延时时间最长为3276.7秒。当超过该时间,单个定时器则无法完成计时功能。这种情况下,可以利用定时器级联的方式实现延时时间的扩展。
案例1:利用两个定时器级联实现延时1小时

图3 定时器延时1小时
总的延时时间T=T37+T38=1800秒+1800秒=3600秒=1小时。这是单个定时器无法完成的定时时间。
还可以用同样的方法实现三个、四个定时器级联延时。这种扩展方法的计时时间是各个定时器计时时间的总和。
1.4 利用计数器延时
案例2:利用两个计数器实现延时10小时

图4 计数器延时10小时
总的延时时间为:1秒×(6000×6)=36000秒÷3600秒=10小时。
这种扩展延时方法的关键是:(1)在网络1中,首先,利用特殊功能寄存器SM0.5(周期为1秒,占空比为1:1),作为计数器C0的计数输入脉冲,在计数的同时实现计时;第二,将C0的输出作为自身的复位,实现记录6000个脉冲后重新开始。(2)在网络2中,将C0的输出作为C1的输入,实现每记录6000个脉冲触发C1计数1次。
3 案例分析
3.1控制要求
某住宅小区需要24小时昼夜定时报警,早上6:30,电铃每秒响一次,6次后自动停止;9:00-17:00,启动住宅报警系统;晚上18:00打开小区内照明系统;晚上22:00关闭小区内照明系统。
3.2 I/0口分配

表1 I/O 分配表
3.3 接线图

图5 接线图
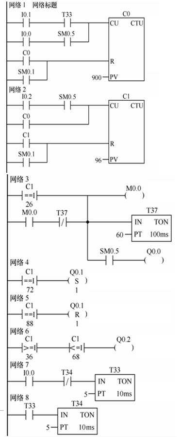
3.4 梯形图程序
程序说明:
(1) 网络1、网络2 中,I0.0为系统启动开关;I0.1 为快速调整开关; I0.2为系统实验用开关;SM0.1用于上电时系统复位;C0 、C1两个计数器级联,C0形成900秒的计时周期,C1记录96个900秒,共计900×96=86400秒,即24个小时;
(2)网络3用于实现早晨6:30启动电铃,电铃每隔1秒响1次,6次后停止;
(3)网络4用于实现晚上18:00开启小区内照明系统;网络4用于实现晚上22:00关闭小区内照明系统;
(4)网络5用于实现9:00到17:00开启小区内报警系统;
(5)网络7、网络8,形成0.1秒钟震荡信号,用于快速调整系统使用。

图6 梯形图程序
4 结束语
定时器指令和计数器指令是PLC编程的重要指令,掌握好它们的使用方法,使设计格式规范化,可以优化设计程序,对编程水平的提高有十分重要的意义,利用编程实现长时的方法还有很多,案例也不胜枚举,同时,灵活利用定时器和计数器组合进行长时间计时,PLC的编程功能,既可减少硬件设备资源,降低生产成本,又使系统运行灵活可靠。
本文编自《电气技术》,标题为“关于利用PLC定时器和计数器进行长计时功能的探讨”,作者为侯肖霞。