一、模块概述
E22-900M22S是基于美国 Semtech 生产的全新一代 LoRa射频芯片SX1262 为核心自主研发的超小体积并适用于 868/915MHz 贴片式 LoRa无线模块,使用工业级高精度 32MHz 晶振。由于采用原装进口的 SX1262 为模块核心,与上一代 LoRa 收发器相比,抗干扰性能与通信距离得到了进一步提升。由于其采用全新的 LoRaT调制技术,在抗干扰性能、通信距离都远超现在的 FSK、GFSK 调制方式的产品。该模块主要针对智能家庭、无线抄表、科研和医疗以及中远距离无线通信设备。
由于射频性能与元器件选型均按照工业级标准,并且该产品已获得 FCC、CE、RoHS 等国际权威认证报告,用户无需担忧其性能。该产品可覆盖 850~930MHz 超宽适用频率范围并向下兼容 SX1278、SX1276。由于该模块是纯射频收发模块,需要使用 MCU 驱动或使用专用的 SPI 调试工具。
二、模块特点功能
与 SX1278 模块相比,SX1262 模块具有功耗更低、速度更快、距离更远的显著优势;
超小体积,仅 14x20mm;
理想条件下,通信距离可达 7km;
最大发射功率 160mW,软件多级可调;
支持全球免许可 ISM868/915MHz 频段;
LoRa模式下支持 0.018k~62.5kbps 的数据传输速率;
FSK 模式下支持最高300kbps 的数据传输速率;
向下兼容SX1278/SX1276 系列射频收发器;
FIFO 容量大,支持256Byte 数据缓存;
为支持密集网络推出的全新 SF5扩频因子;
工业级标准设计,支持-40~+85℃下长时间使用;
双天线可选(IPEX/邮票孔),便于用户二次开发,利于集成;

机械尺寸图

引脚定义图

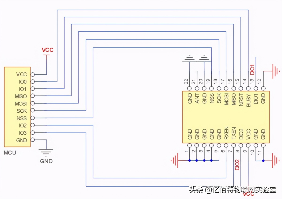
基本电路图
三、模块应用场景
家庭安防报警及远程无钥匙进入;
智能家居以及工业传感器等;
无线报警安全系统;
楼宇自动化解决方案;
无线工业级遥控器;
医疗保健产品;
高级抄表架构(AMI);
汽车行业应用