普通双桶波轮式洗衣机由洗涤部分和脱水部分组成,这两部分的机械系统和电气系统都自成一体,即可同时工作,也可单独工作。普通双桶波轮式洗衣机以其洗净率高、造价低廉、体积小、重量轻等优点在我国被广泛使用。

一、组成结构介绍
普通双桶波轮式洗衣机主要由箱体、洗衣桶、脱水桶、波轮、电动机、传动机构、控制机构(包括定时)、排水机构等部分构成,如下图所示。

1.箱体
箱体是双桶洗衣机的外壳,用以安装洗衣机的各种组件,并对箱内安装的部件起保护作用。为了便于维修,箱体后部可以拆卸。
2.洗衣桶
是用来盛装洗涤物和洗涤液的容器,在洗涤桶内还装有排水过滤罩、溢水过滤罩和强制循环毛絮过滤系统。
1)排水过滤罩安装在桶体的最低处,上面有几排小孔,用作过滤洗涤桶内的脏水,防止异物堵住排水阀和排水管。
2)溢水过滤罩安装在桶壁上,上面有几排长形小孔。当洗衣桶的水位高出长形小孔的时候,可通过这些小孔迅速从溢水管排出。
3)强制循环毛絮过滤器主要由毛絮过滤网架、集水槽、循环水管、回水管、回水罩挡圈、左右进水口、波轮叶片等组成。

3.脱水桶
脱水桶与脱水电动机同轴旋转,在它的桶壁上有许多小圆孔,洗涤物中的水分在离心力的作用下由此甩出。为了安全,脱水桶盖与安全联锁开关(俗称盖开关)是联动的,即盖好脱水桶盖则安全联锁开关闭合,打开脱水桶盖则安全联锁开关断开,切断脱水电动机的电源。
4.波轮
波轮是波轮式洗衣机对洗涤物产生机械洗涤作用的主要部件,波轮一般采用聚丙烯塑料或ABS塑料注塑成型,通常外表面有几条凸起的光滑过渡筋。一般的双桶洗衣机波轮采用小波轮,波轮直径为180~185 mm,转速为(450~500)r/min,多数洗衣机的波轮装配在洗衣桶底部中心偏一些位置。
5.传动结构
电动机的传动机构均采用一级皮带减速传动方式,传动皮带一般为单根V带。 在传动机构中,波轮轴总成是支撑波轮、传递动力的关键部件。波轮轴总成由波轮轴、含油轴承、密封圈等构成,如下图所示。

6.电动机
在各种类型的洗衣机上,作为洗涤和脱水的动力,主要采用的是电容式单相交流异步电动机。单桶洗衣机只用1台电动机,双桶洗衣机使用2台电动机,1台用于洗涤,1台用于脱水。波轮洗衣机普遍采用四极电动机,其外形与结构如图所示。


1)洗涤电动机。洗涤电动机通常有4种功率规格:90W,120W,180W与280W,配用6~1OμF的运转电容器。由于洗涤电动机采用正、反向频繁换向的运转方式,因此它的两个定子绕组无正、副之分,其接线图如图所示。

2)脱水电动机。脱水电动机的功率通常为75~140W,旋转方向都是逆时针方向。由于脱水电动机只有一个转动方向,因此其定子绕组有主、副之分。由于电动机以1 400r/min的高速度旋转,加上脱水桶内的衣物分布不可能完全均匀,因此,转动时脱水桶将产生较大的振动。为了减小振动和偏摆,在脱水电动机与洗衣机底座之间安装3组弹簧支座(减振装置),减振装置是由减振弹簧、橡胶套和上、下支架组成,其结构如图所示。

脱水电动机的制动装置(刹车机构)如图所示,当洗衣机工作在脱水状态时,刹车机构工作在如图b状态,此时钢丝套中的钢丝拉紧,刹车块离开刹车鼓,脱水内桶自由转动。当脱水电动机运转时或脱水过程结束后,若打开脱水桶外盖,安全联锁开关就会切断电源,并把钢丝放松,使得刹车块在刹车弹簧收缩力作用下,紧紧地压在刹车鼓上的外圆柱面上,如图a所示,这样刹车块与刹车鼓之间产生很大的摩擦力,使得脱水桶迅速(约10s)停止转动。

7.定时器
洗衣机定时器包括洗涤定时器与脱水定时器。
洗涤定时器是控制洗衣机洗涤的总时间及洗涤过程中波轮的正转一停一反转程序;脱水定时器用来控制洗衣机的脱水时间。
1)发条式定时器。
2)电动式定时器。
3)电子式定时器。
洗涤定时器额定时限一般为15min,脱水定时器时限一般为5min,实际使用时脱水1~2min即可,继续延长脱水时间,脱水率也不会明显提高。

8.进、排水系统
普通波轮洗衣机的进水完全是由人工操作的,排水则通过排水开关、排水阀及排水管来实现。

二、控制电路介绍
普通双桶波轮式洗衣机控制电路由两部分组成:一部分是洗涤控制电路;另一部分是脱水控制电路。这两部分电路是相互独立的,可以独立操作。
1.洗涤控制电路
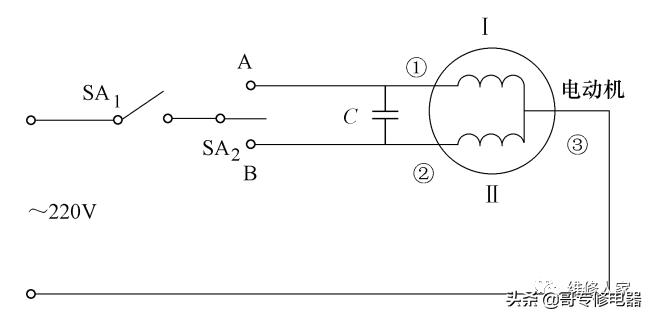
洗涤控制电路主要包括洗涤定时器、洗涤选择开关、电动机及电容器等,其中洗涤定时器用来控制电动机按规定时间运转,同时,定时器按规定时间把电容器与电动机的两个绕组轮流串接以改变电动机的旋转方向。洗涤定时器的主触点开关和洗涤选择开关串联在电路中,顺时针转动洗涤定时器旋钮,主触点就接通,此时若不按下洗涤开关中的某一个按键,电动机仍不运转。
使用洗衣机时,首先按下所需的洗涤选择开关,例如按下标准或轻柔洗涤按键,并设定洗涤定时器的时间,此时电源经定时器主触点开关SA和洗涤开关,然后通过洗涤定时器内控制时间组件的触点开关SA1(或SA2),向洗涤电动机供电,这时电动机在定时器控制时间组件的控制下,按预定时间分别完成正转——停——反转的周期性动作,从而实现标准或轻柔洗涤。一般标准洗涤时,电动机正或反转25~30s,间歇3~5s;轻柔洗涤时,正或反转3~5s,间歇5~7s。

2.脱水控制电路
脱水控制电路由脱水电动机、脱水定时器、脱水桶盖开关等组成。由于脱水内桶只单方向转动,所以脱水定时器只有一个触点开关。在电路中脱水定时器与盖开关相串联。只有完全合上脱水桶外盖,盖开关才闭合,因此需要脱水时,首先将衣物放入桶中,合上盖板,顺时针旋转脱水定时器至所需的时间位置,此时电源经盖开关、脱水定时器开关向脱水电动机供电,脱水电动机运转,洗衣机进入脱水工作状态,直到脱水定时器预定的时间到,脱水操作结束。
更多资料可关注微信公众号:维修人家。