今天,小编我给大家带来了水温传感器的相关电路知识内容。用心看完,收获满满~
先简单介绍一下水温传感器的基础知识内容。
一、水温传感器的作用
1、测量冷却液温度,用于冷起动、控制风扇、目标怠速计算等。
2、用来检测冷却液温度的高低,并作为燃油喷射的修正信号。
3、给水温表提供水温信号,方便实时的了解发动水温状况。
二、分类
按线数分为一线式、两线式、三线式、四线式水温传感器。

PS:一线式水温传感器,是连接水温表的,两线式连接仪表或给电脑供电,三线与四线式水水温传感器,则是将两个传感器(给水温表与给电脑提供信号)集成到了一起。
三、安装位置
安装在冷却水道上面,主要在缸盖、缸体、节温器附近

四、结构组成
冷却液温度传感器主要由热敏电阻(负温度系数)、壳体、插头等组成。

PS:负温度系数热敏电阻的特性为温度越高,阻值越低;温度越低,阻值越高。
五、工作原理
水温传感器,依据热敏电阻的特性,其阻值随温度的变化而变化,信号电压也随之发生变化,ECU再根据当前的水温信号控制喷油量等。
六、相关电路
1、水温传感器到仪表

这个电路相对比较简单,水温传感器一端接仪表上的水温表,另一端直接外壳搭铁(一线式)或者通过线束到搭铁点进行搭铁(两线式)。
2、水温传感器到电脑

给到电脑的水温传感器为两根线,一根搭铁,一根是传感器信号线。
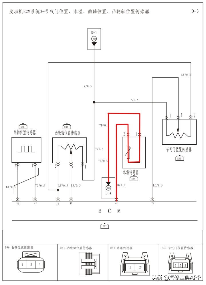
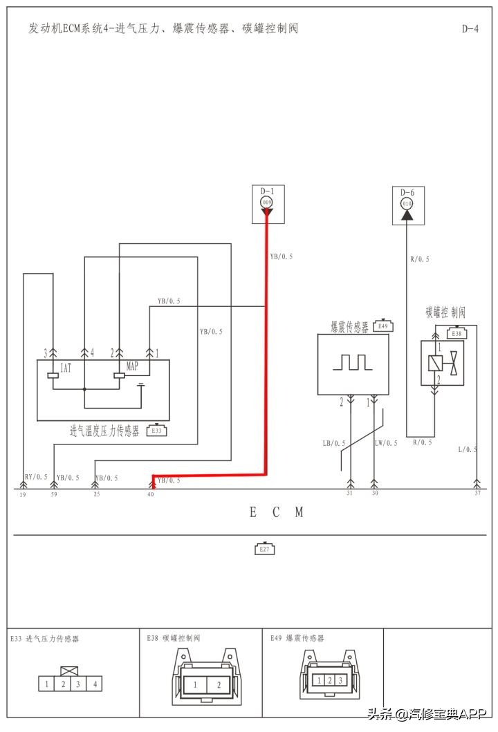
我们再看一下实车电路图

从这一幅图中,我们可以看到,它的一端与电脑相连,另一端是与D-4页面的009号点处相连。我们接着往下看

我们在D-4页面中找到009号点,可以看到,它是与电脑的40号脚相连。
(PS:在看某个系统,或某个部件的相关电路时,可先忽略其余的不相关电路)
电路图连接,我们知道以后,接下来我们再看看水温传感器坏了会有什么影响 ,该如何维修。
七、维修检查
1、水温传感器坏了的影响
A、水温表不准或不工作
B、冷起动困难
C、混合气过浓
D、怠速过高
E、风扇不转或常转
2、水温传感器的常见故障
A、传感器内部短路或断路
B、传感器线束故障
C、传感器插头氧化、松动
3、水温传感器的检测方法
A、电阻检查

水温传感器的电阻通常在275Ω~6500Ω之间,我们在测量的时候,一般会测量几个不同温度下的电阻值,看其是否符合负温度系数热敏电阻的特性,以及是否是断路状态。来判断其是否存在故障
B、电压检查

测量电压时,分为拔下传感器插头看插头信号线与搭铁线之间的电压,与插回插头,看不同水温下传感器信号线与搭铁线之间的电压。观看电压值是否会变化,来判断水温传感器是否存在故障。
C、数据流检查

我们通过数据流进行检查时,一般看数据流显示的,也就是水温传感器给到电脑的水温数值是否符合实际情况,水温是否会随着车时间发生变化,也可与水温表进行对比,看数据是否一致等。
好了,今天关于水温传感器的相关知识讲到这里就结束了,你是否有不同见解或其它意见?欢迎在下方评论区指出。