生活中我们会遇到很多无线遥控相关的产品,比如电动车遥控、汽车遥控、无线遥控灯、卷帘门遥控等这些通过RF无线射频传输,当然我们也会遇到一些使用红外线传输的产品,比如电视、空调遥控器等,其实两者的解码方式差不多,只是实现无线传输方式的载体不同的差异,今天我们主要讲解无线射频发射的遥控具体硬件电路的原理,后面会继续发布关于无线射频的接收以及软件解码C语言的内容(如何实现软件学习配码、拷贝码、滚码原理),喜欢的小伙伴可以关注我,带你一起学习电子知识。
无线射频的频率市场上常见的有315MHz、433MHz两种,如果要实现正确的通信,发射和接收必须是相同的频率才可以,否则不能正常的解码。
首先我们介绍发射电路,电路图一为电容三点式震荡方式,也是常用的一种工作方式,一般采用SAW声表作为滤波器件,发射的频率比较稳定,不随温度和电池电压的变化而变化,声表的频率决定了该发射器的具体发射频率。采用PCB铜箔作为天线和LC回路,实际在Layout时对天线的走线很重要,无经验的工程师往往需要改几次PCB才能调整到合适的发射频率,调试需要借助频谱仪先将震荡频率调整到需要的频率大约±30M左右,然后焊上声表测试波形,看发射功率是否达到要求,适当调整负载电阻R2可以改变发射电流,一般电阻应小于200欧姆,调整分压反馈电容C1、C2很容易使电路起振,根据经验一般C1不要过大,小于3P即可,C2小于20P,根据设计适当调整参数很容易就达到设计要求,一般空旷100米传输是可以达到的。该电路比较适合12V电池和紧凑的PCB空间场合。

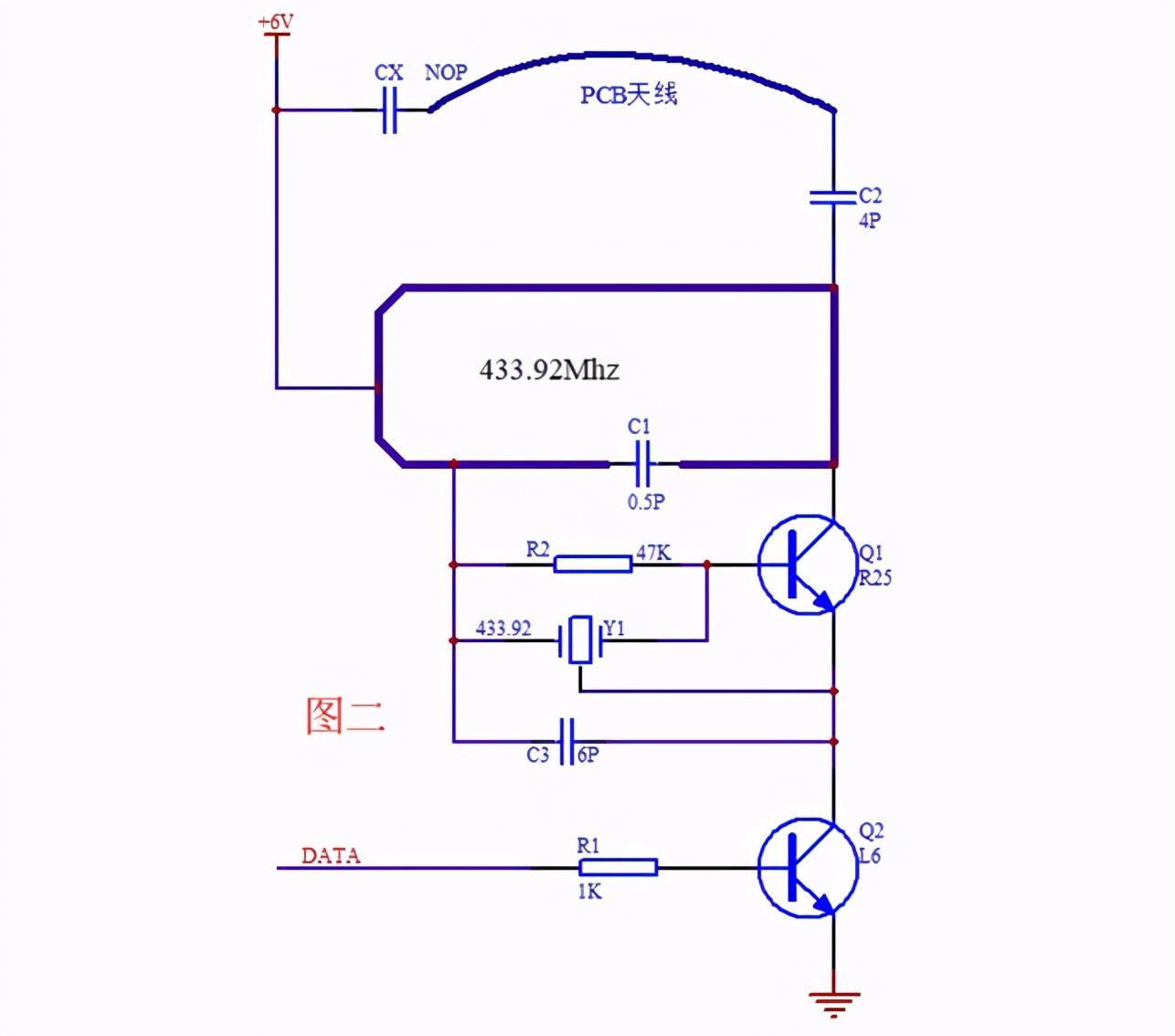
图二电路图是应用在6V或3V电池场合,一般使用两个2016纽扣电池叠加,该电路工作方式和图一类似,调整C1、C3的值可以使电路震荡,调整前先用一个小容量的电容代替声表,调试LC的震荡回路是否接近需要的频率范围。

三极管B极DATA数据信号可由发码芯片如:EV1527、PT2260、HS301等输出脉冲信号,也可以用MCU自定义发码格式,现在市场上国产MCU价格不高性能也不错,很适合产品应用。