电力拖动是指用电动机拖动生产机械的工作机构使之运转的一种方法。它包括电源,电动机,控制设备,传动机构。要想机械完成一定的工艺,就要求电动机按工艺要求完成不同的旋转方式,用某一种线路连接控制设备使之达到要求,这些线路就是电力拖动控制线路。
它包括有:点动线路,连续运转电路,正反转电路,多地控制线路,降压启动线路,多速异步电动机控制线路,位置控制线路等。这些都是电力拖动控制线路。
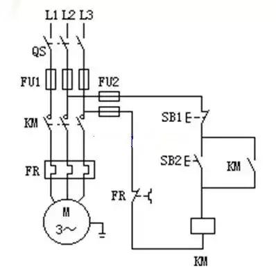
1、电动机连续运转控制原理图

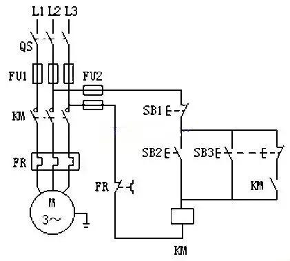
2、电动机点动控制原理图

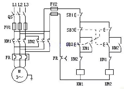
3、接触器控制的正反转电路

4、双重联锁正反转控制电路

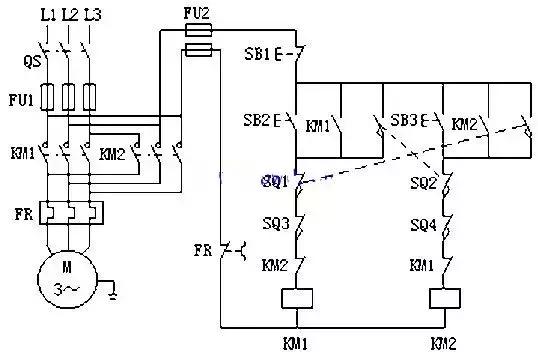
5、自动往返控制电路原理图

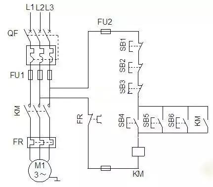
6、多地控制

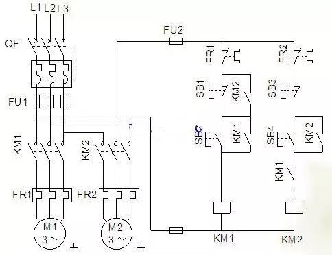
7、顺序控制—先启后停

8、顺序控制—先启先停

9、三相笼型异步电动机定子绕组串电阻起动

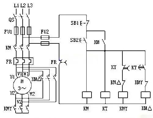
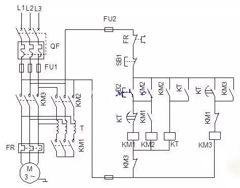
10、Y—△降压起动控制

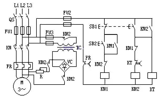
11、自耦变压器降压启动

12、电动机耗制动控制电路的原理图

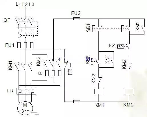
13、单向反接制动控制电路

欢迎转发评论