电容器在电子电路中几乎是不可缺少的储能元件,它具有隔断直流、连通交流、阻止低频的特性。广泛应用在耦合、隔直、旁路、滤波、调谐、能量转换和自动控制等电路中。熟悉电容器在不同电路中的名称意义,有助于我们读懂电子电路图。
1、滤波电容:接在直流电源的正、负极之间,以滤除直流电源中不需要的交流成分,使直流电变平滑。
一般采用大容量的电解电容器或钽电容,也可以在电路中同时并接其他类型的小容量电容以滤除高频交流电。
2、去耦电容:幷接在放大电路的电源正、负极之间,防止由于电源内阻形成的正反馈而引起的寄生震荡。
3、耦合电容:接在交流信号处理电路中,用于连接信号源和信号处理电路或者作两放大器的级间连接,用以隔断直流,让交流信号或脉冲信号通过,使前后级放大电路的直流工作点互不影响。
4、旁路电容:接在交、直流信号的电路中,将电容并接在电阻两端或由电路的某点跨接到公共电位上,为交流信号或脉冲信号设置一条通路,避免交流信号成分因通过电阻产生压降衰减。
5、调谐电容:连接在谐振电路的振荡线圈两端,起到选择振荡频率的作用。
6、衬垫电容与谐振电容:主电容串联的辅助性电容,调整它可使振荡信号频率范围变小,幷能显著地提高低频端的振荡频率。
是当地选定衬垫电容的容量,可以将低端频率曲线向上提升,接近于理想频率跟踪曲线。
7、补偿电容:与谐振电路主电容并联的辅助性电容,调整该电容能使振荡信号频率范围扩大。
8、中和电容:并接在三极管放大器的基极与发射极之间,构成负反馈网络,以抑制三极管间电容造成的自激振荡。
9、稳频电容:在振荡电路中起稳定振荡频率的作用。
10、定时电容:在RC时间常数电路中与电阻R串联,共同决定充放电时间长短的电容。
11、加速电容:接在振荡器反馈电路中,使正反馈过程加速,提高振荡信号的幅度。
12、缩短电容:在UHF高频头电路中,为了缩短振荡电感器长度而串接的电容。
13、克拉泼电容:在电容三点式振荡电路中,与电感振荡线圈串联的电容,起到消除晶体管结电容对频率稳定性影响的作用。
14、锡拉电容:在电容三点式振荡电路中,与电感振荡线圈两端并联的电容,起到消除晶体管结电容的影响,使振荡器在高频端容易起振。
15、稳幅电容:在鉴频器中,用于稳定输出信号的幅度。
16、预加重电容:为了避免音频调制信号在处理过程中造成对分频量衰减和丢失,而设置的RC高频分量提升网络电容。
17、去加重电容:为恢复原伴音信号,要求对音频信号中经预加重所提升的高频分量和噪声一起衰减掉,设置在RC网络中的电容。
18、移相电容:用于改变交流信号相位的电容。
19、反馈电容:跨接于放大器的输入与输出端之间,使输出信号回输到输入端的电容。
20、降压限流电容:串联在交流电回路中,利用电容对交流电的容抗特性,对交流电进行限流,从而构成分压电路。
21、逆程电容:用于行扫描输出电路,并接在行输出管的集电极与发射极之间,以产生高压行扫描锯齿波逆程脉冲,其耐压一般在1500V以上。
22、校正电容:串接在偏转线圈回路中,用于校正显像管边缘的延伸线性失真。
23、自举升压电容:利用电容器的充、放电储能特性提升电路某点的电位,使该点电位达到供电端电压值的2倍。
24、消亮点电容:设置在视放电路中,用于关机时消除显像管上残余亮点的电容。
25、软启动电容:一般接在开关电源的开关管基极上,防止在开启电源时,过大的浪涌电流或过高的峰值电压加到开关管基极上,导致开关管损坏。
26、启动电容:串接在单相电动机的副绕组上,为电动机提供启动移相交流电压。在电动机正常运转后与副绕组断开。
27、运转电容:与单相电动机的副绕组串联,为电动机副绕组提供移相交流电流。在电动机正常运行时,与副绕组保持串接。
电容器在电子线路中的作用一般概括为:通交流、阻直流。电容器通常起滤波、旁路、耦合、去耦、转相等电气作用。用作贮能元件也是电容器的一个重要应用领域,同电池等储能元件相比,电容器可以瞬时充放电,并且充放电电流基本上不受限制,可以为某些设备提供大功率的瞬时脉冲电流。
1 、隔直流:作用是阻止直流而让交流通过。
2 、旁路(去耦):为交流电路中某些并联的元件提供低阻抗通路。
3 、耦合:作为两个电路之间的连接,允许交流信号通过并传输到下一级电路
4 、平滑或滤波: 将整流以后的脉状波变为接近直流的平滑波,或将纹波及干扰波虑除。
5 、温度补偿:针对其它元件对温度的适应性不够带来的影响,而进行补偿,改善电路的温度稳定性。
6 、计时:电容器与电阻器配合使用,确定电路的时间常数。
7 、调谐:对与频率相关的电路进行系统调谐,比如手机、收音机、电视机。
8 、储能: 储能型电容器通过整流器收集电荷,并将存储的能量通过变换器引线传送至电源的输出端。电压额定值为 40 ~ 450VDC 、电容值在 220 ~ 150 000μF 之间的铝电解电容器为较常见的规格。根据不同的电源要求,器件有时会采用串联、并联或其组合的形式, 对于功率级超过 10KW 的电源,通常采用体积较大的罐形螺旋端子电容器。
9、浪涌电压保护:开关频率很高的现代功率半导体器件易受潜在的损害性电压尖峰脉冲的影响。跨接在功率半导体器件两端的浪涌电压保护电容器通过吸收电压脉冲限制了峰值电压,从而对半导体器件起到了保护作用,使得浪涌电压保护电容器成为功率元件库中的重要一员。
半导体器件的额定电压和电流值及其开关频率左右着浪涌电压保护电容器的选择。由于这些电容器承受着很陡的 dv/dt 值,因此,对于这种应用而言,薄膜电容器是恰当之选。不能仅根据电容值 / 电压值来选择电容器。在选择浪涌电压保护电容器时,还应考虑所需的 dv/dt 值。
10 、 EMI/RFI 抑制: 这些电容器连接在电源的输入端,以减轻由半导体所产生的电磁或无线电干扰。由于直接与主输入线相连,这些电容器易遭受到破坏性的过压和瞬态电压。采用塑膜技术的 X- 级和 Y- 级电容器提供了最为廉价的抑制方法之一。抑制电容器的阻抗随着频率的增加而减小,允许高频电流通过电容器。 X 电容器在线路之间对此电流提供“短路”, Y 电容器则在线路与接地设备之间对此电流提供“短路”。
11 、控制和逻辑电路 :各类电容器均可能被应用于电源控制电路中。除非是在恶劣环境条件的要求,否则这些电容器的选择一般都是低电压低损耗的通用型元件。
整流电路的输出电压不是纯粹的直流,从示波器观察整流电路的输出,与直流相差很大,波形中含有较大的脉动成分,称为纹波。为获得比较理想的直流电压,需要利用具有储能作用的电抗性元件(如电容、电感)组成的滤波电路来滤除整流电路输出电压中的脉动成分以获得直流电压。
常用的滤波电路有无源滤波和有源滤波两大类。无源滤波的主要形式有电容滤波、电感滤波和复式滤波(包括倒L型、LC滤波、LCπ型滤波和RCπ型滤波等)。有源滤波的主要形式是有源RC滤波,也被称作电子滤波器。直流电中的脉动成分的大小用脉动系数来表示,此值越大,则滤波器的滤波效果越差。
脉动系数(S)=输出电压交流分量的基波最大值/输出电压的直流分量
半波整流输出电压的脉动系数为S=1.57,全波整流和桥式整流的输出电压的脉动系数S≈O.67。对于全波和桥式整流电路采用C型滤波电路后,其脉动系数S=1/(4(RLC/T-1)。(T为整流输出的直流脉动电压的周期。)
电阻滤波电路
RC-π型滤波电路,实质上是在电容滤波的基础上再加一级RC滤波电路组成的。如图1(B)RC滤波电路。若用S表示C1两端电压的脉动系数,则输出电压两端的脉动系数S=(1/ωC2R)S。
由分析可知,电阻R的作用是将残余的纹波电压降落在电阻两端,最后由C2再旁路掉。在ω值一定的情况下,R愈大,C2愈大,则脉动系数愈小,也就是滤波效果就越好。而R值增大时,电阻上的直流压降会增大,这样就增大了直流电源的内部损耗;若增大C2的电容量,又会增大电容器的体积和重量,实现起来也不现实。这种电路一般用于负载电流比较小的场合.
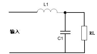
电感滤波电路
根据电抗性元件对交、直流阻抗的不同,由电容C及电感L所组成的滤波电路的基本形式如图1所示。因为电容器C对直流开路,对交流阻抗小,所以C并联在负载两端。电感器L对直流阻抗小,对交流阻抗大,因此L应与负载串联。


(A)电容滤波 (B) C-R-C或RC-π型电阻滤波 脉动系数S=(1/ωC2R')S'


(C) L-C电感滤波 (D) π型滤波或叫C-L-C滤波
图1 无源滤波电路的基本形式
并联的电容器C在输入电压升高时,给电容器充电,可把部分能量存储在电容器中。而当输入电压降低时,电容两端电压以指数规律放电,就可以把存储的能量释放出来。经过滤波电路向负载放电,负载上得到的输出电压就比较平滑,起到了平波作用。若采用电感滤波,当输入电压增高时,与负载串联的电感L中的电流增加,因此电感L将存储部分磁场能量,当电流减小时,又将能量释放出来,使负载电流变得平滑,因此,电感L也有平波作用。
利用储能元件电感器L的电流不能突变的特点,在整流电路的负载回路中串联一个电感,使输出电流波形较为平滑。因为电感对直流的阻抗小,交流的阻抗大,因此能够得到较好的滤波效果而直流损失小。电感滤波缺点是体积大,成本高.
桥式整流电感滤波电路如图2所示。电感滤波的波形图如图2所示。根据电感的特点,当输出电流发生变化时,L中将感应出一个反电势,使整流管的导电角增大,其方向将阻止电流发生变化。

图2电感滤波电路
在桥式整流电路中,当u2正半周时,D1、D3导电,电感中的电流将滞后u2不到90°。当u2超过90°后开始下降,电感上的反电势有助于D1、D3继续导电。当u2处于负半周时,D2、D4导电,变压器副边电压全部加到D1、D3两端,致使D1、D3反偏而截止,此时,电感中的电流将经由D2、D4提供。由于桥式电路的对称性和电感中电流的连续性,四个二极管D1、D3;D2、D4的导电角θ都是180°,这一点与电容滤波电路不同。

图3电感滤波电路波形图
已知桥式整流电路二极管的导通角是180°,整流输出电压是半个半个正弦波,其平均值约为 。电感滤波电路,二极管的导通角也是180°,当忽略电感器L的电阻时,负载上输出的电压平均值也是 。如果考虑滤波电感的直流电阻R,则电感滤波电路输出的电压平均值为

要注意电感滤波电路的电流必须要足够大,即RL不能太大,应满足wL>>RL,此时IO(AV)可用下式计算

由于电感的直流电阻小,交流阻抗很大,因此直流分量经过电感后的损失很小,但是对于交流分量,在wL和 上分压后,很大一部分交流分量降落在电感上,因而降低了输出电压中的脉动成分。电感L愈大,RL愈小,则滤波效果愈好,所以电感滤波适用于负载电流比较大且变化比较大的场合。采用电感滤波以后,延长了整流管的导电角,从而避免了过大的冲击电流。
电容滤波原理详解
1.空载时的情况
当电路采用电容滤波,输出端空载,如图4(a)所示,设初始时电容电压uC为零。接入电源后,当u2在正半周时,通过D1、D3向电容器C充电;当在u2的负半周时,通过D2、D4向电容器C充电,充电时间常数为

(a)电路图 (b)波形图
图4 空载时桥式整流电容滤波电路
式中 包括变压器副边绕组的直流电阻和二极管的正向导通电阻。由于 一般很小,电容器很快就充到交流电压u2的最大值 ,如波形图2(b) 的时刻。此后,u2开始下降,由于电路输出端没接负载,电容器没有放电回路,所以电容电压值uC不变,此时,uC>u2,二极管两端承受反向电压,处于截止状态,电路的输出电压

,电路输出维持一个恒定值。实际上电路总要带一定的负载,有负载的情况如下。
2.带载时的情况
图5给出了电容滤波电路在带电阻负载后的工作情况。接通交流电源后,二极管导通,整流电源同时向电容充电和向负载提供电流,输出电压的波形是正弦形。在 时刻,即达到u2 90°峰值时,u2开始以正弦规律下降,此时二极管是否关断,取决于二极管承受的是正向电压还是反向电压。
先设达到90°后,二极管关断,那么只有滤波电容以指数规律向负载放电,从而维持一定的负载电流。但是90°后指数规律下降的速率快,而正弦波下降的速率小,所以超过90°以后有一段时间二极管仍然承受正向电压,二极管导通。随着u2的下降,正弦波的下降速率越来越快,uC 的下降速率越来越慢。所以在超过90°后的某一点,例如图5(b)中的t2时刻,二极管开始承受反向电压,二极管关断。此后只有电容器C向负载以指数规律放电的形式提供电流,直至下一个半周的正弦波来到,u2再次超过uC,如图5(b)中的t3时刻,二极管重又导电。
以上过程电容器的放电时间常数为

电容滤波一般负载电流较小,可以满足td较大的条件,所以输出电压波形的放电段比较平缓,纹波较小,输出脉动系数S小,输出平均电压UO(AV)大,具有较好的滤波特性。

(a)电路图 (b)波形图
图5带载时桥式整流滤波电路
以上滤波电路都有一个共性,那就是需要很大的电容容量才能满足要求,这样一来大容量电容在加电瞬间很有很大的短路电流,这个电流对整流二极管,变压器冲击很大,所以现在一般的做法是在整流前加一的功率型NTC热敏电阻来维持平衡,因NTC热敏电阻在常温下电阻很大,加电后随着温度升高,电阻阻值迅速减小,这个电路叫软起动电路。这种电路缺点是:断电后,在热时间常数内, NTC热敏电阻没有恢复到零功率电阻值,所以不宜频繁的开启。
为什么整流后加上滤波电容在不带负载时电压为何升高?这是因为加上滤波测得的电压是含有脉动成分的峰值电压,加上负载后就是平均值,计算:峰值电压=1.414×理论输出电压
有源滤波-电子电路滤波
电阻滤波本身有很多矛盾,电感滤波成本又高,故一般线路常采用有源滤波电路,电路如图6。它是由C1、R、C2组成的π型RC滤波电路与有源器件晶体管T组成的射极输出器连接而成的电路。由图6可知,流过R的电流IR=IE/(1+β)=IRL/(1+β)。流过电阻R的电流仅为负载电流的1/(1+β).所以可以采用较大的R,与C2配合以获得较好的滤波效果,以使C2两端的电压的脉动成分减小,输出电压和C2两端的电压基本相等,因此输出电压的脉动成分也得到了削减。
从RL负载电阻两端看,基极回路的滤波元件R、C2折合到射极回路,相当于R减小了(1+β)倍,而C2增大了(1+β)倍。这样所需的电容C2只是一般RCπ型滤波器所需电容的1/β,比如晶体管的直流放大系数β=50,如果用一般RCπ型滤波器所需电容容量为1000μF,如采用电子滤波器,那么电容只需要20μF就满足要求了。采用此电路可以选择较大的电阻和较小的电容而达到同样的滤波效果,因此被广泛地用于一些小型电子设备的电源之中。

电容自谐振频率表 2009-02-02 16:13
根据LC电路串联谐振的原理,谐振点不仅与电感有关,还与电容值有关,电容越大,谐振点越低。许多人认为电容器的容值越大,滤波效果越好,这是一 种误解。电容越大对低频干扰的旁路效果虽然好,但是由于电容在较低的频率发生了谐振,阻抗开始随频率的升高而增加,因此对高频噪声的旁路效果变差。表1是 不同容量瓷片电容器的自谐振频率,电容的引线长度是1.6mm(你使用的电容的引线有这么短吗?)。
电容值自谐振频率(MHz)电容值自谐振频率(MHz)1m F1.7820 pF38.50.1m F4680 pF42.50.01m F12.6560 pF453300pF19.3470 pF491800 pF25.5390 pF541100pF33330 pF60