1.拓扑结构
如图1-1所示,外部电源开关同步降压控制器即指第5部分,为1和2的合并体,3和4部分外置。

图1-1:外部电源开关同步降压控制器结构
如图1-2所示是一个单相(单输出)的外部电源开关同步降压器的结构图,顶部栅极驱动器和底部栅极驱动器分别驱动开关MOS和同步MOS。这样的结构带来的好处就是输出电流可以做到很大,外置MOS使得散热非常好,控制器基本不发热,当选用MOS的RDS越小,整个电源效率越高,热耗越小,散热也只需要对MOS进行处理,缺点就是整个供电模块体积会变大,Layout要求也比较高。

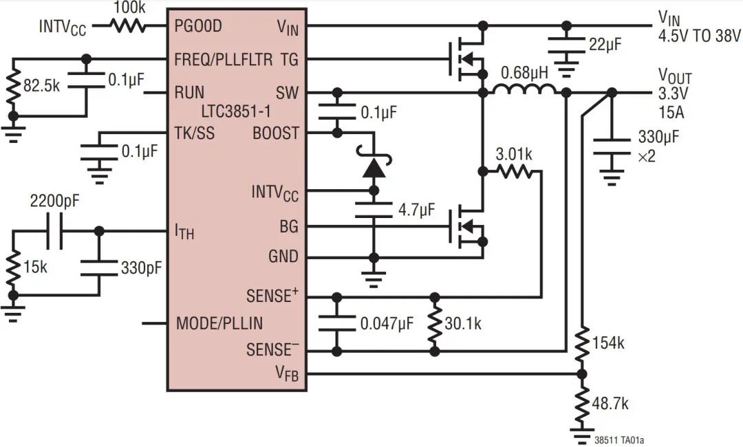
图1-2:单相单输出
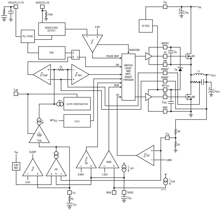
TG:Top Gate Driver Output,顶部栅极驱动器输出。这是浮动驱动器的输出,其电压摆动等于INTVCC叠加在开关节点电压上。
BG:Bottom Gate Driver Output,该引脚驱动GND和INTVCC之间的底部N沟道MOSFET的栅极。
SW:电感器的开关节点连接,该引脚的电压摆动是从低于接地的肖特基二极管(外部)电压降到VIN。
INTVCC:内部调节器输出,作为上管VGS的增量电压,需要使用较大容值(最低2.2uF)的低ESR钽或陶瓷电容器将此引脚与GND解耦,且注意Boot电容的值。

图1-3:同步降压控制器结构图
2.关键参数
1:Vin、Vout
2:最大开关频率f
3:最大输出电流Iout
4:HG(TG)和LG(BG)上升时间、下降时间
5:HG(TG)和LG(BG)的启动电平和驱动电流
6:最短开启时间
3.设计考虑项
电流检测/监控
控制器的电流监控,可以使用DCR(电感电阻)检测或高精度Rsense检流电阻,目前两种方案的选择在很大程度上是在成本、功耗和精度之间的设计权衡。DCR方案比较受欢迎是因为它节省了昂贵的检流电阻,且避免了额外的功率损耗,特别是在大电流应用中,但是检流电阻为控制器提供了最精确的电流检测。其他外部组件的选择由负载特性来决定,并从选择Rsense(如果使用Rsense)和电感器值开始,接下来选择功率MOSFET和肖特基二极管,最后选择输入和输出电容器。
功率MOSFET和肖特基二极管(可选)的选择
控制器必须选择两个外部电源MOSFET:一个N通道MOSFET用于顶部(主)开关,一个N通道MOSFET用于底部(同步)开关。
峰值到峰值的驱动电平由INTVCC电压设置,在启动时此电压通常为5V,因此在大多数应用程序中必须使用逻辑级阈值MOSFET。唯一的例外是,如果预期输入电压较低(VIN < 5V),则应使用子逻辑电平阈值MOSFET(VGSth<3V),同时也要注意MOSFET的BVDSS规格,大多数逻辑级的MOSFET被限制在30V或更小。
功率MOSFET的选择标准包括Rdson、米勒电容、输入电压和最大输出电流,米勒电容可以从MOSFET制造商的数据表上通常提供的栅极电荷曲线近似。当控制器在连续模式下运行时,顶部和底部MOSFET的占空比为:
主开关占空比Dm=Vout/Vin,同步开关占空比Ds=(Vin-Vout)/Vin,最大输出电流下的功率损失:


其中δ为Rdson的温度依赖性,Rdr(约2Ω)是MOSFET的Miller阈值电压下的有效驱动电阻,Vthmin是典型的MOSFET最小阈值电压,f是工作频率,Im是持续输出电流。
两个MOSFET都有I²R损失,而顶部的NMOS的Pm包含了一个额外的过渡损失项,这在高输入电压下是最高的。对于VIN<20V,高电流效率通常随着更大的MOSFETS而提高,而对于VIN>20V,过渡损耗迅速增加,使用更低的Rdson实际上提供了更高的效率。当顶部开关负载比低时,或当同步开关接通时间接近100%时,同步MOSFET损失最大。(1+δ)通常以归一化Rdson与温度曲线的形式给出,但δ=0.005/°C可以作为低压MOSFET的近似。
可选的肖特基二极管在两个功率MOS传导之间的死时间内导电,这可以防止底部MOSFET的体二极管打开,在死时间存储电荷,但需要一个反向恢复期,在高VIN下可能耗掉高达3%的效率。由于相对较小的平均电流,1A到3A肖特基一般较小比较合适,较大的二极管由于其较大的结电容而导致额外的跃迁过渡损耗。
最短开启时间
最小导通时间Tonmin是控制器能够打开顶部MOSFET的最小时间持续时间,它由内部定时延迟和打开顶部MOSFET所需的门充电决定。低占空比使用时可能接近这个最低准时时间限制,应注意确保:

如果占空比低于最小时间的范围,控制器将开始跳过周期,输出电压将会继续被调节,但纹波电压和电流将会增加。
4.开关MOS和同步MOS选型
原则上开关MOS和同步MOS选择同一型号,当然根据实际情况不一致满足性能要求也不会有什么问题,这里选两种MOS的考量点放在一起如下:
1:ID≥负载峰值电流Ipeak
2:VGSTHmax<VGate
3:VDSS>Vin
4:Min on和Min off<计算值
5:温升,Rdson


图1-4:NMOS-1特性


图1-5:NMOS-2特性