
变频柜
最近更新了一些电器柜实物照片和图纸的对比照片,发表了一些看法,受到大家热烈的欢迎,今天继续写一些,欢迎点赞关注,大家一起交流一下。

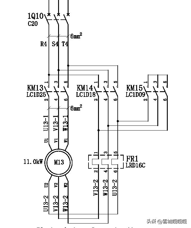
星三角电路
这还是星三角启动的电路,这张照片不是拍的很清楚。其实也不用多做介绍,朋友们已经对这个有很强的认识了。

图纸
这个电路图这几天我发了好几次了,发的我都不好意思了,但是这个图就是实物照片的图。不过我有个小疑问,因为这台电机是11KW额定电流是22A,那么断路器选的是20A会不会选小了?

电机铭牌
下面展示的就是电机接线的照片了,基本上按照接线原则接的线,线不是普通RVV,因为公司还剩了一些德国缆普电缆原来用在高温炉上的耐高温线3*6平方的正好用在这上面,这种线特别软,而且是镀锡的,质量是非常好的。

接线盒

接线第一组电线

两组电线接完毕
接线为U1 V1 W1 一组3*6,U2 V2 W2 一组都是3*6的线,地线单独放了一根6平方的。电机接口用质量非常好的色皮管保护。OK 星三角接线完毕。
电机接线盒内电线留足够余量,因为是蛇皮管接头,电线不能像葛兰头那样箍紧,只能用扎带固定。