车型:2010年雪佛兰赛欧,配置1.2L LMU发动机、EMT变速器。
行驶里程:128430km。
故障现象:行车时收油门异响。
故障诊断:首先确认故障现象,经试车发现车辆升降挡正常,加速时无异响,不管变速器行驶在哪个挡位,只要收油门就出现类似齿轮打齿时的尖锐异响。将车辆用举升机举起来,前轮悬空,着车后挂前进挡使车辆前轮在不带路面负荷的情况下升挡运转,同样是不论车辆运行在哪个挡位只要收油门就发出类似齿轮打齿时的尖锐异响。
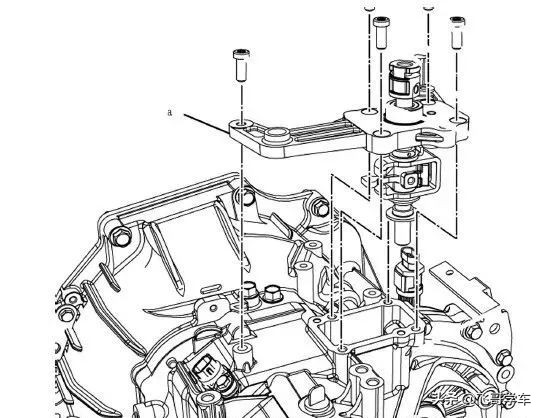
电子手动变速器(EMT变速器)是指配备有电子液压控制单元的机械变速器。通过电子液压动力辅助来自动控制传统手动变速器的离合器和换挡,可以实现自动换挡功能。此车虽搭载EMT变速器,但因升降挡正常,且确定异响从变速器内部发出,因此故障可看成是一个传统手动变速器异响故障,只不过在拆装时略为复杂些。根据试车验证到的故障现象,初步判断是差速器发出来的异响。需要将变速器从车上拆下来解体才能确定故障。解体变速器后并未发现差速器齿轮有明显损伤,但却发现输入轴前端的轴承有轻微损伤(如图1所示),与之配合的变速器壳体部分也有轻微划伤。另一处在差速器附近发现了一个被挤压变形的垫片(如图2所示)。经仔细查找确认被挤压的垫片是位于换挡操纵盖(如图3所示中的a所指)上的一个卡环,而此车换挡操纵盖上的卡环并未缺失。结合此变速器有曾经维修过的痕迹,应是之前的维修过程中未发现此垫片。就此认为异响可能是由此垫片和高速运转的齿轮撞击发出,也可能是由输入轴轴承发出,但后者可能性更大些。将垫片取出,更换输入轴轴承并装复变速器后试车,无论是路试和在举升机上试,异响没有丝毫改变。

图1 轻微损坏的输入轴轴承

图2 挤压变形的垫片

图3 换挡操纵盖
重新整理思路,结合收油门异响出现这一特点,又回到了最初的判断上,认为异响主要还是来自差速器。再次将变速器拆下并解体,经仔细观察确实发现输出轴和差速器互相啮合的齿轮齿(即主减速器部分)有轻微变形,如图4所示。更换输出轴和差速器,异响彻底消失。

图4 轻微变形的轮齿