在新能源汽车中,驱动电机及储能装置无疑是最关键的组成部分,但还有一项关键装置容易被忽视——逆变器,无论是在搭载永磁同步电机的车型上,抑或是搭载三相异步电动机的车型上,逆变器都作为关键部件而存在。
而逆变器如此重要的原因则在于锂离子电池输出直流电,在向使用交流电的电机供电时,必须要进行转换。

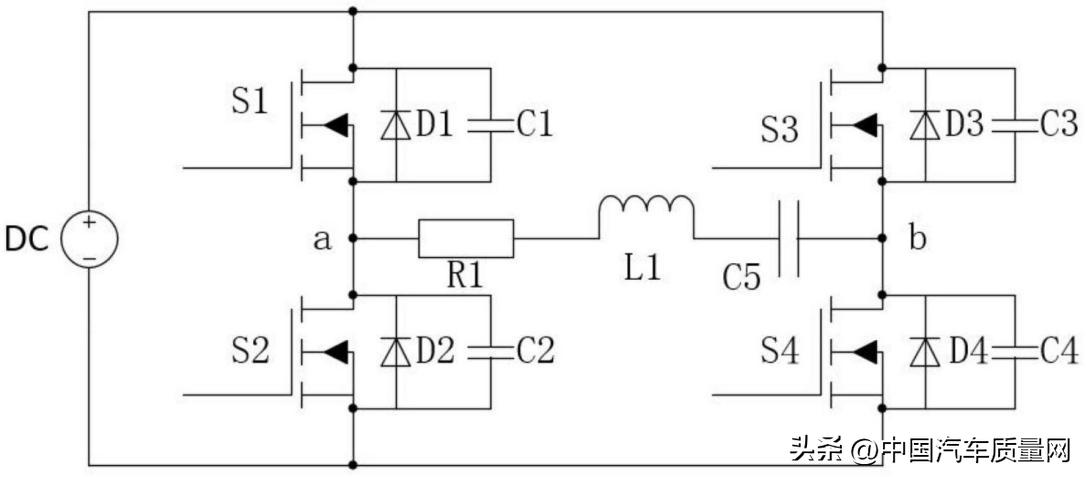
从工作原理上来看,逆变器的基本原理十分简单,通过在电源与负载之间设置两组开关,改变经过负载的电流方向。
如上图所示,D1与D4为一组开关;D3与D2为一组开关,当D1一组闭合时,D2一组断开,经过负载的电流方向为从左到右,而当D2一组闭合时,D1一组断开,电流方向变为了从右到左,两组开关以特定频率交替工作起到逆变效果。
而在实际使用过程中,机械开关无法满足用电器对交流电的频率要求,因此需要开关速度更快的晶体管实现1秒内的数次开闭。

如此一来,便得到了平均电流为零且方向会随时间变化的交流电,但使用这种方式得到的是能量忽高忽低的方波电流,有着较高的能量损耗,同时也有着较低的稳定性。
对于负载较高,有着稳定性要求的车用电机而言,方波逆变器明显难堪大用,这时便需要变化平滑、更加稳定且带载能力强的正弦波为电动机供电。

正弦波的实现方式同样很好理解,方波的一次通断视为一个周期,且拥有固定时长,而在这个固定时长内控制闭合时间,则可以改变单个周期内的脉冲宽度,闭合时间短则为窄脉冲,闭合时间长则为宽脉冲,而将闭合时间按照从窄到宽;从宽到窄的方式排列,如此一来方波的合成面积就约等于正弦波的合成面积,得到了一个近似于正弦波的方波,这一方法被称为脉宽调制技术。

此外,为了得到更好的波形,还可以通过多引入一组电压使波形呈阶梯状来实现。
结语:
逆变器是建立在多种科学基础上的实用技术,除电机之外还常用于车载电源,为移动出行中大功率电器的应用提供支持。此外,其还贯穿家电、电动工具、数码产品等多个社会及生活领域。
(文中图片来源网络 侵删)