格兰仕微波炉的结构特点及原理 常见故障及故障检修
微波炉作为现代厨房电器的新宠,越来越普及地走进干家万户。微波炉以其加热速度快,省电且无污染等特点,确实给人们的生活带来方便。目前市场上微波产品很多,但格兰仕微波炉一直是一枝独秀。
一、格兰仕微波炉型号的识别
二、微波炉结构特点和工作原理
微波炉主要由炉腔、炉门和控制电路等几部分组成。
1.炉腔:是一个微波谐振腔,是把微波能变为热能对食物进行加热的空间。在炉腔底部装一只由微型电机带动的玻璃转盘,把被加热食品放在转盘上和转盘一起旋转,使其和炉内的高频电磁场作相对运动,以达到炉内食品均匀加热的目的。
2.炉门:是食品的进出口。炉门由金属框架和观察窗组成。既要求从门外可以观察到炉内食品加热的情况,又不能让微波泄漏出来。观察窗的玻璃夹层中有一层金属微孔网,既可透过它看到食品,又可防止微波泄漏。由于金属网孔大小是经过精密计算的,所以完全可以阻挡微波的穿透。
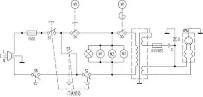
3.控制电路:控制电路如图1所示,又分为低压电路,控制电路和高压电路三部分。
高压变压器次级绕组之后的电路为高压电路,主要包括:磁控管、高压电容器c、高压变压器T、高压二极管D。磁控管是微波炉的心脏,微波能就是由它产生并发射出来的。它的工作需要很高的脉动直流阳极电压和约3~4V的灯丝电压。由高压变压器及高压电容器、高压二极管构成的倍压整流电路为磁控管提供了满足上述要求的工作电压。
高压变压器初级绕组之前至微波炉电源入口之间的电路为低压,电路(也包括了控制电路)主要包括:保险管Fu、热断路器保护开关sw6、sw7、联锁开关swl~sw3、照明灯、定时器及功率分配器开关sw4、sw5、转盘电机M3和风扇电机M2等。
转盘电机和风扇电机为同步电机,即微波炉工作时转盘电机转动并带动玻璃转盘,风扇电机也同步转动,对磁控管及其它主要部件进行冷却。
三、并非微波炉故障的判别
对于微波炉在使用过程中出现的一些现象,有的用户因为对微波炉不太了解,常容易误认为微波炉出了故障。
1.跳闸
微波炉整机的功耗大,整个启动过程要比一般家电时间长,所以启动时的耗电为微波炉输入功率的5~6倍。微波炉的启动电流高时可达7A,工作电流在5A左右。而有的家庭配备的保护闸容量有限或敏感度过高,常因微波炉启动时的电流冲击而出现跳闸,因此最好应配备l0A以上的保护闸。另外,在使用微波炉加热食品时,最好不要同时打开电饭锅之类的大功率用电器具。
2.感觉声音大
微波炉工作时的声音主要来自风扇,而风痢转速的高低和声音的大小成正比。格兰仕微波炉采用高转速风扇电机,以提高对主机的冷却效果,延长磁控管及主机的使用寿命。由此可见,工作时只要声音平稳,没有杂音就是正常的。
3.机械式程控器微波炉工作时有间断的响声
微波炉的火力调整是通过继电器的间断工作来控制的,使磁控管有规则的间断工作,从而达到减小火力的目的。高火则是连续地产生高压,所以微波炉在高火以上的火力位置工作时,会出现有规律的声响,这也是一种正常现象。
4.微波炉工作时有漏风、漏光
根据微波具有的直线性和遇金属的折返性以及在均匀缝隙和均匀网孔的屏蔽特点,在微波炉生产过程中,门和腔体的结全缝隙,并不是控制得越小越好,而只要间隙在规定范围内,门四周的缝隙越均匀越好。这能使微波在腔体内得到绝对的屏蔽。鉴于以上因素,由于冷却风扇的风压,有少量的风和光从结构缝中泄出是完全正常的。
四、常见故障的排除。
1.启动“三无”(无灯亮、无声音、无微波发射)
这一种现象往往是由多种原因造成的。首先检查电源插头和插座是否接触不良,如不是电源问题则检查下列几项内容。(1)8A保险丝是否熔断,如是则调换新保险丝;(2)监控开关断不开,造成短路;(3)联锁开关未闭合或门钩断损而不能接触到联锁开关;(4)变压器初、次级短路;(5)电容对地击穿或极间击穿。
2.启动灯亮、转盘能转,但不加热
(1)变压器初、次级开路,灯丝开路。将500型万用表置2500V交流挡,一根表棒接变压器铁心,另一根表棒接次级高压插片,次级高压应是在2100V左右,若无电压则变压器已坏。若有2100V。再检查变压器灯丝电压,用万用交流lOV挡测量灯丝电压应是3.4V左右。若无电压,则变压器已坏,应调换同等
型号的变压器。
(2)磁控管灯丝开路或磁钢开裂。用万用表R×1挡,测量磁控管灯丝插片,若开路则磁控管已坏,若电阻值很小是正常的,再检查磁控管磁钢是否开裂。
(3)二极管击穿。用万用表R×10k挡,棒“+”端接二极管负极,表棒“-”端接二极管正极,读数应为150k左右。万用表表棒交换位置,测量二极管反向阻值,万用表读数应为∞大,若万用表读数很小,或接近短路则表示二极管击穿,应调换同型号新二极管。
(4)接头插线松动。检查磁控管上,电容器上接插头是否松动,若松动用钳子夹紧。
3.加热正常,炉内照明灯不亮
检查插头是否脱落,炉照明灯是否烧坏。
4.格兰仕微波炉的结构特点及检修转盘不转或风扇不转
检查若不是由于线头松脱造成故障,则更换新电机。
5.工作2~3分钟后自动停机
故障原因是冷却失效或冷却不充分,炉内温度热切断器自动切断电源,检查风扇电机绕组是否开路,风扇扇叶是否脱落,冷却风道是否积存有许多灰尘或被污物阻塞。
6.门打不开
检查门钩是否断裂,如是则更换新门钩。另外微波炉长期使用,由于磨损和锈蚀,使门轴和轴孔配合间隙增大,门向一侧倾斜。则调整门铰链,使门重新拨正位置。
我有一台格兰仕WP700L17L型微波炉.常在加热完毕打开炉门瞬间烧保险。
在开炉门瞬间烧保险.故障可能在门控开关部分。门控组合开关电路示意图如附图所示。正常情况下关门时S3先断开.Sl、S2后接通;而开门时相反为S1、S2先断,S3后接通,其动作时间间隙很短。若开门后Sl、S2、定时开关因某种原因(如触点烧结)造成误接通,会泄漏微波。一旦这种情况发生.电源将经S3形成短路而使保险管迅速熔断,以保护人身安全。
取下S3测量正常,可能是组合开关动作配合失准所致。因一时找不到这种专用开关.故暂时断开S3任一脚接线以应急使用。因为出现Sl、S2、定时开关同时接通的几率很少(当然用新件更换最好)。经这样处理后半年来未再出现烧保险现象。
另:电路原理
关闭炉门,S1闭合,S3从AC点转换到AB点,S2闭合接地,Q3因b极变为低电位而正偏导通,+5V经Q3的e、c极,R7、R8分压加至CPU(TMP47CA00BN-RH31)的13脚,CPU检测到关门信号后,处于等待工作指令状态。当通过键盘控制使CPU的15脚由高阻状态(高电平)变为低阻状态(低电平),Q4的b极由高电位变为低电位而正偏导通;和此同时, CPU的14脚也输出一脉冲信号,经 D11整流,R23、R20分压加至Q13的b极,触发Q13导通,Q13导通又使Q14正偏导通,+14V电压经Rll、R18分压后从Q14的e、c加至Q13的b极,这一结果又使Q13进一步导通,也即Q13、Q14和CPU的16脚共同构成锁定状态。
由于Q14的导通,也使Q6的b极由高电位变为低电位而正偏导通;此时,电流经继电器J2,R42,Q4的e、c极,Q6的e、c极,D10、S2到地,J2吸合,RY2触点接通,变压器TH得电工作。当需要烧烤时,CPU的15脚恢复高电平,停止微波工作部分;CPU的12脚输出低电平,控制Q5导通,J3吸合也即RY3接通,220V交流电直接加至石英发热管进行加热。和此同时,在微波炉进入工作状态时,CPU的2脚会自动输出一低电平信号给Q7,使Q7导通,继电器J1吸合,RYl接通,使炉灯点亮,转盘、风扇电机同时转动。

格兰仕750PS微波炉电原理图
输入的220交流电由变压器TH变换后,在次级变为3.4V灯丝电压和1.8kV的高压。3.4V作为磁控管V的灯丝(阴极)电压,1.8kV高压经过倍压整流后,升到4kV的直流电压加至磁控管阳极,使磁控管发射出2450MHz的微波。

微波炉的维修方法和技巧
微波炉加热、烹饪食物所需的微波能量是由核心元件——磁控管产生的。目前广泛使用于微波炉的是连续波强迫风冷型磁控管,其基本结构剖视如图所示。

由图可见,磁控管是由阴极(灯丝)、阳极、环形磁钢、耦合环、天线(即微波能量输出器)、散热器和灯丝插头等组成。其中阳极呈圆筒状,通常用铜材制成,筒中多个翼片将阳极分割成十几个扇形空间,每个扇形空间就是一个阳极谐振腔,其谐振频率即磁控管的工作频率,一般为2450MHz左右。在阳极的外壳嵌套了一对环形永久磁钢,磁钢形成的磁场用于控制阳极腔内的微波振荡能量。阳极输出的微波能量通过一根环状金属管(即耦合环)传送到天线,再由天线向炉内发送微波能,对食物进行加热。
微波炉磁控管的灯丝工作电压一般为交流3.3V,电流10A左右;阳极(对阴极)电压为直流4000V左右。磁控管通电工作时,灯丝被加热,同时在阴极(灯丝)和阳极间形成高压电场,在电场作用下,阴极向阳极发射电子,阳极接收到电子而产生阳极电流。电子在到达每个扇形阳极谐振腔时,按其谐振频率振荡,同时因环形磁钢产生的恒定磁场垂直于高压电场方向,在该磁场作用之下,电子沿着阴极、阳极间的圆周空间作摆轮曲线运动,形成一个积聚能量的旋转电子云,并向阳极不断输送,从而在阳极上获得稳定的每秒振动频率约为24.5亿次的微波振荡能量。
微波能量的大小主要取决于阳极电压的高低和磁场的强弱,由于环形磁钢的磁场强度恒定,故而微波输出功率主要和阳极电压相关。但若磁钢因故破裂或磁性明显衰退,就会引起磁控管输出功率减小,微波炉加热效果变差,出现加热慢、火力不足等故障,维修时一定要注意这方面的问题。 磁控管工作时的动态导通内阻很小,阳极电压的波动对微波输出功率影响很大,这将明显影响微波炉的加热性能。为了避免因电源电压波动而导致微波炉工作不稳定,磁控管阳极电压通常都由漏感变压器组成的电源电路来提供,它可稳定磁控管的阳极电流,使微波炉输出功率保持稳定。
磁控管的微波转换效率为70%左右,工作时其余30%左右的功率变成了热量,在管子上耗散,因功率大、温升较高,所以微波炉中都设置了冷却风扇,对磁控管进行强迫风冷散热,以防止过热损坏。
磁控管检测、修理或代换
灯丝冷态电阻:用(万用表,下同)R×1k挡测,正常小于1 Q(通常为几十mΩ灯丝和管壳问电阻用R×10k挡测,正常为无穷大。灯丝电阻大是造成磁控管输出功率偏低的常见原因之一。如果测出灯丝电阻较大,不要轻易判断磁控管已坏或已衰老。实践表明,这种情况大多是磁控管灯丝引脚或插座氧化积垢后形成的接触电阻也有是测量失误所致,通常是万用表表笔和测量点,或表笔和插座问的接触电阻所致,而磁控管本身的问题较少见,一般只有使用寿命期已过、长期过载工作或少数存在质量缺陷的磁控管才可能发生这种故障。所以检测时,首先万用表应正常,且测量方法要正确,其次应将磁控管管脚砂光或刮光,去除污垢和氧化物后再测量,如果测量电阻还是大,就可判断磁控管不良。
灯丝开路大多是磁控管本身损坏,对此一般只好换新管,但少数磁控管灯丝开路是引线脱焊所致。修理时可将灯丝底座撬开,随后用钢丝钳子将引线和连接片夹紧,再用烙铁焊牢就可以了。表1和表2分别示出部分常用进口磁控管主要技术参数和国产磁控管主要参数及参考代换型号,供维修代换时参考。需要注意,国产磁控管在早期的国产微波炉中使用较多,近期则多用进口和合资产磁控管,其型号可能变动较大,有些早期磁控管已经或将要停产,所以购买时一定要问清能否代换。
微电脑微波炉常见的两种故障
微电脑微波炉常见的两种故障大多和薄膜开关或FPC印制线路有关,(1)键盘中的大多数按键开关失灵。薄膜开关或FPC存在漏电是引起这种故障的常见原因,漏电则是由于微波炉电脑板长期受潮湿或水分侵蚀所引起的,而且从电路板外观上有时很难判断是否漏电,所以必要时可直接使用无水酒精擦拭或清洗薄膜开关、FPC和电脑板,大都会有效果。这种故障也可能由FPC 印制线路同时发生几处断线引起的,但这基本是不当维修造成的,故较为少见。检查时只要用肉眼查看或万用表测量,很快就能检查到故障所在,重新焊好断线即可排除故障。(2)键盘中的个别按键开关失灵。和失灵开关对应的FPC线路断线或薄膜开关接触不良是引起这种故障的主要原因。可找到对应失灵开关的薄膜开关和线路,参考上述方法进行处理后就能排除故障。
必须注意,维修电脑板及其键盘电路等部件时,应采用尖小烙铁头的20~25W电烙铁,而且烙铁外壳要可靠接地,如没有条件则需待电烙铁加热后拔下电源插头后再使用。
微波炉风扇电机和转盘电机结构和原理
普通微波炉中的风扇电机大都采用20~30W的单相罩极电机,其作用是对磁控管及高压变压器、炉腔等进行通风散热j转盘电机用于带动炉腔中的转盘旋转,使食物加热均匀。转盘电机通常由永磁同步电机和减速齿轮组构成,转速为5~8转/分,功率为3~5W。这两种电机并非微波炉专用件。
微波炉风扇电机和转盘电机检测、修理或代换
转盘电机的绕组电阻通常为10—20kΩ,有些较早期产品的电阻小于10kΩ,通常为4~8kΩ。冷却电机绕组电阻为100—250Ω。转盘电机和冷却电机的绕组故障大多为端头脱焊或漆包线霉断等,通常检测和修复并不难,如果是绕组内部开路或短路,则需拆卸绕组重新绕制或更换电机。
转盘电机的绕组内阻随产品型号等不同而差异可能较大,如果根据所测阻值难以判断,则可通电试验,只要齿轮组及转子没被卡阻,通常电机都会转动;如果转速正常且转动5分钟电机外壳不发烫,一般就没问题。如果电机不转,说明齿轮或转子有问题,少数也可能是绕组接触不良,对此就须拆开电机进行检修了。对转速不正常或转动一会就发烫的电机也同样应拆开检修,难以修复则考虑换新件。转盘电机可用外形相近、特性类似的3~5W鸿运扇同步电机代换,通常使用效果良好。
微波炉维修保养指南
微波炉是一种高技术家电产品,且内有高压电,微波炉维修时要小心谨慎,才不会引起人的危险及损坏微波炉引起人身危险及损坏微波炉。一般来说,维修微波炉时须注意以下一些事项:
(1) 发现微波炉工作异常或故障,应及时通过生产厂家的维修部门或特约维修点维修微波炉,千万不要自己检修或继续使用。
(2) 在对微波炉的内部进行检查维修前,一定要先切断电源开关,先拔下电源插头。
(3) 修理微波炉时,切勿因电源已切断而麻痹大意,因为微波炉高压回路中的 整流电路的高压电容曾经充了电,里面仍蓄有高压电,触摸它将有被高压电电击的危险,要十分注意。
(4) 修理微波炉电路时,先要利用接地线把高压电容蓄存的高压电能放掉,然且才能进行微波炉维修。
微波炉常被误解的正常情况 微波炉灯光暗弱:烹调时若不以高火而用较低的火力烹调,微波炉的灯光会变得暗弱并有声响产生,这是微波炉在控制火力时所产生的正常现象。
微波炉定时器和功率调节器结构和原理
普通微波炉一般都采用定时器和功率调节(控制)器由同一电机驱动的组合体形式,简称定时功调器。定时器主要由微型同步电机、降速齿轮组件和定时联动开关等组成。由于其有联动开关串接在微波炉电源电路中,因此定时器大都兼作电源启动开关,当然另设启动开关的微波炉除外。当操作人员拨动定时钮,设定定时时间时,定时开关被接通,微波炉得电而开始工作,同时定时器电机转动。当定时时间到达时,开关被断开,微波炉停止工作。许多定时开关断开时还会发出一声清脆的铃声,以提醒人们加热工作完成。
功率调节器也称火力调节器,它实际上也是个时间开关,功能是在微波炉工作期间周期性地不断接通和断开磁控管的电源,使磁控管有规律地间歇工作,即工作时间和休止时间有一定的比例关系,改变这个比例,就使磁控管在微波炉整个加热时间段中的工作时间得以相应改变,从而起到调节微波输出功率的作用。功率调节器也由定时器所用的同一电机驱动。
实际工作时,当设定好功率值后,功率调节器便控制磁控管工作一段时间再休止一段时间,并按一定周期不断循环这个过程,直至微波炉工作结束。这里假设磁控管在—个循环周期内的工作时间为t1,休止时间为t2,则一个循环周期T=t1+t2,如图6所示。从图6中可清楚地看出功率调节器控制微波输出功率的方式。循环周期T取值很有讲究,从加热角度考虑取短些好,但太短将使功率调节开关频繁动作,影响磁控管的工作稳定和使用寿命。
通常机械式功率调节器的T都取30s左右,实践证明比较理想。当T=30s时,若设磁控管工作时间t1分别为6、12、15、24、30s,那么对应6s的微波输出功率为保温功率,这是炉子额定微波输出功率Po的20%的功率,又称温火挡。对应12s的为解冻功率(40%Po,又称低功率或低火)、对应15s的为*功中**率(50%Po,又称中火)、对应24s的为中高功率(80%Po,又称中高火)、对应30s的为高功率(100%Po,又称高火或全功率)。普通微波炉大多设有这样的5挡功率(火力)调节挡,当然各挡的功率设定值可能有所不同。少数微波炉有更多功率挡,可达8~12挡之多,以求更适应烹饪和解冻不同食品之需。
微波炉定时器和功率调节器检测,修理或代换
常见定时功调器的电机线圈电阻参考值大多为:开启式为15~25kΩ;封闭式为5~10kΩ,但是也有产品不在这个范围内。检查时主要是测量电机绕组是否断路或电阻很大,如果是,通常应检查引线是否接触不良,如这方面正常,一般就要重新绕制线圈或更换电机了。
定时功调器还有机械方面的故障,较常见的是塑料调节齿杆等零件被异物卡住或本身损坏,修理时只需拆机取出异物或修复、调换损坏的零部件即可。
微波炉高压电容器结构和原理
微波炉所用的高压电容器的一般结构如图4所示。电容器的额定工作电压通常为1800~2200V,电容量在0.8~1.2μF,并且电容器的内部都并接着一个10~12MΩ的高阻电阻,其作用是在关机后自动泄放电容器上的电荷。
高压电容的主要作用是和高压二极管组成半波倍压整流电路,为磁控管提供直流阳极高压。高压变压器的次级高压绕组输出2100V左右的交流电压,经高压电容和高压二极管倍压整流后,获得4000V左右的直流高压供给磁控管的阳(阴)极使用。由于磁控管的阴极在内、阳极在外,为安全计,通常电路中总是将磁控管的阳极接地,而阴极接负高压。
高压电容还有提高微波炉电路效率的作用。因为漏磁变压器工作时存在滞后的漏感电流,效率较低;有了高压电容后,其超前的电容电流会对滞后漏感电流起到补偿作用,因而能使电路的功率因素得以提高、效率上升。
微波炉高压电容检测,修理或代换
可用万用表R×10k或R×1k挡测量高压电容器,表针应摆动一定角度后逐渐回到9~12MΩ。若导通或电阻小,表明电容击穿或漏电,若表针不摆动即指示9~12MΩ,说明电容已开路损坏。另外测量电容两端和外壳间电阻应为无穷大,否则表明电容和外壳绝缘不良。 微波炉的高压电容器,只要主要特性参数相同或相似,外形尺寸不影响安装,一般都可相互代换。
格兰仕WD900ASL23-Z型微波炉,正常工作3~6分钟后突然断电
观察3~6秒钟后显示1:01,重新操作现象同上。此现象可能为磁控管工作温度过高,造成热继电器保护或热保护器本身存在问题;也可能是电源不良。本着先易后难原则,先查电源,发现电源插座很热,该故障是接触电阻太大接插件发热变形而造成瞬间断电所致。更换一个负载电流8A的电源插座后,故障排除。
微波炉联锁开关和防微波泄漏装置检测微波炉在使用及维修过程中,炉门经常被频繁开关,甚至碰撞、敲击等,容易引起炉门、门钩和门封等损坏或失效;另外,使用日久后,塑料门体的老化变形、门铰链的位移等都会使门缝间隙增大,这些因素都可能导致微波泄漏量增大,对维修人员和用户都可能造成伤害,所以千万不能掉以轻心。


它被安装在磁控管的外壳上,上盖的端面和磁控管直接接触,磁控管工作时,其温度变化通过上盖端面传导给热感应片。在正常温度范围内,保护器的动、静触头相接触,为导通状态。当出现冷却风扇停转等异常情况而导致磁控管温度快速上升并达到规定(保护)的数值时,热感应片受热而变形,使顶杆动作,将弹*片簧**压下,这样动触头便脱离静触头,于是电路被切断,磁控管停止工作,温度开始慢慢下降。当磁控管温度降到一定值后,热感应片又动作,恢复原形,使动、静触头相接触,电路又被接通,磁控管重新工作,这就是自恢复功能。
微波炉高压二极管的测试和代用
高压二极管的导通阈值电压较高,若用内电池电压为1.5V的普通万用表测其正向电阻,测出阻值可能很大,表针大多不动,这就无法判断其好坏,所以要用内电池大于6V,最好9~15V的万用表的R×10k挡测量,测量的正向电阻正常为20—300kΩ左右;反向电阻则为无穷大。如.用兆欧表测量,正向电阻正常小于2kΩ;反向电阻为无穷大。如没有上述仪表,也可用普通万用表的R×1k挡测量,但需在一支表笔上串接6~9V电池后再行测量,串接电池时将红表笔接电池正极,电池负极则作为原红表笔用于测量。
测量时不可短路两测量端,也不要去测量已知内阻不正常(过小)的高压二极管或其他元件,以免表针打过头而受损;为保险起见,也可串联一个合适的限流电阻后再使用。测量阻值判断标准可参照用同样方法所测的正常高压二极管的数值。当然根据一般经验判断更方便,而且大都可靠,鼹只要检测出反向电阻为无穷大,正向电阻不是无穷大或者很大(表针偏转一定角度,不是微动),就表明二极管基本是好的。对于有些微波炉中采用的非对称保护二极管,可用10k挡测量,其正常的正反向电阻都应为无穷大。
微波炉的高压二极管,只要主要特性参数相同或相似,外形尺寸不影响安装,一般都可相互代换。
格兰仕WP700型微波炉开机后炉内照明灯亮,转盘运转正常,但不加热。
分析其原因可能为高压电路故障或磁控管失效造成无微波输出。
打开外壳检查,发现高压保险丝已烧断。根据该机电路图(见附图)分析,高压保险丝烧断,表明高压电流过载,可能原因有高压电容C击穿,高压二极管D击穿或磁控管击穿。检查高压二极管正常,再检查高压电容C,发现已击穿,更换后试机,故障排除。

格兰仕微波炉WD700A WD750B WD800B WD900B电原理图

微波炉元器件检测
一、磁控管检测方法:
1)在磁控管灯丝端子之间进行测试,电阻值应小于1Ω;
2)在任一灯丝端子和磁控管(接地)之间测试,电阻值应无穷大;如果电阻很小或为零,那么该磁控管应更换。
二、高压变压器检测方法:检测三个绕组:
1)初级绕组,约1.45Ω
2)次级绕组,约112Ω
3) 灯丝绕组,小于1Ω
如果所测得的读数不符合上述的数据,则高压变压器可能有故障,应进行更换。
三、高压电容器检测方法:
1)需将测量仪器设在最高电阻量程;
2)正常现象:a、测试电容器两端子,在短时间内(实跳)显示导通,然后充电后的电阻大约为10MΩ;b、端子和外壳的电阻应无穷大;
3)不正常现象:a、短路电容器始终导通;b、开路电容器因其10MΩ的内阻而始终显示大约10MΩ的电阻值;c、当高压电容器中的内部线路接线开路,就会显示一个无穷大电阻。
四、高压二极管(又称单向二极管或高压整流器组件)检测方法:
1)将仪器设置为最高电阻量程(注意:测量仪器的电池至少也必须具备6V的电压,否则在两个方向都会显示无限大电阻)。
2) 正常电阻在一个方向是无穷大,在另一个方向大于100kΩ。
五、双向二极管(又称保护二极管)检测方法:
1)将仪器设置为最高电阻量程;
2)断开导线,将保护二极管从电路上分离出来;
3)正常现象应该是从两个方向测试保护二极管的两端,电阻值都是无穷大。若其被损坏,将在一个或两个方向上表现出导通性。
注:Δ 以上元器件的检测均是在切断电源后并将电容放电,拔掉各相关接线
各品牌微波炉:
三星M9G88微波炉满屏显示,按各功能键均无作用。
检修时查CPU+5V、复位信号和时钟振荡均无异常,电路外围元件也无不良,怀疑操作板有问题,重点检查IC1(HD404316B38S){26}~{35}脚本机键控选通脉冲端及二极管D14~D22经CON03至薄膜轻触式导电操作极的控制电平和电阻值,其中CDN03{2}脚和{5}脚没有TP信号输出,正常时用MF30型万用表R×10k挡测量,表正极接{5}脚,负极接{2}脚,同时按任意键时该端应有500MΩ至200MΩ的电阻变化值,但实测各键均无变化,说明导电极已变坏。由于导电极采用自粘胶粘合而成,因此可以再生修理,检修时先小心撕开塑料薄膜,可见各键涂层触点均已发黑。试用橡皮揩擦,其触点即完好如初,再粘合后通电试机,各功能操作键全部恢复正常,故障排除。
希贵WD800-A型微波炉电源理图

飞跃微波炉加热缓慢
查功率分配器已置于大功率挡,如在低火挡则加热更慢。由于风机、转盘电机运转正常,说明电源控制系统及变压器正常;测得高压二极管正向阻值150kΩ,反向阻值无穷大,正常。放入一杯(玻璃杯)水事先测得水温21℃,微波炉设定大火挡加热一分钟后取出杯子测得水温仅26℃,正常时温差值应在9℃~16℃之间,即应达到30℃~36℃左右,据此判断磁控管输出功率偏低。查得磁控管接插头已生锈,这样会使接触电阻值增大,因而加热功率降低。经剔除锈迹、砂刮光洁后试机,工作正常,故障排除。
夏普SHARP R-5880型微波炉,使用时炉灯亮,转盘、风扇运转正常,但运行噪音较大并能闻到少许焦臭味,炉腔内食物不能加热
停机开盖检查。有焦臭味,判断有某一部件发生短路打火。初步查各电器部件未见异常,动手检查磁控管,拨开两灯丝接线端子,用万用表R×1档测量灯丝阻值正常,再用R×10k档测其对磁控管外壳的阻值很小。直观发现其中一只引脚对外壳短路。拆下磁控管,用螺丝刀撬开引脚的塑料罩,见到内部绝缘体有打火造成的炭化现象,刮除全部炭化部分后再用环氧树脂充填封装,固化后装回磁控管,插牢接线端子。通电加热恢复正常,磁控管得以修复。
三星M9G88微波炉无屏显,按各功能键无作用。
从故障现象看,无屏显一般是LCD荧光显示器部分不良、无灯丝电压或外加控制电压没有到位。检查CON01有AC220V输入,控制变压器次级灯丝电压为AC 2.4V正常,而测阳极电压均为负电压,说明没有驱动电平输入,电路IC1(HD40316B38S){21}脚有+5V电压,{8}、{9}脚时钟振荡电压分别为2.8V、2.1V,也正常,说明故障在驱动电路和CPU电路之间,如果仅驱动电路有故障只会使显示器中某一笔划段有异常。着重查IC1{22}脚和IC2{4}脚的电压,电路IC2(SWM002)在CPU外围,其中{4}、{7}~{12}脚受CPU控制,经查IC2 {4}脚无电压输入(正常该端电压应为3.5V),当查和之相连的IC1{22}脚时发现该脚有虚焊,进行补焊处理后其电压正常,故障排除。
小天鹅W6001型烘烤微波炉通电后无任何反应
仔细拆开机壳,首先查电源电路。取下8A/250V熔断,从外表看未熔断,而用万用表测已断路,说明不是严重的短路。更换后不应立即通电,应查出熔断原因。经查,门连锁开关LXW1-10B16(0.3A/250V)已从定位槽中脱落,而且其中一端接插片已折断。将该开关归位并修好插片后通电试机,风扇托盘转,照明灯亮,但不加热。
用万用表测高压二极管T01(14512)和高压电容CH85(0.85&mICro;F/2100AC)正常。通电测高压变压器Y600STC初级无电压(加电检测前应卸下TS01和CH85,使高频电路不起振),问题可能在定时开关。定时开关接线桩脚自左至右分别为:1脚接风扇电机,2脚接电源进线,3脚接磁控管MT,4脚接照明灯,5脚空,6脚接托盘电机。经查为接线桩2脚和插头之间接触不良,将插头打磨修整并加以紧固后通电试机,该微波炉工作恢复正常
美的微波炉不能不加热
先断电源,打开箱盖,给高压电容放电,用万用表电阻档测电容、高压二极管、磁控管 、高压变压器都是好的,当测高压保险断,换个高压保险后,开机工作正常。
三星牌RE-630D型微波炉烧保险丝。
该故障可能是由于某个元件短路造成的。更换烧坏的保险丝,将变压器高压端插头拔掉,通电,此时炉灯亮,托盘和风机都运转正常,说明变压器及初级电路均正常。判断为高压电容击穿,更换该电容后,故障排除。
希贵WD800-A型微波炉通电后机内冒出一股焦糊味和一缕青烟
立即切断电源,打开机壳检查(详见附图),

F/8A保险管完好,T(磁饱和变压器)上层、次级高压线包已烧焦变黑。检修时,首先拔掉T次级接至高压电容器C的插头,并用高压胶布包裹绝缘,即断开次级高压负载。然后通电试机,面板上各指示灯点亮、荧屏计数显示闪烁,且有两次“您好,感谢你使用希贵牌电器”的语音提示。说明T初级绕组、语音提示及电子控制等低压部分电路完好无损。 分别用MF-47型指针式万用表和DT890D数字万用表对高压微波发生器部分进行细致检修。经测T次级高压绕组电阻为100Ω,灯丝绕组电阻1Ω,正常;非对称保险二极管D1正、反向电阻均为无穷大,高压整流二极管D2正向电阻为150kΩ,反向电阻为无穷大,均正常。最后,对高压电容C先放电后测量,也完好。至此,可确定该机故障系因T次级高压绕组绝缘击穿,形成匝间短路,发热烧毁所致。于是用900W型微波炉专用的新变压器更换后(注意变压器的同名接线端不能接错)微波炉工作恢复正常。
安宝路MC-2318机械式烧烤型微波炉电路图

夏普微波炉转盘不转、炉灯不亮,不能烹调(无微波输出)。
微波炉若有微波泄漏,对人体有害,因此只有微波炉专设的保证安全使用的电气闭锁和机械闭锁装置正常,夏普微波炉控制电路中继电器J2才能控制高压变压器工作。经查闭锁装置正常。
经查冷却风扇及转盘都不转,炉灯也不亮,故确定故障在负电源、冷却风扇、转盘控制电路。测三极管BG2e极有正常负电源,b极电压正常,c极电压为零,BG1未饱和导通。拆下BG1检查c、e极间开路,换为新管后重新启动微波炉工作正常。
三星牌RE-563T型微波炉,炉灯亮,托盘运转正常但不能加热食物。
炉灯亮,托盘也转,说明初级线路正常,故障出在次级电路即高压部分,只要是漏磁变压器、高压电容器、高压硅堆、磁控管等元件的其中之一发生故障,都会造成无微波输出,也就不能加热食品。将变压器次级高压端插头拔掉断开高压电路,压缩故障范围,检修也较安全。通电检查变压器次级电压分别为1800V、3.15V,正常。再用万用表电阻挡检查高压电容、高压硅堆及磁控管,检查结果,磁控管灯丝开路,按常规更换磁控管即可。但为了弄清灯丝开路的原因,将磁控管灯丝底座撬开,发现灯丝引线脱焊,用钳子将其夹紧,用烙铁焊牢,上机后即工作正常。
安宝路MA-2318机械式微波炉电路图
