本期嘉宾
汽车维修保养专家
汽车工程专业毕业, 20多年经验积累
近年来专注做一件事—把汽车接入互联网
国内第一家互联网+汽车一站式服务平台创始人
高技修车CEO
黎城门(人称“黎叔”)


高技修车 技术总监 郭球实(左边)
汽车用交流发电机那些事
等你来互动
车的事找强哥
你的车生活专家



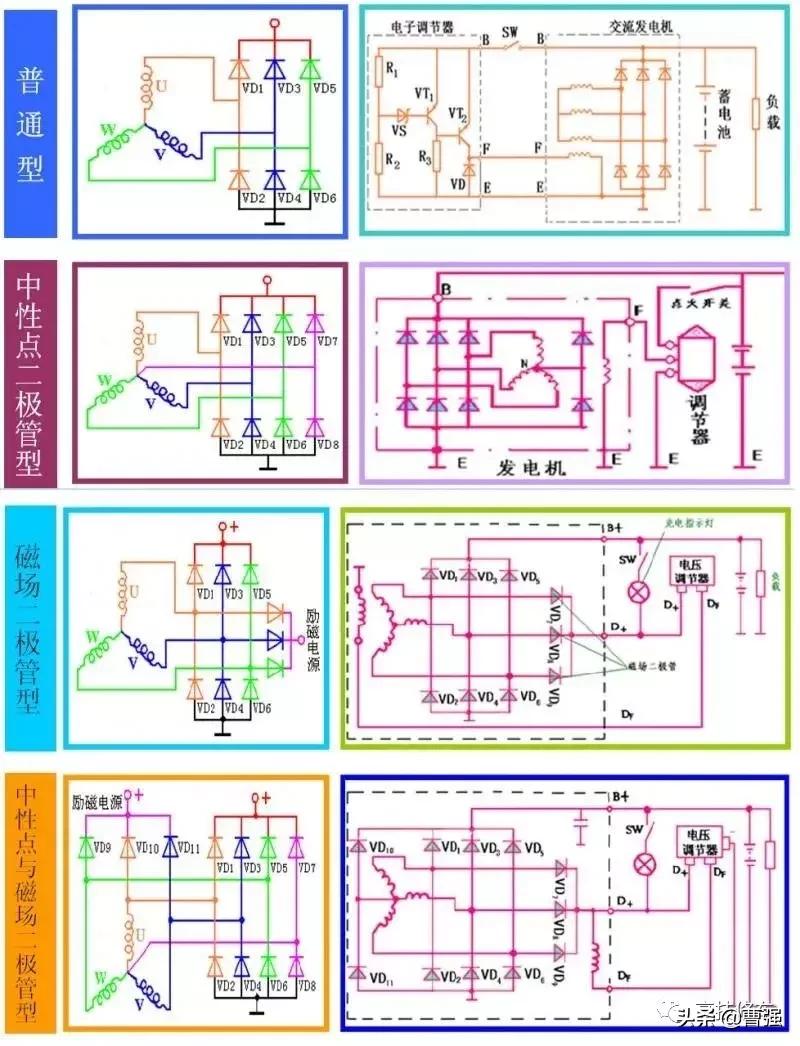
汽车用交流发电机的分类


一、转子




整流器一般有以下四种形式:


交流发电机的工作原理

二、整流原理

三、励磁方法

二、外特性

三、输出特性(负载特性)


一、电压调节器的工作原理
二、电压调节器的分类
三、电压调节器工作原理
1、触点式电压调节器
。

2、晶体管电压调节器

3、集成电路式电压调节器

集成电路电压调节器利用改变磁场电流的占空比,来改变发电机的输出电压。

交流发电机的使用与维护
交流发电机在使用和维护过程中,要注意以下几个问题:
1
蓄电池的搭铁必须与交流发电机的极性一致,都是负极搭铁,否则蓄电池将通过发电机的硅整流二极管大量放电,从而烧毁二极管。
2
不得用发电机输出端瞬时接地(搭铁)的方法(试火法)来判断发电机是否发电。
3
发电机在高速运转时,不得拆下蓄电池等主要用电设备,以免产生瞬时过电压,损坏二极管、调节器或其他用电设备。
4
经常检查发电机与蓄电池之间的连线,保证连接牢固可靠。
5
经常检查发电机皮带的张紧程度,应符合出厂时的规定。皮带过松,会造成蓄电池充电不足;皮带过紧,容易造成皮带和发电机轴承的损坏。
6
一旦发现发电机工作不正常,应及时检查,找出并排除故障。
7
定期对发电机进行维护,一般发电机运行750小时或汽车行驶3万公里后,对发电机的电刷、整流元件、调节器、轴承等易损元件进行一次检查和必要的测试。

发电机与充电系统的测试
一、输出直流电压的测试

二、输出电压的交流成份测试
用数字万用表的交流电压档,并接在蓄电池的正负极两端,来测量发电机输出的交流电压(正常值应≤0.4V )。具体步骤如下:
①起动发动机,并使其在2000rpm的转速下运转;
②打开大前灯,给发电机加上一定的负载;
③将数字万用表并接于蓄电池的正负极两端,读取交流电压值。如果电压≤0.4V,说明发电机的整流器工作正常;如果电压> 0.5V,说明发电机的整流器存在故障。
三、充电系统电压降的测试
电压降的测试,主要用来判断发电机与蓄电池之间的连线是否良好。具体方法如下:
①起动发动机,并使其在2000rpm的转速下运转;
②打开大前灯,给发电机加上一定的负载;
③用数字万用表的直流电压档测量发电机的输出端与蓄电池的正极端之间的电压降(如图所示),正常电压值为≤0.4V。如果超过0.4V,说明导线连接点的电阻大。

④用数字万用表的直流电压档测量发电机的外壳与蓄电池的负极端之间的电压降(如图所示),正常电压值为≤0.3V。如果超过0.3V,说明导线连接松动,连接点的电阻大。

充电系统的常见故障
一、不充电
不充电的可能原因有:
①连接导线断路、短路、连接处松动等。
②发电机损坏。如转子或定子绕组短路或断路、电刷磨损、硅整流二极管损坏等。
③调节器损坏或电压值太低。
二、过充电过充电引起蓄电池寿命缩短,主要原因是调节器电压值太高。三、充电不足
充电不足的可能原因有:
①连接导线有轻微的短路、连接点松动或接触不良等。
②发电机故障。如转子或定子绕组层间短路、电刷磨损或弹簧弹力不足、硅整流二极管不良或个别二极管开路、皮带过松等。
③调节器电压值调整不当(太低)。


买车、卖车、修车、养车前
可以先问问强哥
车的事问强哥 你的车生活专家


抛弃你买车的犹豫不决
舍弃你买车的四处奔波


