【机型型号】:华硕ASUS Q501L
【主板板号】:Q501LA

主板板号
【故障现象】:进液不触发
【维修过程】:
接一卖场小伙送修机器,说是进咖啡了 。拆除后盖,电池,主板进液还不少!!

主板
看了下主板进水的地方在内存供电跟内存颗粒的位置。


大致打了下阻值没啥明显短路的地方报价开修。
这种带糖成分的液体用洗板水清洗效果不是很好,(清洗不干净风枪一吹就黑不拉几的东西在上面)我是用威猛先生喷在进液的地方然后再用牙刷刷洗,效果好得很。
处理完内存供电后插电电流0.01跳到0.03停住。

意料之中没这么简单,肯定内存供电玩完。
表笔捅了一下内存供电出来了,看来还不是你的问题。冤枉你了0.0

1.05Vcpu桥模块的供电也正常

CPU供电没有

再捅了一下几个切换电压都正常。
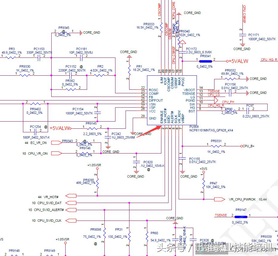
既然没有CPU供电就先修CPU供电 ,打开点位,只有老版本的TSICT点位图(个人感觉没新款的好用)
看了下CPU供电芯片NCP81101找来PDF。


供电啥都正常,1脚开启信号不正常。
追查其来源连到R0618。

R0620

搜索H_VR_ENABLE_MCP来到CPU。

CPU供电开启信号一般都是EC收到各路PG后从EC发出来的(老款),这个板子直接CPU发出来!!!(新款)
CPU挂了?条件不满足???
CPU附近并没有进水抱有一丝希望相信是第2种情况再看看吧价都报出去了。。。
打开点位在板子上一阵测量,量到D5802时终于发现了新大陆。。内存电压PG没有!!!

再次量了下内存电压是正常的,看来还是进水引起的。
想着电压正常直接短接PG上拉电阻R5815,电流到0.4几掉电,掉电后3.3V直接变成2V左右。然并卵,看来偷不得懒还是老老实换芯片吧。
料板上拆了个前2个代码一样的芯片过来上电涛声依旧,没这么点背吧。
想着一般内存供电进水的要么短路烧一大片要么只是坏个TON上面的一个800K左右的电阻。
说干就干直接把TON上面的电阻换掉。

上电PG已经正常产生

CPU电压也出来了!!!

断电接屏上电看到了熟悉的LOGO(BIOS界面)

至此,维修结束!
此案例由迅维网会员(张川zc)提供。
关注迅维职业技能培训头条号,获取更多精彩案例和视频!