
源之间的切换是否需要断开中性线与许多条件或因素有关,包括两电源回路的接地系统类别、两电源回路是否接入同一套低压配电柜、系统接地的设置方式,电源回路有无装设RCD或者单相接地故障保护等等,情况较为复杂。为此,IEC标准并未做出明确的规定。
我们来看如下不同的双电源配置方案:
1、两电源安装在同一场所内,且共用相同的低压配电柜,则进线回路或者双电源切换回路应当采用四极开关。
我们看图1。

图1 安装在同一场所内的双电源互投方案之故障电流
从图1中,我们看到用电设备的前端安装了两只带RCD保护的三极断路器QF11和QF21作双电源互投,我们假定QF11合闸而QF21分断。我们看到无论是用电设备发生了单相接地故障还是三相不平衡,单相接地故障电流或者三相不平衡造成的中性线电流均有可能流过QF21回路的N线和PE线。因为QF21的RCD保护作用,QF21处于保护动作状态,无法进行有效的合闸。反之亦然。
图1中从QF21回路的中性线或者PE线流过的电流就是非正规路径的中性线电流。非正规路径的中性线电流所流经的通路有可能形成包绕环,包绕环内产生的磁场将可能对敏感信息设备产生干扰,同时还有可能产生断路器误动作。解决的办法就是将QF11和QF21采用四极开关,切断故障电流流过的通路。
2、双路配电变压器互为备用电源,或者变压器与柴油发电机互为备用电源,且变压器和发电机的中性点均就近直接接地。若两套电源共用低压配电柜,则进线回路应当采用四极开关,如图2所示。

图2 在TN-S下进线回路和母联回路应当采用四级开关
从图2中,我们看到低压配电网为TN-S接地型式,且变压器的中性点就近接地,从变压器引三相、N线和PE线到低压配电柜进线回路中。低压进线断路器和母联断路器均为三极开关,进线断路器配套了单相接地故障保护。正常使用时两进线断路器闭合而母联打开。
当Ⅰ母线上的用电设备发生单相接地故障时,我们看到正确的路径是:用电设备外壳→PE线→PE线和N线的结合点→Ⅰ段N线→Ⅰ段接地故障电流检测→Ⅰ段变压器。这条路径是正确的。
由于N线和PE线结合点的不确定性,例如此点可安装在两进线回路的进线处,于是单相接地故障电流的非正规路径可能是:用电设备外壳→PE线→Ⅱ段进线PE线和N线结合点→Ⅱ段N线→Ⅱ段接地故障电流检测→Ⅰ段N线→Ⅰ段接地故障电流检测→Ⅰ段变压器。沿着这条路径流过的电流就是非正规路径的中性线电流,它可能引起Ⅱ段进线断路器跳闸,使得事故扩大化。
解决的办法就是将低压进线回路和母联回路均采用四极开关,切断故障电流流过的非正规路径,消除事故隐患。同理,若将其中一台变压器更换为发电机,则发电机的进线断路器也必须采用四极开关。
结论:当两套电源同处一室(共地),且共用同一套低压配电柜,则低压配电柜的进线和母联回路需要使用四极开关。
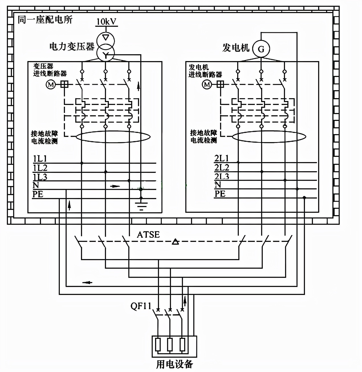
3、两套电源同处一室(共地),但不共用低压配电柜,则二级配电设备中的电源转换开关可采用三极开关,如图3所示。

图3 互为备用电源时ATSE可采用三级开关
从图3中,我们看到变压器与发电机在同一座低压配电所内,但两者不共用低压配电柜。
我们看到二级配电设备的断路器QF11的负载发生了三相不平衡,于是用电设备的中性线中出现了三相不平衡电流。三相不平衡电流的路径是:用电设备中性线N极→二级配电设备N线→变压器配电中性线→变压器进线回路的接地故障电流检测→变压器中性点N。这条路径是常规的路径。
由于ATSE在转换是单方向的,它只能在变压器进线和发电机进线中单选一,因此中性线电流不会出现在非常规的路径中。在此情况下,ATSE开关可以使用三极的产品。
