房屋渗漏是客户投诉的重点,而地下室、屋面、厨房、卫生间又是渗漏的重灾区,如何才能打好防水这场战役?看看下面这些详图,就能轻松解决这些问题。
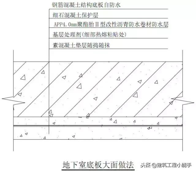
▌一、地下室底板防水做法示意图

1. 底板变形缝防水做法

2. 底板后浇带防水构造做法

3. 高低跨连接处防水做法

4. 桩头防水处理
采用水泥基渗透结晶型防水涂料 +改性沥青防水涂料 +卷材的复合防水做法。

防水处理工序如下:
1. 由总承包方凿出桩头至设计标高位置,调整受力钢筋,并切割露出的定位钢筋,并由总承包方用高压水枪冲洗暴露的桩身上的泥土、浮浆、松动的碎石等,并经验收合格。
2. 水泥基渗透结晶型防水材料涂刷桩顶表面、暴露的桩身及周圈250mm范围,涂刷参考用量1.2kg/㎡,成膜厚度约1.0mm。
3. 在桩头部位收口卷材采用橡胶沥青防水涂料涂抹。
注意事项:
1. 桩头防水处理的关键是桩头的清理工序,采用高压水枪冲洗桩顶面混凝土能够有效清除混凝土的浮灰泥皮。同时,涂料采用硬毛刷搓揉涂刷。见下图:

▌二、地下室侧墙防水做法
1. 地下室底板防水交接处预留做法

2. 地下室侧墙抗渗增强处理方法

3. 侧壁底板防水接头做法

4. 地下室侧墙地面收口做法

5. 穿墙管件防水处理

6. 穿墙群管的防水做法

▌三、屋面防水做法
1. 种植屋面基本做法

2. 上人屋面做法

3. 出屋面管道防水做法

▌四、卫生间防水构造做法
