电磁炉维修在当前属热门维修类之一,熟练掌握电磁炉维修技术有助于职业发展。而牢固掌握电磁炉维修技术有几大前提,其一为了解各大电磁炉的电路图。因此,为帮助大家有效掌握电磁炉维修相关技术,本文特地带来九阳三款电磁炉的电路图,并做出详细解释,和小编一起来看看吧。
九阳电磁炉电路图(一)
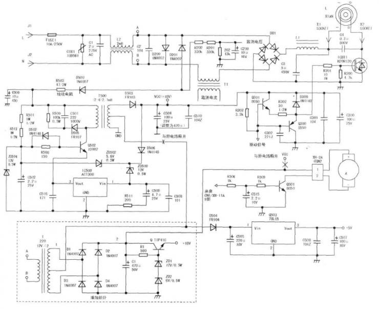
九阳JYC-21CS21型电磁炉电源电路如下图所示,由以下几个部分组成:

1.IGBT管供电
从下图中可以看到,AC220V电源通过接线螺钉Jl、J2,保险丝FUSEl/10A(大电流保护),压敏电阻CTRl/10D561(过压保护),再经过高频滤波电路(共模变压器L2、C1、C2)后分为两路,其中,主电路通过串联互感器T1(感应电压用于监测主电路电流),桥堆DB1整流,L1、C3(LC)滤波得到,约300V的直流电压加至电磁线圈和IGBT管上,C4和线圈构成谐振回路。
2.电网监测
从共模变压器L2输出的AC220V电压经过D200、D201整流后,一路通过R200、R201、R202、C200组成的分压、滤波电路取得电网监测电压送给CPU,用于监测电网电压。如果电网电压不正常,CPU将及时切断振荡电路。需要说明的是,部分偏远地区或超负荷工业园区会因电网电压极不稳定而导致电磁炉不能正常工作。
此时,可将R202做成可调电阻,通过调整分压比来解决此类问题。
3.开关电源部分
D200、D201整流后的另一路经过D500、R503、C500降压滤波后提供给本机开关电源,这一部分电路是本文要重点讨论的。在实际使用中,由于开关电源处在高电压状态下,造成此部分电路损坏元件较多,故障率较高。下面介绍此部分电路的工作原理。
D500、C500整流滤波后输出约300V的直流电压,加到开关变压器T500初级,通过开关模块IC500(ACT30B)控制开关管Q502(13002),起振后在开关变压器初级产生20kHz左右的高频高压脉冲,耦合到开关变压器次级,次级输出较高的脉冲电压,通过快速’恢复二极管D503整流、C504电容滤波后,得到直流电压VCC(+18V),给三路电路供电:一路送IGBT管驱动电路(Q300、Q301)。如果该点电压偏低,将造成驱动电流减小,使得IGBT管脱离开关状态进入放大区,造成管耗增大而损坏;一路加到风扇电路;还有一路给比较、振荡电路LM339供电。次级的另一只脚输出较低的脉冲电压,通过D504、C505整流滤波,78L05稳压后输出+5V直流电压,给CPU、数码显示、LED指示及其他监测电路供电。在通电瞬间,300V电压通过R501、R513(1MΩ)降压后,输出一个启振电压至Q502基极,让开关电源启振。所以,R501、R513又称启振电阻。次级整流滤波输出的VCC(+18V)电压,通过D506整流、稳压二极管ZD500钳压、C509滤波后,为开关模块ACT30BS提供所需的VDD电压,并通过ZD502、ZD504、C502构成的稳压监测电路来稳定+18V电压。
九阳电磁炉电路图(二)
九阳JYC-21CS3型电磁炉电路图
整机电路由电源电路、加热主回路、驱动放大电路、脉宽调制电路、同步跟踪与振荡电路、锅具检测电路、电流检测与功率调整电路、ICBT管温度检测电路、炉面温度检测电路、加热线盘温度检测电路、电压浪涌检测电路、电流浪涌检测电路、反压检测电路、输入电网电压过、欠压检测电路、上电延时保护电路、风扇驱动电路、长时间无人操作防干烧保护电路、MCU等组成。

九阳电磁炉电路图(三)
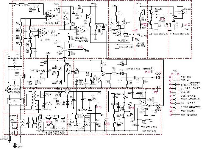
九阳JYC-19AS3型电磁炉实绘电路图及功能简述
电原理图


电路功能简要说明
众所周知电磁炉是采用电磁感应涡流加热原理进行工作的,工作原理示意图如图⑥所示。通常利用徼电脑控制加热线盘中的高频电流(20~38KHz)产生交变磁场,当磁通Φ穿过金属器皿的锅底时,产生无数的小涡流,基於小电阻大电流的短路热效应产生热量,进而加热锅内食物。JYC-19AS3电磁炉分主回路保护和显示控制两部分,下面简要说明一下各单元电路的功能。
1、电磁干扰防护电路
在220VAC电源输入端的电容C6和压敏电阻CNR1为防止高频于扰或雷击等造成后面电路工作或损坏而设置的防护电路。
2、主回路和高频谐振电路
市电经桥堆DB1整流和L1、C11滤波变为直流电,再经加热线盘L2、C11和IGBT1组成的电压谐振变换器,变换成频率为20~35KHz的交流电。开关管IBGT1的通断受驱功脉冲和单片机控制。当IGBTI的C极电压为0时,IGBT1导通,流过L2中的电流急增,电感储能;当IGBT1由导通转为截止时,由于电感中的电流不能突变,还要沿着先前方向流动,由于IGBT1已关断,L2只能对C11充电,磁能转变为电能,从而引起IGBT1的C极电压升高,随充电电流减小至零时,C极电压最高。随后电容C11开始对L2放电,C极电压变低,当到达零伏时,由控制电路监测到这个值,驱动脉冲再次使IGBT1导通。又一循环开始,形成振荡波形。分析可知:
① L2中电流的大小决定了加热功率的大小,若驱动脉冲宽度越大,IGBT1导通时间长电流就越大,因此只要调节脉宽即可调节加热功率。
② 加热线盘L2与负载锅具相耦合,交流电的频率愈高,磁通变化愈快,锅具中产生的感应电动势和涡流就愈大,使锅具发热升温高。可证明它与电源频率的平方以及磁感应强度最大值的平方成正比。
③ L2、C11组成并联谐振电路,振荡的半周期时间是出现峰值电压的时间,亦是IGBT1截止时间,也是驱动脉冲没有到达的时间,这个时间关系是不能错位的,如峰值脉冲还没有消失,驱动脉冲已提前到来,就会出现很大的导通电流使IBGT1烧坏,因此必须使驱动脉冲的前沿与峰值脉冲的后沿相同步。
3、同步电路
同步电路的作用是跟纵谐振电路波形,确定合理的IGBT1导通起点和提供检锅脉冲。它由电压比较器IC1-C及分压电阻等构成,加热线圈OUT1端电压经过R19、R20和R25分压输入到比较器的“-”端(8脚),OUT2端电压经过R17、R18、R45、R50和RA+RB分压输入到 “+”端(9脚),静态时“-”端比“+”端电位要低,输出端(14脚)输出高电平。由于上拉电阻R41使积分电容C7两端都是高电位不起作用。同时使IC1-D的“-”输入端(10脚)为高电平,导致输出端(13脚)输出低电平,控制IGBT1关闭。动态工作时“+”端(9脚)随IGBT1的C极电压而变化,使ICI的14脚输出和IGBT1驱动相似的方波。当谐振电容C3左负右正,IGBT1集电极电压最高时,IC1的14脚输出高电平,使IGBT1驱动信号仃止,当C3两端电压消失为零时,IC1的14脚输出低电平, IGBT1驱动信号输出高电平,使集电极电压变化和IGBT1驱动信号保持一致,得到IGBT1驱动信号的上升沿和Vcc反向脉冲的下降沿同步。
4、反压保护与PWM控制电路
反压保护电路中比较器IC1-A 5脚上(“+端”)的基准电压,由R22、R21分压提供+3V电压,4脚(“-”端)由IGBT1的C极上的电压经电阻RA,RB等分压而得,当提锅或移锅时,C极电压增大超过1025V(限压值),4脚电压高过5脚,2脚输出低电平,然后比较器一直在切换,维持电压不超过限压值,保护IGBT1不损坏。比较器IC1-D、R33、R35、R34、R46、C15和EC6、R41、C7、D19构成PWM控制电路。同步电路IC1=A14脚输出方波脉冲,通过积分电容C7和R41形成锯齿波送至IC1-D的“-”端(10脚);从CPU送来的PWM脉冲信号经过平滑后接至IC1-D的11脚,脉冲宽度越大,电压越高,与10脚比较翻转的时间越长,13脚输出高电平的时间也越长,进而控制IGBT1的驱动脉冲宽度,使加热功率增大。相反则减小。可见CPU是通过控制PWM脉冲宽度,控制IC1-D比较器的输出来控制IGBT1的导通时间的长短,从而控制了加热功率的大小。PWM脉冲宽度是由CPU根据设定功率值和电流取样电路的电压值进行调整的。
5、IGBT1驱动电路
驱动电路的作用是保证IGBT1可靠导通与关断。IGBT G极电压要求大于10V,采用Q3、Q4和Q5组成的推挽驱动电路提供。当Q5的基极输入信号为低电平时,Q5(NPN)截止,Q4(NPN)、Q3(NPN)基极得高电平,Q4导通,Q3截止,+15V电源流通,IGBT1栅极得电导通,加热线圈L2开始储能。反之,输入信号为高电平时,Q5导通,Q4截止、Q3导通,IGBT1栅极接地,IGBT1关断。L2自感电势对C3放电,形 成振荡。稳压管Z2限定IGBT G极电压,防止输入电压过高时损坏IGBT1;电阻R14可快速拉低栅极残余电压,加速IGBT1截止。
6、电流检测反馈电路
电流检测电路的作用是提供电流负反馈稳定加热电流,调节负载功率和判别有无锅具。它由电流互感器CT1取样,经D11、、D12桥式整流,EC5电容滤波平滑,再经R26、WR1、R6分压送到CPU的CUR 端,取样电流的大小与负载功率成正比,待机时取样电流基本为零。CPU根据监测电流的变化,作出各种指令:
① 判断锅具是否合适:若电流过小,再判断PWM是否最大,两者都满足则为无锅。
② 限定最大电流,在正常情况保证电流稳定或不超值,保护关键器件工作在额定范围内防止电流过大烧坏。
③ 配合电压取样电路及时调控PWM的脉宽,使输出功率保持稳定。
7、电压取样反馈及浪涌保护电路
⑴电压取样电路的作用是检测电路即时的工作电压段和高低压保护。市电输入电源由D5、D6整流后,一路经R9、R10分压及EC4电容滤波平滑,直流电压馈给CPU的VN端口进行分析,正常情况这个电压是稳定的。CPU根据检测到的输入电压信号,然后发出相关指令:
①判别电压是否在允许范围内,否则仃止加热,并发出报警。
②与电流检测配合CPU智能计算出功率的大小,再和CPU中予设的功率值进行比较,去控制PWM的脉冲宽度,稳定调整各档所需的功率。
⑵浪涌保护电路的作用是监控输入电网有无异常变化,在异常变化时关断IGBT进行保护。D5、D6整流后的另一路经R8、R11、R12和C3、C24分压后输入到比较器IC1-B的“-”端(6脚),与“+”端(7脚)+5V基准电压进行比较,正常时U6U7令IC1-B翻转,D17瞬间导通,将振荡脉冲电压拉低,关断IGBT的触发脉冲,形成硬件保护。同时 CPU的VN端监测得1脚变低电平信息,立即发出暂停加热指令,防止IGBT1浪涌电流过大而损坏。待浪涌电压过后,1脚恢复高电平时,CPU再重新发出加热指令,此为软件保护。
8、炉面温度和IGBT温度监测电路
这两个电路的作用是探测锅具内部温度和检测散热片发热情况。
⑴妒面热敏电阻温度传感器(RT/FAN)紧贴在微晶玻璃板底部,传感器阻值跟随锅具温度的变化,所以在电阻R5上分压变化即为锅具温度的变化。这个电压送到CPU的TMAN端,然后CPU作出相应的动作指令:
① 定温功能时,发出控制加热指令,使被加热物体温度恒定在设定的范围内。
② 若锅具温度高于220℃或于烧时,立即仃止加热,关机,并报知信息代码E6。
③ 当传感器开路或短路时,开机后发出不启动指令,并报知故障信息代码E5。
⑵IGBT和DB1产生的温度透过散热片传至紧帖其上的负温度系数热敏电阻RT/IBGT,热敏电阻与R4串联,分压点R4上电压变化简接反映了IGBT的温度变化。CPU依据TIGBT输入端电压的变化,CPU发出相应的动作指令:
① 当检测到IGBT1结温大于85℃时,调整PWM的输出,令IGBT1结温≤85℃。
② 当IGBT1结温某种原因而高于95℃时,加热立即仃止,并报信息代码E2。
③ 当热敏电阻开路或短路时,发出不启动指令,并报知相关信息代码E2
④ 关机时如IGBT温度>50℃,CPU发出风扇继续运转指令,继续运转超过4分钟,如温度<50℃,风机仃转。风扇延时运转期间,按一次关机键,可关闭风扇。
9、风扇驱动电路
风扇驱动电路的作用是驱动风扇旋转,排出妒内热气,降低妒内环境温度,维持电磁炉正常工作。CPU发出风扇运转指令时,FAN端口输出高电平,电压通过限流电阻R2送至Q1基极,Q1饱和导通,+18V电流流过风扇和Q1接地,风扇得电运转。当FAN口为低电平时,Q1断开风扇仃转。CPU是根据程序判断发出该控制指令:
① 结合炉面温度传感器和IGBT温度传感器检测到的数值,控制风扇工作。
② 判断是否开机,风扇长转。
③ 判断是否有特殊要求控制风扇工作。
10、蜂鸣器报警电路
CPU在发生故障、按操作键或功能完成时提醒用户,通过音响跟用户交流。蜂鸣器驱动信号由CPU的BUZ端口输出。
11、智能控制及显示电路
该电路的作用是智能控制和显示电磁炉各种功能:其中主要包括提供良好人机界面,功率自动控制、温度自动控制、定时控制及各种检测报警等。本机微电脑部分由8位单片机HMS87C1204AP、高速CMOS逻辑8位串入-并出移位寄存器CD74HC164及4位LED数码显示管、轻触按键等外围电路组成。依照予编的程序完成以下功能。
⑴手动功能
爆炒
①待机状态下,按“炒莱”键(SW3),爆炒功能指示灯(L16)点亮;
②选定爆炒功能后,机器执行爆炒功能,定温270℃,机器以1900W功率进行加热;
③用户可根据烹饪效果随意调节加热功率。
馏炒
① 待机状态下,连续按二下“炒菜”键(SW3),馏炒功能指示灯(L17)点亮;
② 选定馏炒功能后,机器执行馏炒功能,定温270℃,机器以1600W功率进行加热;
③ 用户可根据烹饪效果随意调节加热功率。
煸炒
① 待机状态下,连续按三下“炒菜”键(SW3)煸炒功能指示灯(L11)点亮;
② 选定煸炒功能后,机器执行煸炒功能,定温270℃,机器以1200W功率进行加热;
③ 用户可根据烹饪效果随意调节加热功率。
煎炸
① 待机状态下,按“煎炸”键(SW4),煎炸功能指示灯(L14)点亮;
② 机器默认定温160℃工作,用户可根据需要按调大(SW9)调小(SW10)键,在60~270℃范围 内调节定温温度。
火锅
手动:①待机状态下,按“火锅”键(SW7),手动火锅功能指示灯(L15)点亮,机器默认1900W功率工作;
③ 用户可根据需要按调大(SW9)调小(SW10)键,在120~1900W℃范围内调节功率。
智能:
①待机状态下,连续按两下“火锅”键(SW7),智能火锅功能指示灯(L8)点亮,机器默认1900W功率工作。
②机器按默认程序智能控制加热火力,大火、小火反复切换。
⑵智能功能
煲汤
① 待机状态下,按“煲汤”键(SW2),“2小时”煲汤功能指示灯(L1)点亮。
② 连续按“煲汤”键(SW2),可在“2小时-3小时-小时”中循环选定煲汤时间。选定3秒钟后,机器立即以默认方式启动,完成后进入两小时保温状态,然后自动报警关机。
熬粥
① 待机状态下,按“熬粥”键(SW1),“45分钟”熬粥功能指示灯(L4)点亮;
② 连续按“熬粥”键(SW1),可在“45分钟-1小时-1.5小时”中循环选定熬粥时间。选定3秒钟后,机器立即以默认方式启动。完成后进入两小时保温状态,然后自动报警关机。
烧水
① 待机状态下,按“烧水”键(SW6),烧水功能指示灯(L7)点亮;
② 机器自动快速烧水,省时节能。
⑶ 予约/定时功能
① 定时:在启动“妙菜”、“火锅”或“煎炸”功能后,按下“定时/予约”键(SW5),启动定时功能,再按“调小/小时”(SW10)、“调大/分钟”(SW9)键,可在1分至2围内设定自动关机时间。长按下“定时/予约”键2秒以上,即可取消定时功能。
予约:在待机状态下,按下“定时/予约”键,启动予约功能。再按“调小/小时”、调大/分钟”键。可在1分至24小时范围内设定予约时间。时间设定完毕后按下所需予约的智能功能键。予约功能设定完毕后,机器进入予约状态,数码显示区开始倒计时。倒计时结束时,机器鸣叫报警,所予约的智能功能启动。若要取消予约功能,长按下“定时/予约”键2秒以上,即可取消予约功能。
⑷显示功能
数码显示: 本机设置了4位数码显示区,主要用于显示功率/温度值,予约/定时时间及故障代码。
故障代码显示:
①Eo 机器内部电路有故障;
②E1 锅具材质和大小、形状、位置不合适;
⑶E2 机内过热,风口堵塞、风扇不转、IGBT温度传感器开路或短路;
④E3 电网电压过高;
⑤E4 电网电压过低;
⑥E5 陶瓷板温度传感器开路;
⑦E6 锅具发生于烧、锅具温度过高、陶瓷板温度传感器短路;
⑧E7内部潮湿或有脏物。
以上便是小编此次带来的有关电磁炉维修的相关内容,如果你觉得本文内容不错,不妨继续关注本网站哦。