粉丝:
IPAD6 关机可以充电,开机不充电。大神支个招。

最近有不少粉丝在实际维修中,感觉力不从心,不知道如何下手。其实归根结底还是理论知识不扎实造成的,知其原理,晓其方法。
这位粉丝朋友,更换了USB管理IC,就是大家常说的U2,更换了尾插,依然没有解决问题。要想对症下药,必须知其所以然。也就是说,必须搞清楚,关机状态下,手机是如何实现充电的。搞懂原理了,平板也好,其它品牌手机也好,基本思路相同,只是采用的元件各异而已。
我们今天就来聊聊手机是如何实现关机充电的。
我们先通过苹果6来看看手机充电的工作原理。
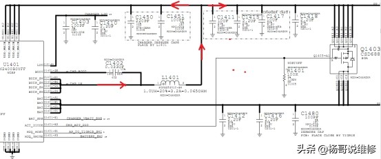
为了搞懂工作原理,我们需要掌握,U1401充电管理IC; U1700USB控制管(就是我们说的U2); J1817尾插接口;还有电池座接口J2523。
简单思路,就是插入手机数据线时,充电电压通过充电IC U1401,把充电电压送到电池座子J2523正极。同时,这个充电IC要正常输出充电需要的电压,还要受USB管理IC U1700的控制。(在苹果5中,充电IC和主电源做在了一起,也就是说主电源肩负了充电管理的义务。)在苹果6中独立了开来,不论以后怎么变,充电管理功能暂时是不会消失的,只能说,单独或者整合。
下面我们就来看看苹果6详细的充电流程:

数据线插入尾插J1817时,J1817的39脚/42脚,或者J1817的36脚/40脚会得到一个5V的充电电压(因为苹果6支持正反插,所以这两组输入端会有一端产生5v供电),这组电压我们叫做PP5V0_USB;它被送到了充电IC U1401的 B5/C5/D5/E5。

充电IC内部有个控制开关,控制开关由USB管理IC U1700来进行开启。

U1700的 F6会得到一个充电检测输入电压PP_TRSTAR_PIN,这个电压来自尾插的PP5V0_USB,通过Q1701转换而来。充电器插入,线路正常时,U1700的F6脚就会得到一个电压输入信号,【既然F6脚是电压检测脚,这也成为了我们平时判断控制信号是否正常工作的一个测试节点,如果此处无法得到一个5V的充电电压,那么U1700是不会从D6脚输出控制开启信号的,这也就告诉我们,平时可以通过测量这个点的电压来判断,尾插来的5V是否可以正常进入U1700。如果测量不到5V电压,就要重点检查Q1701及尾插部分的电路了。】此时U1700的D6脚,就会送出一个开启信号:TRISTAR_TO_PMU_OVP_SW_EN_L。【从这个信号后的L大家可以知道,低电平有效,说到这里,你是否会产生什么想法,仔细观察上图,这条线上有个测试点PP1722,这就告诉我们,如果你怀疑U1700没有启动控制信号,我们就可以用镊子将这个测试点对地短接,强行给充电IC U1401一个启动信号,如果正常充电,就说明U1700故障造成启动信号无法送达,下面重点围绕U1700进行维修即可。】这个信号送到了充电管理IC U1401的F4脚。

充电IC U1401的F4脚得到这个开启信号后,它的 A4/B4/C4/D4脚就会送出充电电压CHG_LX,CHG_LX通过C1402及L1401电路的调整产生PP_VCC_MAIN,兵分三路(只聊充电有关电路):第一路,通过A2/B2/C2/D2送回U1401进行处理,再通过A1/B1/D1/C1脚产生PP_BATT_VCC,送到电池座子J2523正极,对电池进行充电。第二路流向Q1403的S级,伴随U1402的E2脚送来的启动信号,开启Q1403,并将这个电压送到电池座子J2523的正极对电池进行充电。【大家可以参考下图,或者自己打开图纸观看,也就是说明有两路可以对电池充电,这也就告诉了我们,如果出现不充电,其中一路故障,不会造成不充电,只是有可能充电过慢,那么出现不充电时,不需要优先考虑某一个支路。重点研究他们的公共部分。】

下面还有一个问题,需要我们思考,如果是开机状态,一般情况下右上角的电池符号里面提示,有的用百分比显示,有的用滚动条显示等等。通过这种方式告诉我们,手机已经在充电。那么关机状态下,我们是如何知道手机在充电的呢?同样,我们手机也需要在屏幕上给我们一个显示,有些手机显示一个大大的充电符号。

后续继续交流。
与你一起终身学习,这里是杨哥说维修。欢迎大家关注我们,一起交流分享。