福利: 『指南车-ABB工业机器人操作与基础编程-杭州』1月22日开课,为期一周,共计5天,价值2000元,现免费/免费/免费 ,仅限20名,报名请咨询指南车工作人员。
1 ABB机器人常用IO板大全
1.AD Combi I/O-信号输入输出版 DSQC 651
2.Digital I/O-信号输入输出板 DSQC 652
3.Relay I/O-信号输入输出板 DSQC 653
4.AD Combi I/O-信号输入输出板 DSQC 327A
5.Digital I/O-信号输入输出板 DSQC 328A
6.Relay I/O-信号输入输出板 DSQC 332A
7.模拟量信号输入输出板 DSQC 355A
8. Remote I/O 输入输出板 DSQC 350A
9.Interbus-S 输入输出板 DSQC 351A
10.Prifibus-DP 输入输出板DSQC 352A
11.CCLink 输入输出板DSQC 378A
12. 编译器输入输出板DSQC 377A
13.Profibus Fieldbus Adapter-总线板DSQC 667
14.Ethernet/IP Fieldbus Adapter-以太网DSQC 669
15.输入输出板地址
2 AD Combi I/O-信号输入输出版 DSQC 651

3 Digital I/O-信号输入输出板 DSQC 652

4 Relay I/O-信号输入输出板 DSQC 653

5 AD Combi I/O-信号输入输出板 DSQC 327A

6 Digital I/O-信号输入输出板 DSQC 328A

7 Relay I/O-信号输入输出板 DSQC 332A

8 模拟量信号输入输出板 DSQC 355A

9 Remote I/O 输入输出板 DSQC 350A

10 Interbus-S 输入输出板 DSQC 351A

11 Prifibus-DP 输入输出板DSQC 352A

12 CCLink 输入输出板DSQC 378A

13 编译器输入输出板DSQC 377A

14 Profibus Fieldbus Adapter-总线板DSQC 667
15 Ethernet/IP Fieldbus Adapter-以太网DSQC 669

16 输入输出板地址

17 安全
自动模式中,任何人不得进入机器人工作区域
长时间待机时,夹具上不宜放置任何工件。
机器人动作中发生紧急情况或工作不正常时,均可使用E-stop键,停止运行(但这将直接使程序终止不可继续)
进行编程、测试及维修等工作时,必须将机器人置于手动模式。
调试机器人过程中,不需要移动机器人时,必须释放使能器。
调试人员进入工作区域时,必须随携带使能器,以防他人操作。
突然停电时,必须立即关闭机器人主电源开头,并取下夹具上的工件。
严禁非授权人员操作机器人。
18 简介
1974 ABB第一台机器人诞生,IRC5为目前最新推出的控制系统。所属机器人大部分用于焊接、喷涂及搬运用。
当前使用的机器人型号为IRB1410,其承重能力为5KG,上臂可承受18KG的附加载荷, 这在同类机器人中绝无仅有。最大工作半径1444mm,常用于焊接与范围搬运,具可再扩展一个外部轴的能力。
19 机器人系统简介
机械手为六轴组成的空间六杆开链机构,理论上可达到运动范围内任何一点。每个转轴均带一个齿轮箱,机械手运动精度(综合)达正负0.05mm至正负 0.2mm。六轴均带AC伺服电机驱动,每个电机后均有编码器与刹车。机械手带有串口测量板(SMB),测量板上带有六节可充电的镍铬电池,起到保存数据的作用。机械手带有手动松闸按钮,维修时使用,非正常使用会造成设备或人员被伤害。机械手带有平衡气缸或弹簧。

20 伺服驱动系统

21 IRC5 系统介绍
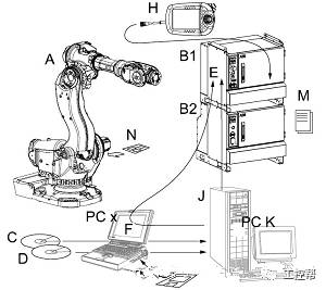
主电源、计算机供电单元、计算机控制模块(计算机主体)、输入/输出板、Customer connections(用户连接端口)、FlexPendant接口(示教盒接线端)、轴计算机板、驱动单元(机器人本体、外部轴)。

系统构成
A 、 操纵器(所示为普通型号)
B1、 IRC5 Control Module,包含机器人系统的控制电子装置。
B2 、 IRC5 Drive Module,包含机器人系统的电源电子装置。在 Single Cabinet Controller 中, Drive Module 包含在单机柜中。MultiMove 系统中有多个 Drive Module。
C、 RobotWare 光盘包含的所有机器人软件
D、 说明文档光盘。
E、 由机器人控制器运行的机器人系统软件。
F、 RobotStudio Online 计算机软件(安装于 PC x 上)。RobotStudioOnline 用于将 RobotWare 软件载入服务器,以及配置机器人系统并将整个机器人系统载入机器人控制器。
G、 带 Absolute Accuracy 选项的系统专用校准数据磁盘。不带此选项的系统所用的校准数据通常随串行测量电路板 (SMB) 提供。
H 、 与控制器连接的 FlexPendant,
J、 网络服务器(不随产品提供)。 可用于手动储存:
• RobotWare •成套机器人系统 •说明文档
在此情况下,服务器可视为某台计算机使用的存储单元,甚至计算机本身!
如果服务器与控制器之间无法传输数据,则可能是服务器已经断开!
PC K 服务器的用途:
•使用计算机和 RobotStudio Online 可手动存取所有的 RobotWare 软件。
•手动储存通过便携式计算机创建的全部配置系统文件。
•手动存储由便携式计算机和 RobotStudio Online安装的所有机器人说明文档。
在此情况下,服务器可视为由便携式计算机使用的存储单元。
M、 RobotWare 许可密钥。 原始密钥字符串印于 Drive Module 内附纸片上(对于 Dual Controller,其中一个密钥用于 Control Module,另一个用于 Drive Module;而在 MultiMove 系统中,每个模块都有一个密钥)。RobotWare 许可密钥在出厂时安装,从而无需额外的操作来运行系统。
N、 处理分解器数据和存储校准数据的串行测量电路板(SMB)。 对于不带Absolute Accuracy 选项的系统,出厂时校准数据存储在 SMB 上。PC x 计算机(不随产品提供)可能就是上图所示的服务器J!如果服务器与控制器之间无法传输数据,则可能是计算机已经断开连接!
22 示教盒按钮功能介绍:
FlexPendant 设备(有时也称为 TPU 或教导器单元)用于处理与机器人系统操作相关的许多功能: 运行程序;微动控制操纵器;修改机器人程序等。使能器的上的三级按钮(默认不按为一级不得电、按一下为二级得电、按到底为三级不得电)。
示教器
A 、 连接器。 B 、 触摸屏。 C 、 紧急停止按钮。 D 、使动装置。 E 、 控制杆。
23 基本窗口
初始窗口、Jogging窗口、输入/输出(I/O窗口)、QuicksetMenu(快捷菜单)、特殊工作窗口

初始界面
A、 ABB菜单。 B、 操作员窗口。 C、 状态栏。 D 、 关闭按钮。 E 、 任务栏。 F、 " 快速设置"菜单
24 坐标系统(和KUKA的一样)
Tools coordinates 工具坐标系、Base coordinates 基本坐标系、Worldcoordinates 大地坐标系、Work Object 工件坐标系。
25 手动操作机器人

坐标系以及运动模式
A: 超驰微动控制速度设置(当前选定 100%)
B: 坐标系设置(当前选定大地坐标)
C: 运动模式设置(当前选定轴 1-3 运动模式)
在选择了坐标系和运动方式的前提下,按住使能键通过操纵杆进行操作,每次选择只能针对三个方向。
26 工具坐标系
工具的建立及TCP的校验

TCP中心
A tool0 的工具中心点,TCP
操作:
1. 在 ABB 菜单中,点击微动控制。
2. 点击工具,显示可用工具列表。
3. 点击 新建... 以创建新工具。
4. 点击确定。

数据类型
|
如果要更改... |
那么... |
建议 |
|
工具名称 |
点击名称旁边的"..." 按钮 |
工具将自动命名为 tool 后跟顺序号,例如 tool10 或tool21。建议您将其更改为更加具体的名称,例如焊枪、夹具或焊机。 注意!如果要更改已在某个程序中引用的工具名称,您还必须更改该工具的所有具体值。 |
|
范围 |
从菜单中选取最佳范围 |
工具应该始终保持全局状态, 以便用于程序中的所有模块。 |
|
存储类型 |
- |
工具变量必须始终是持久变量。 |
|
模块 |
从菜单选择声明该工具的模块。 |
定义工具框时可使用三种不同的方法。所有这三种方法都需要您定义工具中心点的笛卡尔坐标。 不同的方法对应不同的方向定义方式。
|
如果要... ... |
请选择... |
|
设置与机器人安装平台相同的方向 |
TCP (默认方向) |
|
设立Z 轴方向 |
TCP & Z |
|
设立X 轴和Z 轴方向 |
TCP & Z, X |
本步骤介绍了如何选择用于定义工具框的方法。
1. 在 ABB 菜单中,点击微动控制。
2. 点击工具,显示可用工具列表。
3. 选择想要定义的工具。
4. 在“ 编辑” 菜单中,点击定义...。
5. 在出现的对话框中,选择要使用的方法。
6. 选择要使用的接近点的点数。 通常4 点就足够了。 如果您为了获得更精确的结果而选取了更多的点数,则应在定义每个接近点时均同样小心。
7. 有关如何收集位置和执行工具框定义的详情

TCP定义
其余的和KUKA的操作一样。
工具数据:
使用值设置功能来设置工具的中心点位置和物理属性,如重量和重心。
该操作也可使用服务例行程序 LoadIdentify自动完成。
显示工具数据:
1. 在 ABB 菜单中,点击微动控制。
2. 点击工具,显示可用工具列表。
3. 选择您想要编辑的工具,然后点击编辑。
一个菜单出现。
• 更改声明
• 更改值
• 删除
• 定义
4. 在菜单中,点击更改值。
这时会显示定义该工具的数据。绿色文本表示该值可以更改。
5. 依照以下步骤更改数据。
测量工具中心点:

X0 tool0 的 X 轴
Y0 tool0 的 Y 轴
Z0 tool0 的 Z 轴
X1 待定义工具的X 轴
Y1 待定义工具的Y 轴
Z1 待定义工具的Z 轴
操作
1. 沿 tool0 的 X 轴,测量机器人安装法兰到工具中心点的距离。
2. 沿 tool0 的 Y 轴,测量机器人安装法兰到工具中心点的距离。
3. 沿 tool0 的 Z 轴,测量机器人安装法兰到工具中心点的距离。
编辑工具定义:
|
操作 |
实例 |
单位 |
|
|
1 |
输入工具中心点位置的笛卡尔坐标。 |
tframe.trans.x tframe.trans.y tframe.trans.z |
[ 毫米] |
|
2 |
如果必要,输入工具的框架定向。 |
tframe.rot.q1 tframe.rot.q2 tframe.rot.q3 tframe.rot.q4 |
无 |
|
3 |
输入工具重量。 |
tload.mass |
[ 千克] |
|
4 |
如果必要,输入工具的重心坐标。 |
tload.cog.x tload.cog.y tload.cog.z |
[ 毫米] |
|
5 |
如果必要,输入力矩轴方向。 |
tload.aom.q1 tload.aom.q2 tload.aom.q3 tload.aom.q4 |
无 |
|
6 |
如果必要,输入工具的转动力距。 |
tload.ix tload.iy tload.iz |
[kgm2] |
|
7 |
点击确定,启用新值;点击取消,使用原始值。 |
系统参数:EIO(输入输出IO)、PROC(过程文件)、MMC(存储控制)、SIO(系统输入输出)、MOC、SYS(系统参数)

Rapid 应用
组件说明:
|
组件 |
功能 |
|
任务 |
通常每个任务包含了一个RAPID 程序和系统模块,并实现一种特定的功能(例如点焊或操纵器的运动)。一个 RAPID 应用程序包含一个任务。 如果安装了 Multitasking 选项,则可以包含多个任务。 |
|
任务属性参数 |
任务属性参数将设置所有任务项目的特定属性。存储于某一任务的任何程序将采用为该任务设置的属性。 |
|
程序 |
每个程序通常都包含具有不同作用的 RAPID 代码的程序模块。所有程序必须定义可执行的录入例行程序。每个程序模块都包含特定作用的数据和例行程序。 |
|
程序模块 |
将程序分为不同的模块后,可改进程序的外观,且使其便于处理。每个模块表示一种特定的机器人动作或类似动作。从控制器程序内存中删除程序时,也会删除所有程序模块。程序模块通常由用户编写。 |
|
数据 |
数据是程序或系统模块中设定的值和定义。数据由同一模块或若干模块中的指令引用(其可用性取决于数据类型)。 |
|
例行程序 |
例行程序包含一些指令集,它定义了机器人系统实际执行的任务。例行程序也包含指令需要的数据。 |
|
录入例行程序 |
在英文中有时称为" main " 的特殊例行程序, 被定义为程序执行的起点。每个程序必须含有名为“main” 的录入例行程序,否则程序将无法执行。 |
|
指令 |
指令是对特定事件的执行请求。例如" 运行操纵器TCP 到特定位置" 或"设置特定的数字化输出"。 |
编程的准备事项:
1)编程工具:
您可以使用 FlexPendant 和 RobotStudioOnline 来编程。 对于基本编程,使用RobotStudio Online 较易,而FlexPendant 更适合修改程序,如位置及路径。
2)定义工具、有效载荷和工件:
在开始编程前定义工具、有效载荷和工件。然后,您可以随时返回再定义更多对象,但应事先定义一些基本对象。
3)定义坐标系
确保已在机器人系统安装过程中设置了基坐标系和大地坐标系。同时确保附加轴也已设置。在开始编程前,根据需要定义工具坐标系和工件坐标系。以后添加更多对象时,您同样需要定义相应坐标系。
29 建立程序(略)及指令
创建新程序:
|
1. |
在 ABB 菜单中,点击程序编辑器。 |
|
2. |
点击任务与程序。 |
|
3. |
点击文件,然后再点击新程序。 如果已有程序加载,就会出现一个警告对话框。 • 点击保存,保存加载程序。 • 点击不保存可关闭加载程序,但不保存该程序,即从程序内存中将其删除。 • 点击取消使程序保持加载状态。 |
|
4. |
使用软键盘命名新程序。然后点击 确定 。 |
|
5. |
继续添加指令、例行程序或模块。 |
创建例行程序:
操作
1. 在 ABB 菜单中,点击程序编辑器。
2. 点击例行程序。
3. 点击文件 。 新例行程序 并根据新例行程序将创建并显示默认声明值。

4. 点击 ABC... 。 确定 。
5. 选择例行程序类型:
•过程:用于无返回值的正常例行程序
•函数:用于含返回值的正常例行程序
•陷阱:用于中断的例行程序
6. 您是否需要使用任何参数?
如果" 是",请点击 ... 定义参数。 定义例行程序中的参数 页 170 一节中的详细说明进
行操作。
如果" 否",请继续下一步骤。
7. 选择要添加例行程序的模块。
8. 如果例行程序是本地的,则点击复选框选择本地声明 添加新参数。
本地例行程序仅用于选定的模块中。
9. 点击确定。
定义例行程序中的参数:
1. 在例行程序声明中,点击 ... 返回例行程序声明。
一个已定义参数的列表将显示。

2. 如无参数显示,请点击 添加 添加新参数。
• " 添加可选参数" 可添加可选的参数
• " 添加可选互用参数" 可添加一个与其它参数互用的可选参数

3. 使用软键盘输入新参数名,然后点击确定 。
新参数显示在列表中。
4. 点击选择一个参数。要编辑数值,则点击数值。
5. 点击 确定 返回例行程序声明。
指令添加:
1. 在 ABB 菜单中,点击程序编辑器。
2. 点击突出显示您要添加新指令的指令。
3. 点击添加指令 移至上一个/ 下一个类别。指令类别将显示。

30 ABB 机器人 标准保养
一、保养备件 1. 润滑油脂2. 保养备件包SMB电池、冷却风扇、马达灯、保险丝等 二、本体标准保养常规检查 1. 本体清洁根据现场工作对机器人本体进行除尘清洁。2. 本体和6轴工具端固定检查检查本体及工具是否固定良好。3. 各轴限位挡块检查4. 电缆状态检查检查机器人信号电缆、动力电缆、用户电缆、本体电缆的使用状况与磨损情况。5. 密封状态检查检查本体齿轮箱,手腕等是否有漏油,渗油现象。 功能测量 1. 机械零位测量检测机器人的当前零位位置与标准标定位置是否一致。2. 电机抱闸状态检查检测打开电机抱闸电压值,测试各轴电机抱闸功能。 保养件更换 1. 本体油品更换机器人齿轮箱、平衡缸或连杆油品更换。2. 机器人SMB板检查及电池更换检查SMB板的固定连接是否正常,更换电池。 三、控制柜标准保养 常规检查 1. 控制柜清洁对机器人控制柜外观清洁,控制柜内部进行除尘。2. 控制柜各部件牢固性检查检查控制柜内所有部件的紧固状态。3. 示教器清洁示教器及电缆清洁与整理。4. 电路板指示灯状态检查控制柜内各电路板的状态灯,确认电路板的状态。5. 控制柜内部电缆检查控制柜内所有电缆插头连接稳固,电缆整洁。 控制柜测量 1. 电源电压测量测量机器人进线电压、驱动电压、电源模块电压,进行整体评估。2. 安全回路检测检查安全回路(AS,GS,ES)的运行状态是否正常3. 示教器功能检测检测所有按键有效性,急停回路是否正常,测试触摸屏和显示屏功能4. 系统标定补偿值检侧检测机器人标定补偿值参数与出厂配置值是否一致5. 系统备份和导入检测检查机器人是否可以正常完成程序备份和重新导入功能6. 硬盘空间检测优化机器人控制柜硬盘空间,确保运转空间正常 保养件更换 1. 驱动风扇单元更换驱动单元冷却风扇更换2. 保险丝更换控制柜保险丝更换3. 电机上电指示灯更换控制柜操作面板电机上电按钮内指示灯更换 四、标准保养报告总结 1、机器人标准保养后建议2、机器人标准保养后建议备件清单 五、标准保养周期 一年或者运行3000-4000小时
