文/钟日铭,《PRO/ENGINEER WILDFIRE 4.0完全实例解析》及相关Creo、AutoCAD、UG图书作者。
6.5 草绘修饰特征的应用
对于一些要印制在零件表面上的公司徽标、操作警示、代号等信息,可以采用草绘修饰特征来表示。既可以在规则的平整表面上创建草绘修饰特征,也可以在非规则的零件曲面上创建草绘修饰特征。
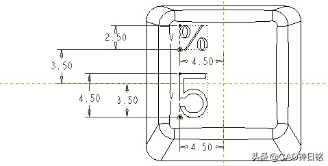
本范例以键盘按钮模型为例,在它的上曲面上创建草绘修饰特征,如图6-54所示。

图6-54 创建按键上的草绘修饰特征
知识点:创建草绘修饰特征。
具体的操作步骤如下:
1)打开源文件tsm_6_5.prt,文件中存在着一个键盘按键的模型。
2)从菜单栏中,选择"插入"→"修饰"→"草绘"命令,打开如图6-55所示的菜单管理器。

图6-55 "选项"菜单
3)从菜单管理器中的"选项"菜单上,选择"投影截面"→"无剖面线"→"完成"命令,出现如图6-56所示的"特征参考"菜单。

图6-56 "特征参考"菜单
4)选择如图6-57所示的目标曲面。

图6-57 选择目标曲面
5)在菜单管理器的"特征参考"菜单中选择"完成参考"选项。
6)选择TOP基准平面作为草绘平面,在菜单管理器的"方向"菜单中选择"正向"选项,然后在"草绘视图"菜单中选择"缺省"选项。
7)利用"文本"按钮,分别创建如图6-58所示的文本"%"和"5"。其中"%"的字体为"Symbol","5"的字体为"font3d"。

图6-58 绘制文本
8)单击"继续当前部分"按钮。在键盘按键的曲面上创建投影截面草绘修饰特征,如图6-59所示。

图6-59 创建投影草绘修饰特征
案例结束。有兴趣的读者,可以对照上述案例,使用Pro/E或Creo参照着上述方法及步骤自行进行上机操练。
作者本人编著有以下关于Proe/Creo的专业图书,有兴趣的可以通过以下京东链接进行购买,谢谢!可以在京东、当当网上进行搜索和购买。多支持一下。
1)Pro/ENGINEER Wildfire5.0从入门到精通(第2版 附光盘):https://item.jd.com/10060297.html
2)Creo 4.0曲面造型设计从入门到精通:https://item.jd.com/12365339.html?dist=jd#crumb-wrap
3)Creo 4.0中文版完全自学手册(第2版):https://item.jd.com/12094477.html?dist=jd#crumb-wrap
4)Creo 4.0钣金件设计从入门到精通 第2版:
https://item.jd.com/12134641.html?dist=jd#crumb-wrap
5)CAD/CAM/CAE工程应用丛书-Creo 3.0从入门到精通:https://item.jd.com/11609360.html?dist=jd
6)Creo 3.0机械设计实例教程:https://item.jd.com/11684833.html?dist=jd
大家对设计和CAD学习及应用什么好的想法和建议,欢迎提出来跟我一起交流。谢谢。欢迎常来我的*今条头日**号看看