
LM393电机过载指示
电机根据供电类型分为直流电机与交流电机。实验中采用直流电机,电压5V。电机的外观如图

电机

电机的图形符号用M表示

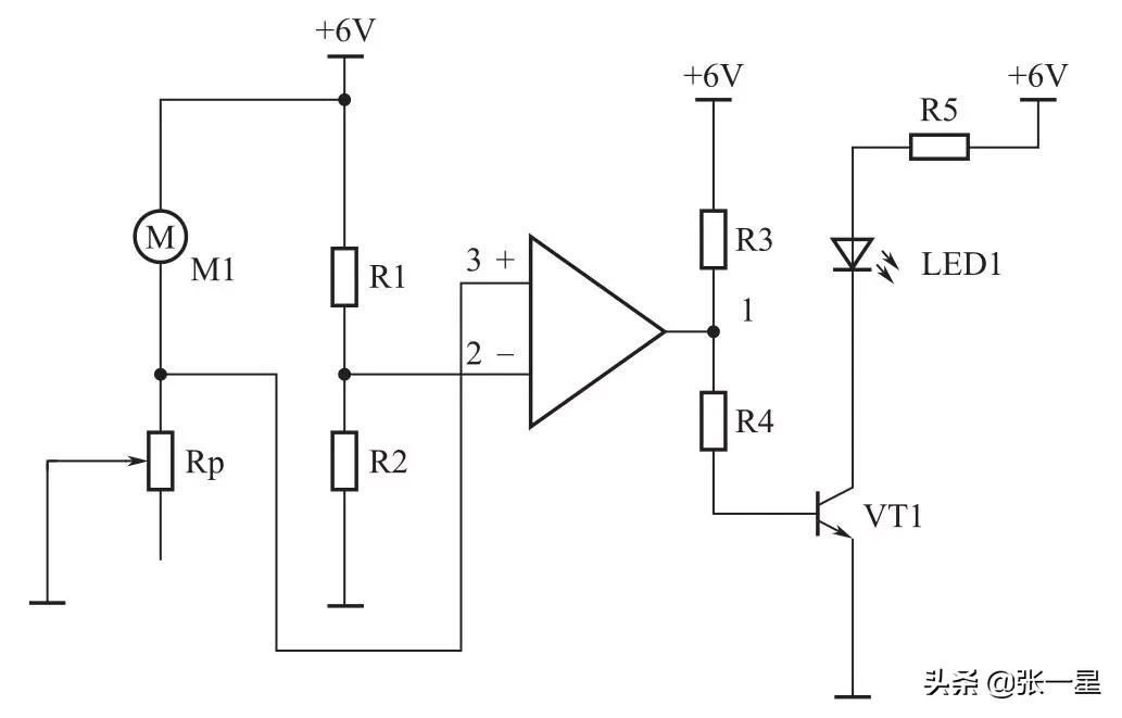
“电机过载指示”电路图

元器件清单

图中RP是精密可调电阻,

精密可调电阻
当电动机正常工作时,LM393第3脚电压小于2脚电压,输出低电平,LED1熄灭;当电动机负载过重时,电流增加,在RP上的电压增加,当大于2脚的电压时,输出高电平,三极管VT1放大后驱动LED1点亮。
可以将此电路加以修改,把驱动LED改为驱动继电器,这样就可以实现过载时断开电机电源。