
三极管介绍:
1.三极管:全称应为半导体三极管,也称双极型晶体管、晶体三极管,是一种控制电流的器件也是非线性原件,有三个极,分别叫做集电极C,基极B,发射极E.目前三极管有NPN与PNP两种,三极管有三种放大状态,放大/截止/饱和.在笔记本电路中三极管一般应用在截止饱和两种状态,主要做电压切换与转换.

2.笔记本主板中常见的三极管如下图所示:

3.三极管在笔记本电脑上种类繁多,从材质上分硅材料和锗材料三极管,主板上主要用字母:Q/PQ/VT/QT等表示(场效应管与三极管一样)

二.三极管电路应用:
1.普通NPN型:VB>VE 0.7V ,B-E导通,C-E也导通,普通PNP型VB<VE 0.7V ,B-E导通,E-C也导通
例如下图:当A点为高电平时,B点就是低电平,对应的Q102的基极B也是低电平,这个时候输出D点为高电平,当A点为低电平时,B点为高电平,对应的Q102的基极B也是高电平,这个时候因C点为高电平,所以D点为高电平,只有当A点为低电平,B点为高电平,并且C点为低电平,此刻D点输出才能为低电平.

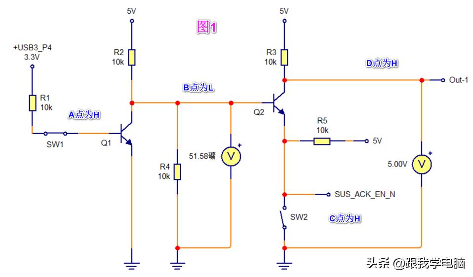
实验1:当A点为H-->B点为L-->C点为H,最终D点为H,如下图所示:

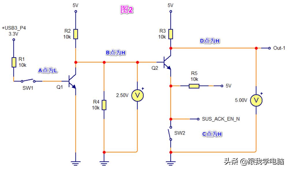
实验2:当A点为L-->B点为H-->C点为H,最终D点为H,如下图所示:

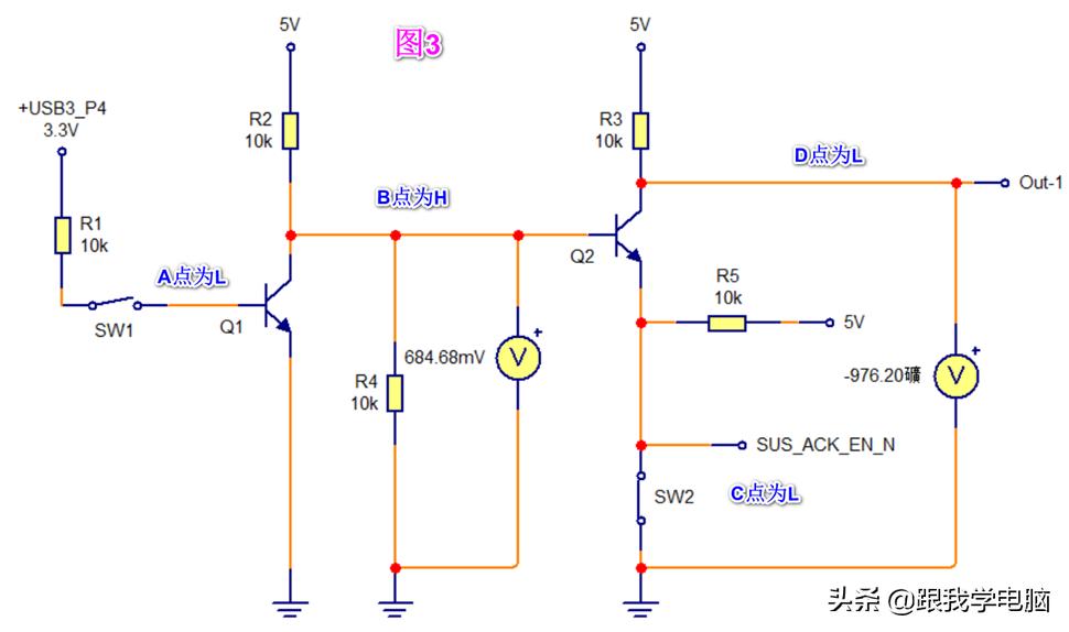
实验3:当A点为L-->B点为H-->C点为L,最终D点为L,如下图所示:

三.三极管好坏判断
1.先了解三极管的内部基本结构:

2.先找出基极,假设主板上有一颗三极管为NPN型,在不知道引脚排列的情况下,先要找到基极.先将数字万用表拔到二极管档位,先随便接到三极管的2只引脚,分别正反向都量测一次若都为1,剩下的一只脚为基极(B)

3.找到基极后先要判断此三极管是NPN是PNP型,先可以将万用表红表笔接到基极,再用黑表笔碰其他2只引脚,如有二极值代表此三极管为NPN型,否则是PNP型,在红表笔不动的情况下,黑表笔分别碰2只引脚都应改有正向二极值,阻值小的为集电极(C),阻值大的为发射极(E)-->在主板上测量三极管时候,因为线路上有并联很多其他元件,所以想精确的测量建议拆下来测量比较准,正常三极管不管是NPN还是PNP正向二极值都在450~750之间,如果发现不在此范围之内,则需要更换或者找全新的同型号的对照测量.

备注:欢迎大家关注我的头条号:跟我学电脑,每天都会有新的知识提供大家学习,同时也希望大家多多转发,评论与点赞,你们的每一次转发都是给我最大的帮助,感恩你们!!