步骤一:根据车主描述,车辆偶尔无法起动,且故障没有任何规律。这属于偶发症状,于是打车试试看,发现钥匙拧到“start”档位,车辆没有任何反应,起动机不起作用。

步骤二:使用解码仪读取故障码,无故障码。既然起动机没有工作,那么师傅的第一思路肯定是查起动机的空挡、离合开关是否正常,检查之后没有异常。

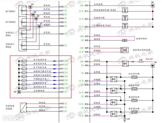
步骤三:于是准备检查起动机的线路是否有问题,检查T50线,在拧到“start”档位时,T50线有24V电压,发现起动机电路都没有问题,于是拆下起动机,单独供电强制起动,发现起动机可以起动,一切正常。

步骤四:该车有车下起动开关和熄火开关,那么是否是这些影响该车辆的起动呢?于是拔下车下起动开关和熄火开关,重新打车,发现起动机没有任何反应。
步骤五:几乎有关起动的问题都查到了,又由于该故障是偶发,那么ECU也不太可能出现问题,于是翻开电路图查看是否还有什么会影响起动,突然发现电路图中有一个起动请求信号开关,那么是否是起动请求信号开关出现异常呢?

步骤六:由于师傅当时不太清楚这个起动请求信号开关在哪里,于是尝试着去拔掉其他的开关,毕竟这些开关都是公共接地。当拔掉油中含水时,发现该插头已被腐蚀,有铜绿,这时尝试起动车辆,能够起动。
步骤七:重新接线更换插头后,问题解决。此车辆主要用于装盐,腐蚀性极强,很容易就腐蚀插头。
本文特约作者:共轨之家
关注卡车之家,网聚卡车人的力量
有任何问题,可通过私信联系我们