三极管发射极直流电路就是发射极与直流电压端,或发射极与地端之间的电路,这一直流电路的变化比集电极直流电路变化多。
1.4种三极管发射极直流电路
(1)发射极直流电路之一。如图1-119所示,VT1是NPN型三极管,采用正极性直流工作电压+V。三极管VT1发射极直接接地线,构成发射极直流电流回路:从VT1内部流出的发射极电流经发射极直接流到地线。

图1-119 示意图
图1-119中,VT1发射极电路中没有任何元器件,这是最简单的发射极直流电路。
(2)发射极直流电路之二。如图1-120所示,VT1是NPN型三极管,采用负极性直流工作电压-V。三极管VT1发射极直接接在负极性直流工作电压-V端,构成发射极直流电流回路:从VT1内部流出的发射极电流,经发射极直接流到−V端。

图1-120 示意图
(3)发射极直流电路之三。如图1-121所示,VT1是PNP型三极管,采用正极性直流工作电压+V。三极管VT1发射极通过电阻R1接直流工作电压+V端,电阻R1构成了发射极直流电流回路:从直流工作电压+V端流出的直流电流经过R1,从VT1发射极流入VT1内。

图1-121 示意图
VT1发射极回路中只有一只电阻R1。因为电阻R1具有负反馈作用,所以R1称为发射极负反馈电阻。
(4)发射极直流电路之四。图1-122中VT1是PNP型三极管,采用负极性直流工作电压-V。三极管VT1发射极通过电阻R2接地,电阻R2构成了VT1发射极直流电流回路。

图1-122 示意图
VT1发射极电流回路是:从地端流入R2的直流电流通过R2,由VT1发射极流入VT1内部。
(1)R2开路故障分析。VT1各电极无电流,VT1无信号输出。这是因为VT1发射极开路后,集电极和基极电流回路都开路。
(2)R2 短路故障分析。VT1 各电极电流增大很多。这是因为R2短路后发射极直接接地,使基极电流增大,导致集电极和发射极电流都增大许多。
(3)R2 阻值变大故障分析。VT1 各电极电流减小。这是因为发射极电阻R2阻值增大后,基极电流减小,所以VT1各电极电流都减小。
(4)R2 阻值变小故障分析。VT1 各电极电流增大。这是因为发射极电阻R2阻值减小后,基极电流增大,所以VT1各电极电流都增大。
2.三极管发射极直流电路分析小结
发射极直流电路特征
工作在放大状态下的三极管,无论三极管发射极电路如何变化,三极管的发射极必须与直流工作电压端或是地线之间相通,以构成发射极的直流通路。
只要是能够构成发射极直流电流回路的元器件都有可能是发射极直流电路中的元器件。
电路分析方法提示
分析电路时,在电路中找到三极管电路符号,然后找到三极管的发射极,从发射极出发向地端查找元器件,或是向直流工作电压端查找元器件。
发射极回路中的元器件往往比较多(比集电极回路中的元器件多),这些元器件应该能够通过直流电流,这样才是有可能构成发射极直流电路的元器件。
找出发射极回路中能够通过直流电流的元器件后,如果元器件比较多,还要根据并联电路的阻抗特性,找到哪个或哪些元器件是构成发射极直流电路的主要元器件,通常构成直流电路的主要元器件只有一两个。
3.其他3种发射极直流电路
发射极直流电路变形电路“丰富多彩”,电路分析时只要抓住根本的一点,就是发射极直流电流主要通过了哪个元器件,该元器件就是构成发射极直流电路的主要元器件,在这一电路分析中主要运用并联电路的阻抗特性。
(1)发射极直流电路变形电路之一。如图1-123所示,VT1是NPN型三极管,采用正极性直流工作电压+V供电。从电路中可以看出,VT1发射极回路中有电阻R4和电容C1。
根据电容器隔直流特性可知,VT1发射极直流电流是不能通过电容C1的,VT1发射极直流电流只能流过电阻R4。这一电路分析中,如果不了解电容器的有关特性,电路分析比较困难,甚至出错。

图1-123 示意图
(2)发射极直流电路变形电路之二。如图1-124所示,VT1是NPN型三极管,电阻R1构成VT1基极-集电极负反馈式偏置电路,采用正极性直流工作电压供电。从电路中可以看出,VT1发射极回路中有电感L1、电容C1和电阻R3。

图1-124 示意图
电感L1虽然能够让直流电流通过,但是C1不能让直流电流通过,因为L1和C1串联,所以L1和C1这个串联支路不能让三极管VT1发射极直流电流通过。这样,这一电路只有电阻R3构成了VT1发射极直流电路,VT1发射极直流电流通过R3流到地端。
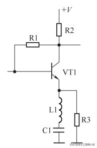
(3)发射极直流电路变形电路之三。如图1-125所示,VT1是NPN型三极管,电阻R1构成VT1固定式偏置电路,采用正极性直流工作电压供电。从电路中可以看出,VT1发射极回路中有电感L1、电容C1、电阻R3,这3个元件是并联的。

图1-125 示意图
电阻R3和电感L1都可以流过VT1发射极直流电流,但是L1的直流电阻非常小,远远小于电阻R3的阻值,所以在这一电路中从VT1发射极流出的直流电流通过L1流到地端,而不是通过R3流到地端。构成这一电路中VT1发射极直流电流回路的主要元件是电感L1。