1)施工部位:大堂、电梯厅、卫生间等
2)材料要求
石材出厂前要做好六面水性防护剂,使用饰面型水性防护剂及底面型防护剂(用于粘贴石材地面的防护剂)两种。
3)主要机具
冲击钻、电焊机、云石锯、水平尺、线锤、抛光机
4)作业条件
(1)锚固试验:在现场提供试验设备,对机械性/化学锚固进行承受静载、横向动载、及拉脱力的测试。
(2)现场安装:聘用经验丰富的专业石材安装工人及管理人员负责石材安装工作,并负责提侠所有有需材料,电动或机械提升设备及吊链等。
(3)样板:在大面积施工前按照总包单位指示及要求完成指定面积的饰面石工作为样板及日后验收标准。
(4)焊接:焊接前应检查焊条药皮是否潮湿、脱落,若潮湿应先烘干方可使用。现场焊接的焊缝应及时清理焊渣并刷防锈红丹两道、面漆一道。焊缝高度与长度满足设计要求,焊缝应饱满,不得有虚焊、漏焊、咬边、气泡、夹渣、裂纹等缺陷。焊接作业属于特殊工种,须由持有有效焊工证的人员操作。
5)工艺流程
基层清理→弹垂直、水平控制线→打膨胀螺栓→钢骨架安装→饰面石板选样编号→安装石材饰面板→清理、上光、打蜡
6)施工方法
(1)基层处理:砼基层墙面灰尘、污垢、油渍、垃圾等要清理干净,并将原来的胀栓螺栓部位用水泥砂浆封堵,然后根据石材分割弹出横龙骨位置线。
(2)弹线:在施工前,先在现场进行实地测量,绘出立面图,在此基础上进行预排,预排的原则从中间向四周排设。
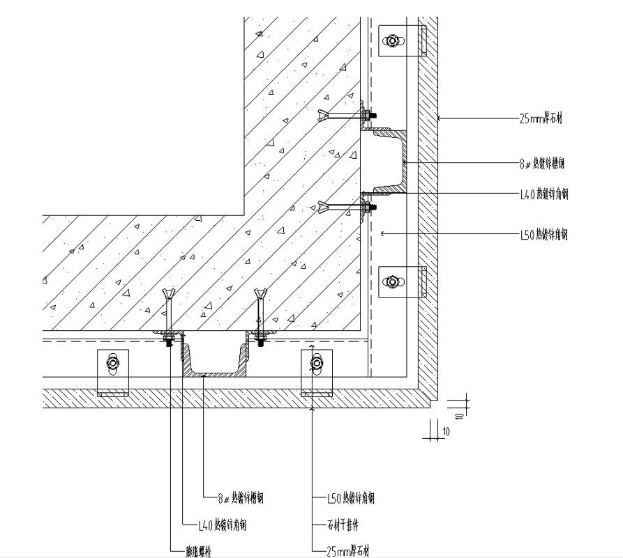
(3)打膨胀螺栓:根据具体设计在墙体上按不锈钢膨胀螺栓位置,钻孔打洞。洞深75mm(以用膨胀螺栓为准),水平及垂直间距见具体设计及构造示意图。洞打好后,将不锈钢膨胀螺栓安入洞内,拧紧胀牢。下膨胀螺栓前要将孔内粉清理干净,螺栓埋设要垂直、牢固,连接件要垂直、方正。
(4)钢骨架安装:
a.使用钢托板纵向用膨胀螺栓和墙体构造梁或结构剪力墙固定,上、下两端头钢托板用膨胀螺栓和结构楼板固定。
b.加气混凝土隔墙基层使用槽钢作为竖向龙骨间距1000;其中,当石材完成面离墙距离100~150mm时,使用槽钢作为竖向龙骨;当石材完成面离墙距离150~500mm时,使用槽钢作为竖向龙骨,使用角钢作为横向加固龙骨,间距800;使用角钢作为横向次龙骨,横龙骨间距随石材 分格确定。
(5)饰面石板选样编号:将石材饰面板选取品种、规格、颜色、纹理外观质量一致者按墙面装修施工大样图排列编号,并在建筑场地上进行试拼、校正尺寸、四角套方。

(6)安装饰面石板
a安装不锈钢挂件:将不锈钢挂件临时安装在角码上(螺栓帽不要拧紧)。
b安装石板:根据已选定的饰面石板编号,将石板临时就位,并将不锈钢挂件插入石板槽内。利用角码及“T”型挂件上的调整孔,对石板的位置准确度(包括前后、左右、高低)、垂直度、平整度进行调整。
c紧固挂件,石板正式就位:饰面石板调整准确,石板正式就位后,将不锈钢挂件上所有有关螺栓全部上紧,并在螺栓四周与挂件接触处,满涂石材胶一道(快干型)。
(8)清理、打蜡上光:石板表面打蜡上光。
(9)最后按照设计要求,在石材缝隙及与其他材料交接部位打胶处理。

7)质量控制要点及标准
(1)表面平整、洁净、拼花正确,纹理清晰通顺,颜色均匀一致。
(2)石材的品种、规格、形状、平整度、几何尺寸、光洁度、颜色、和图案必须符合设计要求。表面平整、洁净、纹理清晰通顺,颜色均匀一致。
(3)每安装一层板块,均进行选色、选花纹以及石材表面平整度、垂直度、大角套方等检查工作,确保石材整体饰面效果。
(4)对石材要进行挑选,几何尺寸必须准确,严格按规范控制饰面
(5)骨架应牢固安全。密封石材无明显缝隙,缝线平直填擦密实,无错台错位。
(6)石材饰面允许偏差和检验方法:
|
项次 |
项目 |
允许偏差(㎜) |
检验方法 |
|
1 |
表面平整度 |
1 |
用2m靠尺、楔形塞尺检查 |
|
2 |
立面垂直 |
2 |
用2m 托线板检查 |
|
3 |
阳角方正 |
2 |
用方尺及楔形塞尺检查 |
|
4 |
缝格平直 |
2 |
拉5m线,不足5m拉通线和尺量检查 |
|
5 |
接缝高低差 |
0.3 |
用靠尺和塞尺检查 |
|
6 |
板块间隙宽度 |
≤0.3 |
用塞尺检查 |
8)施工成品保护及安全管理措施
(1)石材进场后,应放在专用场地,不得污染。石材现场打孔开槽时,工作场所及工作台应干净整洁,避免加工中划伤石材表面。
(2)施工过程中应注意保护石材表面,防止意外碰撞、划伤、污染。
(3)石材安装过程中,应注意保护与石材交界的门窗框、玻璃和金属饰面板。宜在门窗框、玻璃和金属饰面板上粘贴保护膜,防止污染、损坏。
(4)石材安装区域有交叉作业时,应对安装好的墙面板材进行完全覆盖保护。进行焊接作业时,应将电火花溅及范围内进行全面保护,防止烫伤石材表面或引起火灾。
(5)合理安排施工工序,避免工序倒置。应在专业设备、管线安装完成后再做石材,防止损坏、污染石材饰面板。
(6)翻、拆脚手架和向架子上运料时,严禁碰撞已施工完的石材饰面板。
(7)石材饰面板安装完成后,容易碰触到的口、角部分,应使用木板钉成护角保护,并悬挂警示标志。其他工种作业时,注意不得划伤石材表面和碰坏石材。
(8)石材表面刷防护剂时,在防护剂未干透前,严禁在作业面附近进行扬尘较多的作业。
